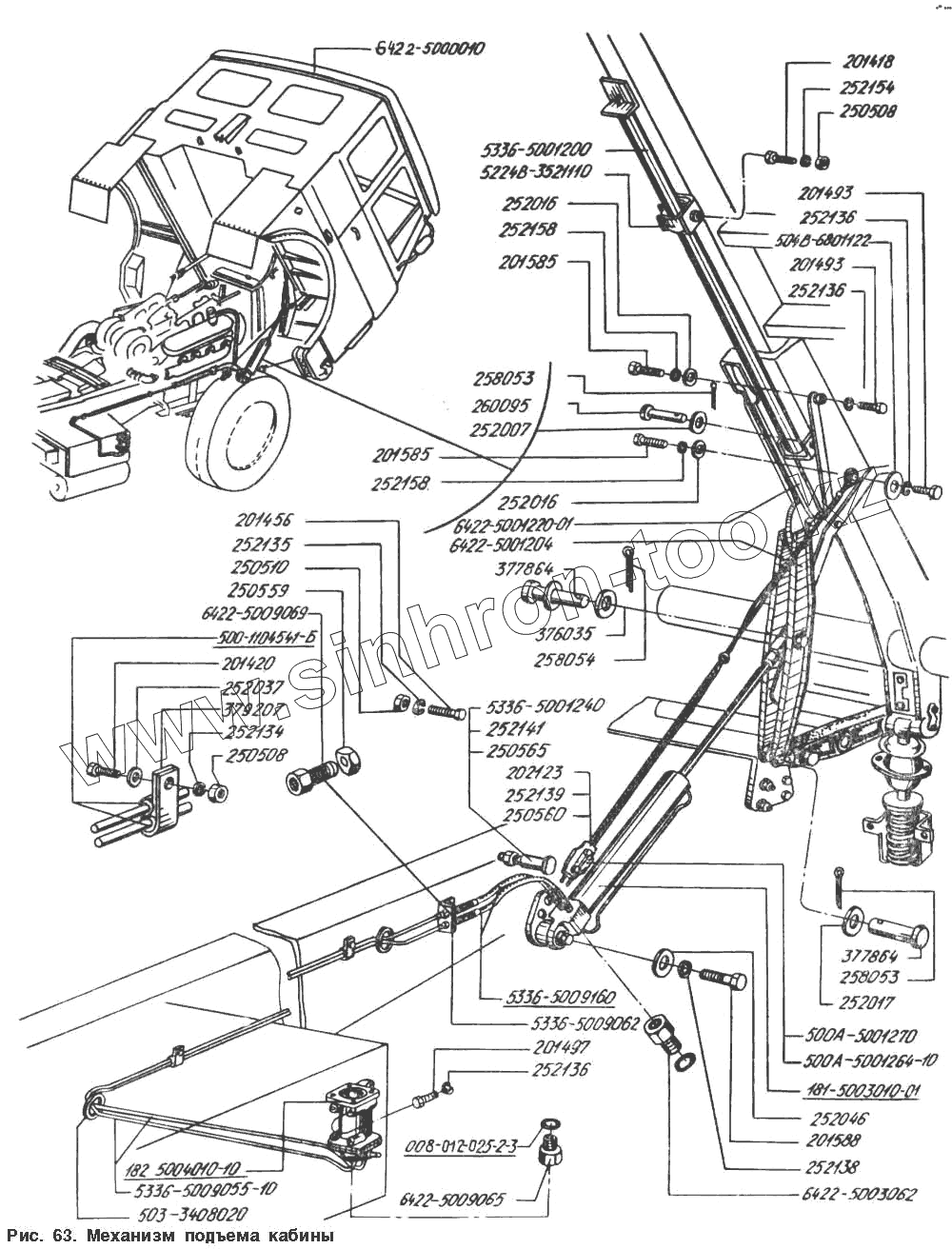
Каталог запасных частей к технике: МАЗ-54328. Механизм подъема кабины
500-1104541-Б
181-5003010-01
6422-5000010
182-5004010-10
5336-5009160
5224В-3521110
500А-5001270
500А-5001264-10
260095-П52
377864
6422-5009069
6422-5003062
6422-5001204
5336-5009055-10
6422-5009065
5336-5001200
504В-6801122
252136-П2
252136-П2
252136-П2
252007-П29
252016-П29
252016-П29
252046-П29
252158-П2
252158-П2
252138-П2
252017-П
376035-П8
252139-П2
252141-П2
252037-П2
252154-П2
252134-П2
252135-П2
201493-П29
201493-П29
201497-П29
201585
201588-П29
202123-П29
201420-П29
201456-П29
201418-П29
379207-П29
008-012-025-2-3
5336-5009062
6422-5001220-01
503-3408020
250559-П29
250560-П29
250565-П29
250508-П29
250508-П29
250510-П29
258053-П29
258053-П29
258054-П29
6422-5009069
500А-5001264-10
500А-5001270
504В-6801122
503-3408020
5336-5009055-10
008-012-25-2-3
5336-5009062
5336-5001240
6422-5001204
6422-5001220-01
5336-5001200
6422-5003062
500А-5001264-10
6422-5003062
500А-5001270
504В-6801122
5336-5009055-10
008-012-25-2-3
5336-5009062
5336-5001240
6422-5001204
6422-5001220-01
5224В-3521110
500-5001200
252007
260095
258053
258053
252016
252016
252158
252158
201585
201585
250508
250508
252134
379207
252037
201420
250559
250510
252135
201456
252136
252136
252136
201497
250560
252139
202123
250565
252141
258054
376035
377864
377864
252138
201588
252046
252017
201493
201493
252154
201418
| Позиция на иллюстрации | Заводской номер детали | Название детали | |
|---|---|---|---|
| 5336-8403260 | 5336-8403260 | Брызговик правый | |
| 5336-8403261 | 5336-8403261 | Брызговик крыла | |
| 500-1104541-Б | 500-1104541-Б | Втулка | |
| 64229-8511292 | 64229-8511292 | Втулка кронштейна среднего | |
| 181-5003010-01 | 181-5003010-01 | Гидроцилиндр | |
| 5336-6100015 | 5336-6100015 | Дверь левая | |
| 5336-6100014 | 5336-6100014 | Дверь правая | |
| 7409-4415015 | 7409-4415015 | Диафрагма ограничителя числа оборотов | |
| 5320-6105021 | 5320-6105021 | Замок левый | |
| 5320-6105020 | 5320-6105020 | Замок правый | |
| 504В-8201015-01 | 504В-8201015-01 | Зеркало наружное | |
| 6422-5000010 | 6422-5000010 | Кабина | |
| ТУ605-1989-85 | ТУ605-1989-85 | Кольцо | |
| 034-038-25-2-1 | 034-038-25-2-1 | Кольцо уплотнительное (ГОСТ 18829-73) | |
| 089-095-36-2-1 | 089-095-36-2-1 | Кольцо уплотнительное (ГОСТ 18829-73) | |
| 013-018-30-2-1 | 013-018-30-2-1 | Кольцо уплотнительное (ГОСТ 18829-73) | |
| 018-022-25-2-1 | 018-022-25-2-1 | Кольцо уплотнительное трубы масляного охлаждения и датчика скорости (ГОСТ 18829-73) | |
| 236-3701002 | 236-3701002 | Комплект ремней привода генератора (1-8,5х8х850-2 шт) (ГОСТ 5813-76) | |
| 5336-6807014 | 5336-6807014 | Корпус подставки | |
| 5336-8101310 | 5336-8101310 | Краник отопителя | |
| 54322-8511123 | 54322-8511123 | Кронштейн | |
| 64227-8511133 | 64227-8511133 | Кронштейн левый крыла заднего | |
| 64227-8511132 | 64227-8511132 | Кронштейн правый крыла заднего | |
| 64229-8511250 | 64229-8511250 | Кронштейн средний крыла заднего | |
| 54322-8511010-10 | 54322-8511010-10 | Крыло заднее | |
| 64227-8511010-10 | 64227-8511010-10 | Крыло заднее | |
| 5336-8403017 | 5336-8403017 | Крыло левое | |
| 5336-8403016 | 5336-8403016 | Крыло правое | |
| 28.5004028 | 28.5004028 | Манжета | |
| 5336-5001550 | 5336-5001550 | Запорный механизм | |
| 182-5004010-10 | 182-5004010-10 | Насос подъема кабины | |
| 5336-8401010 | 5336-8401010 | Облицовка передка | |
| 5336-6103274 | 5336-6103274 | Окантовка | |
| 5336-5001706 | 5336-5001706 | Опора | |
| 5336-5001722 | 5336-5001722 | Ось | |
| 6422-8405011 | 6422-8405011 | Панель | |
| 5336-5301010 | 5336-5301010 | Панель передка наружная | |
| 6422-8405010 | 6422-8405010 | Панель передняя правая | |
| 6432-1109144 | 6432-1109144 | Переходник | |
| 5336-6103013-01 | 5336-6103013-01 | Петля двери левая | |
| 5336-6106012-01 | 5336-6106012-01 | Петля двери правая | |
| 5336-6807058 | 5336-6807058 | Плита стойки | |
| 6422-8405024 | 6422-8405024 | Подножка верхняя | |
| 6422-8405016 | 6422-8405016 | Подножка нижняя | |
| 263706Е | 263706Е | Подшипник | |
| 180603К1С9 | 180603К1С9 | Подшипник шариковый генератора со стороны привода | |
| 5320-6105081 | 5320-6105081 | Привод замка левый | |
| 5320-6105080 | 5320-6105080 | Привод замка правый | |
| 236Ю-4415060 | 236Ю-4415060 | Прокладка дозатора | |
| 236-3802069-Б | 236-3802069-Б | Прокладка крышки сменных шестерен привода спидометра | |
| 64229-8511285 | 64229-8511285 | Пружина | |
| 5336-8401084 | 5336-8401084 | Пружина | |
| 500А-5001578 | 500А-5001578 | Пружина | |
| 5336-5001730-01 | 5336-5001730-01 | Пружина передняя | |
| 5336-6106148 | 5336-6106148 | Пружина ограничителя двери | |
| 504В-8101060 | 504В-8101060 | Радиатор отопителя | |
| 21011-6104064 | 21011-6104064 | Ручка стеклоподъемника | |
| 5336-6104011 | 5336-6104011 | Стеклоподъемник левый в сборе | |
| 5336-6104010 | 5336-6104010 | Стеклоподъемник правый | |
| 5336-6104038 | 5336-6104038 | Трос | |
| 236Ю-4407080 | 236Ю-4407080 | Трубка вакуумная | |
| 236Ю-4407082 | 236Ю-4407082 | Трубка вакуумная | |
| 5336-5009160 | 5336-5009160 | Шланг | |
| 5224В-3521110 | 5224В-3521110 | Держатель штепсельной вилки | |
| 500А-5001270 | 500А-5001270 | Вкладыш | |
| 500А-5001264-10 | 500А-5001264-10 | Зажим троса | |
| 260095-П52 | 260095-П52 | Палец | |
| 377864 | 377864 | Палец 16х58 | |
| 6422-5009069 | 6422-5009069 | Переходник | |
| 6422-5003062 | 6422-5003062 | Переходник | |
| 6422-5001204 | 6422-5001204 | Рычаг | |
| 5336-5009055-10 | 5336-5009055-10 | Трубка | |
| 6422-5009065 | 6422-5009065 | Угольник | |
| 5336-5001200 | 5336-5001200 | Упор-ограничитель | |
| 504В-6801122 | 504В-6801122 | Шайба | |
| 252136-П2 | 252136-П2 | Шайба | |
| 252136-П2 | 252136-П2 | Шайба | |
| 252136-П2 | 252136-П2 | Шайба | |
| 252007-П29 | 252007-П29 | Шайба | |
| 252016-П29 | 252016-П29 | Шайба | |
| 252016-П29 | 252016-П29 | Шайба | |
| 252046-П29 | 252046-П29 | Шайба | |
| 252158-П2 | 252158-П2 | Шайба пружинная | |
| 252158-П2 | 252158-П2 | Шайба пружинная | |
| 252138-П2 | 252138-П2 | Шайба пружинная | |
| 252017-П | 252017-П | Шайба | |
| 376035-П8 | 376035-П8 | Шайба | |
| 252139-П2 | 252139-П2 | Шайба | |
| 252141-П2 | 252141-П2 | Шайба пружинная | |
| 252037-П2 | 252037-П2 | Шайба | |
| 252154-П2 | 252154-П2 | Шайба пружинная | |
| 252134-П2 | 252134-П2 | Шайба | |
| 252135-П2 | 252135-П2 | Шайба | |
| 201493-П29 | 201493-П29 | Болт | |
| 201493-П29 | 201493-П29 | Болт | |
| 201497-П29 | 201497-П29 | Болт | |
| 201585 | 201585 | Болт М14-6gх30 | |
| 201588-П29 | 201588-П29 | Болт | |
| 202123-П29 | 202123-П29 | Болт | |
| 201420-П29 | 201420-П29 | Болт М6х20 | |
| 201456-П29 | 201456-П29 | Болт | |
| 201418-П29 | 201418-П29 | Болт | |
| 379207-П29 | 379207-П29 | Кляммер двойной | |
| 008-012-025-2-3 | 008-012-025-2-3 | Кольцо | |
| 5336-5009062 | 5336-5009062 | Кронштейн | |
| 6422-5001220-01 | 6422-5001220-01 | Направляющая | |
| 503-3408020 | 503-3408020 | Втулка | |
| 250559-П29 | 250559-П29 | Гайка | |
| 250560-П29 | 250560-П29 | Гайка | |
| 250565-П29 | 250565-П29 | Гайка | |
| 250508-П29 | 250508-П29 | Гайка М6 | |
| 250508-П29 | 250508-П29 | Гайка М6 | |
| 250510-П29 | 250510-П29 | Гайка | |
| 258053-П29 | 258053-П29 | Шплинт | |
| 258053-П29 | 258053-П29 | Шплинт | |
| 258054-П29 | 258054-П29 | Шплинт | |
| 6422-5009069 | 6422-5009069 | Переходник | |
| 500А-5001264-10 | 500А-5001264-10 | Зажим троса | |
| 500А-5001270 | 500А-5001270 | Вкладыш | |
| 504В-6801122 | 504В-6801122 | Шайба | |
| 503-3408020 | 503-3408020 | Втулка | |
| 5336-5009055-10 | 5336-5009055-10 | Трубопровод | |
| 008-012-25-2-3 | 008-012-25-2-3 | Кольцо | |
| 5336-5009062 | 5336-5009062 | Кронштейн | |
| 5336-5001240 | 5336-5001240 | - | |
| 6422-5001204 | 6422-5001204 | Рычаг | |
| 6422-5001220-01 | 6422-5001220-01 | Направляющая | |
| 5336-5001200 | 5336-5001200 | Упор-ограничитель | |
| 6422-5003062 | 6422-5003062 | Переходник | |
| 500А-5001264-10 | 500А-5001264-10 | Зажим троса | |
| 6422-5003062 | 6422-5003062 | Переходник | |
| 500А-5001270 | 500А-5001270 | Вкладыш | |
| 504В-6801122 | 504В-6801122 | Шайба | |
| 5336-5009055-10 | 5336-5009055-10 | Трубка | |
| 008-012-25-2-3 | 008-012-25-2-3 | Кольцо | |
| 5336-5009062 | 5336-5009062 | Кронштейн | |
| 5336-5001240 | 5336-5001240 | - | |
| 6422-5001204 | 6422-5001204 | Рычаг | |
| 6422-5001220-01 | 6422-5001220-01 | Направляющая | |
| 5224В-3521110 | 5224В-3521110 | Держатель штепсельной вилки | |
| 500-5001200 | 500-5001200 | Упор-ограничитель | |
| 252007 | 252007 | Шайба 12 | |
| 260095 | 260095 | Палец 12х60 | |
| 258053 | 258053 | Шплинт 4х25 | |
| 252016 | 252016 | Шайба 14 | |
| 252158 | 252158 | Шайба 14Л | |
| 201585 | 201585 | Болт М14-6gх30 | |
| 250508 | 250508 | Гайка М6-6Н | |
| 252134 | 252134 | Шайба 6Т | |
| 379207 | 379207 | Кляммер | |
| 252037 | 252037 | Шайба 6 | |
| 201420 | 201420 | Болт М6-6gх20 | |
| 250559 | 250559 | Гайка М14х1,5-6Н | |
| 250510 | 250510 | Гайка М8-6Н | |
| 252135 | 252135 | Шайба 8Т | |
| 201456 | 201456 | Болт М8-6gх20 | |
| 252136 | 252136 | Шайба 10.ОТ | |
| 201497 | 201497 | Болт М10-6gх25 | |
| 250560 | 250560 | Гайка М16-6Н | |
| 252139 | 252139 | Шайба 16.ОТ | |
| 202123 | 202123 | Болт М16-6gх50 | |
| 250565 | 250565 | Гайка М20х1,5-6Н | |
| 252141 | 252141 | Шайба 20.ОТ | |
| 258054 | 258054 | Шплинт 4,0х32 | |
| 376035 | 376035 | Шайба 16 | |
| 377864 | 377864 | Палец 16х58 | |
| 252138 | 252138 | Шайба 14.ОТ | |
| 201588 | 201588 | Болт М14-6gх38 | |
| 252046 | 252046 | Шайба 14 | |
| 252017 | 252017 | Шайба 16 | |
| 201493 | 201493 | Болт М10-6gх16 | |
| 252154 | 252154 | Шайба 6Л | |
| 201418 | 201418 | Болт М6-6gх16 |
Содержащиеся в справочниках-каталогах запасные части и детали не предлагаются к продаже, а носят исключительно информационный характер