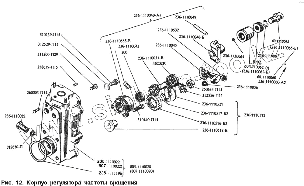
Каталог запасных частей к технике: МАЗ-54328. Корпус регулятора частоты вращения
236-1110512
60.1110060
310139-П15
310140-П15
236-1110051-В
311200-П29
236-1110518-Б
236-1110056
250634-П15
236-1110045
60.1110062-01
236-1110046-Б
236-1110521
236-1110032
312556-П15
312529-П15
236-1110064
236-1110516-Б2
258639-П15
260003-П15
60.1110065
236-1111196
236-1110060-А2
236-1110049
200
8102
236-1110517-Б2
46202К
236-1110067
236-1110040-А2
236-1110065-Б
236-1110532
236-1110558-В
236-1110042
805.1110022
807.1110022
805.1110020
807.1110020
236-1110062-Б
| Позиция на иллюстрации | Заводской номер детали | Название детали | |
|---|---|---|---|
| 236-1110512 | 236-1110512 | Демпфер | |
| 60.1110060 | 60.1110060 | Муфта грузов в сборе | |
| 310139-П15 | 310139-П15 | Болт | |
| 310140-П15 | 310140-П15 | Болт | |
| 236-1110051-В | 236-1110051-В | Валик державки грузов | |
| 311200-П29 | 311200-П29 | Винт | |
| 236-1110518-Б | 236-1110518-Б | Втулка ведущей шестерни | |
| 236-1110056 | 236-1110056 | Втулка груза регулятора | |
| 250634-П15 | 250634-П15 | Гайка | |
| 236-1110045 | 236-1110045 | Груз регулятора в сборе | |
| 60.1110062-01 | 60.1110062-01 | Муфта грузов | |
| 236-1110046-Б | 236-1110046-Б | Державка грузов | |
| 236-1110521 | 236-1110521 | Фланец втулки ведущей шестерни | |
| 236-1110032 | 236-1110032 | Шайба | |
| 312556-П15 | 312556-П15 | Шайба стопорная | |
| 312529-П15 | 312529-П15 | Шайба стопорная | |
| 236-1110064 | 236-1110064 | Шарик | |
| 236-1110516-Б2 | 236-1110516-Б2 | Шестерня ведущая | |
| 258639-П15 | 258639-П15 | Штифт | |
| 260003-П15 | 260003-П15 | Палец пружины рычага рейки | |
| 60.1110065 | 60.1110065 | Пята упорная | |
| 236-1111196 | 236-1111196 | Кольцо уплотнительное корпуса регулятора | |
| 236-1110060-А2 | 236-1110060-А2 | Муфта грузов в сборе | |
| 236-1110049 | 236-1110049 | Ось грузов регулятора | |
| 200 | 200 | Подшипник шариковый ролика державки грузов | |
| 202 | 202 | Подшипник шариковый | |
| 8102 | 8102 | Подшипник шариковый упорный муфты грузов регулятора частоты вращения | |
| 236-1110517-Б2 | 236-1110517-Б2 | Сухарь ведущей шестерни | |
| 46202К | 46202К | Подшипник | |
| 236-1110067 | 236-1110067 | Кольцо пружинное | |
| 236-1110040-А2 | 236-1110040-А2 | Державка грузов со стаканом в сборе | |
| 236-1110065-Б | 236-1110065-Б | Пята упорная | |
| 236-1110532 | 236-1110532 | Ролик груза регулятора | |
| 236-1110558-В | 236-1110558-В | Стакан подшипников валика державки | |
| 236-1110042 | 236-1110042 | Стопор пружинный | |
| 805.1110022 | 805.1110022 | Корпус регулятора | |
| 807.1110022 | 807.1110022 | Корпус регулятора | |
| 805.1110020 | 805.1110020 | Корпус регулятора в сборе | |
| 807.1110020 | 807.1110020 | Корпус регулятора в сборе | |
| 236-1110062-Б | 236-1110062-Б | Муфта грузов |
Содержащиеся в справочниках-каталогах запасные части и детали не предлагаются к продаже, а носят исключительно информационный характер