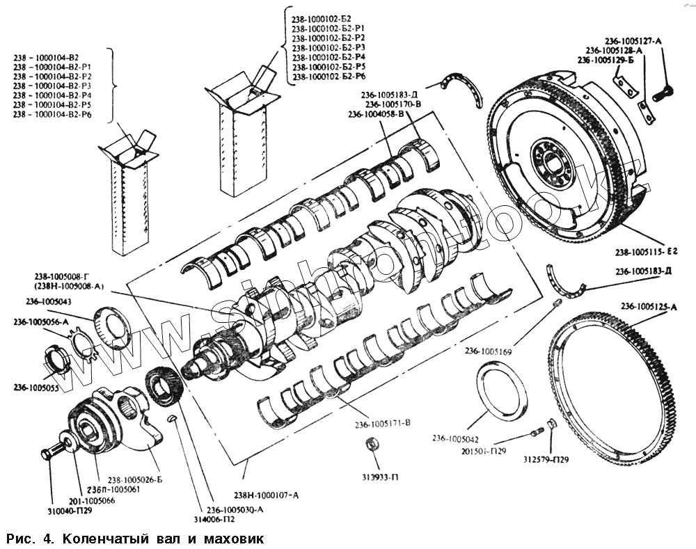
Каталог запасных частей к технике: МАЗ-54328. Коленчатый вал и маховик
201-1005066
236-1005129-Б
236-1005128-А
236-1005183-Д
236-1005183-Д
312579-П29
236-1005056-А
236-1005030-А
238П-1005061
238-1005026-Б
236-1005125-А2
201501-П29
238-1005008-Г
238Н-1005008-А
236-1004058-В
236-1005170-В
236-1005171-В
310040-П29
314006-П2
236-1005169
236-1005055
313933-П31
238-1000104-В2-Р3
238Н-1000107-А
238-1000102-Б2
238-1000102-Б2-Р1
238-1000102-Б2-Р2
238-1000102-Б2-Р3
238-1000102-Б2-Р4
238-1000102-Б2-Р5
238-1000102-Б2-Р6
238-1000104-В2-Р1
238-1000104-В2-Р2
236-1005172-А
238-1000104-В2-Р4
238-1000104-В2-Р5
238-1000104-В2-Р6
238-1000104-В2
236-1005042
236-1005043
238-1005115-Е2
| Позиция на иллюстрации | Заводской номер детали | Название детали | |
|---|---|---|---|
| 201-1005066 | 201-1005066 | Шайба | |
| 236-1005129-Б | 236-1005129-Б | Пластина замковая левая | |
| 236-1005128-А | 236-1005128-А | Пластина замковая правая | |
| 236-1005183-Д | 236-1005183-Д | Полукольцо упорного подшипника коленчатого вала | |
| 236-1006236-Б | 236-1006236-Б | Фланец распределительного вала упорный | |
| 312579-П29 | 312579-П29 | Шайба замковая болта крепления венца маховика | |
| 312580-П2 | 312580-П2 | Шайба замковая | |
| 236-1005056-А | 236-1005056-А | Шайба замковая гайки крепления переднего противовеса коленчатого вала | |
| 236-1005030-А | 236-1005030-А | Шестерня коленчатого вала | |
| 236-1006214-Г2 | 236-1006214-Г2 | Шестерня распределительного вала | |
| 238П-1005061 | 238П-1005061 | Шкив коленчатого вала трехручейный | |
| 238-1005026-Б | 238-1005026-Б | Противовес передний | |
| 236-1005125-А2 | 236-1005125-А2 | Обод зубчатый маховика | |
| 201501-П29 | 201501-П29 | Болт | |
| 238-1005008-Г | 238-1005008-Г | Вал коленчатый | |
| 238Н-1005008-А | 238Н-1005008-А | Вал коленчатый | |
| 236-1004058-В | 236-1004058-В | Вкладыш шатунного подшипника | |
| 236-1005170-В | 236-1005170-В | Вкладыш подшипника коленчатого вала верхний | |
| 236-1005171-В | 236-1005171-В | Вкладыш подшипника коленчатого вала нижний | |
| 310040-П29 | 310040-П29 | Болт шкива коленчатого вала | |
| 314006-П2 | 314006-П2 | Шпонка сегментная | |
| 236-1005169 | 236-1005169 | Штифт установочный полукольца | |
| 236-1005055 | 236-1005055 | Гайка крепления передиего противовеса коленчатого вала | |
| 313933-П31 | 313933-П31 | Заглушка диаметром 30 коленчатого вала | |
| 238-1000104-В2-Р3 | 238-1000104-В2-Р3 | Вкладыши сталебронзовые шатуна, комплект на один двигатель, уменьшенные на 0,75 мм (допускается установка 238-1000104-В-ГР) | |
| 238Н-1000107-А | 238Н-1000107-А | Вал коленчатый со сталебронзовыми коренными и шатунными вкладышами (комплект) | |
| 238Б-1006015 | 238Б-1006015 | Вал распределительный | |
| 238-1000102-Б2 | 238-1000102-Б2 | Вкладыши сталебронзовые коренных подшипников, комплект на один двигатель, номинального размера (допускается установка 238-1000102-Б) | |
| 238-1000102-Б2-Р1 | 238-1000102-Б2-Р1 | Вкладыши сталебронзовые коренных подшипников, комплект на один двигатель, уменьшенные на 0,25 мм (допускается установка 238-100102-Б-БР) | |
| 238-1000102-Б2-Р2 | 238-1000102-Б2-Р2 | Вкладыши сталебронзовые коренных подшипников, комплект на один двигатель, уменьшенные на 0,50 мм (допускается установка 238-1000102-Б-БР) | |
| 238-1000102-Б2-Р3 | 238-1000102-Б2-Р3 | Вкладыши сталебронзовые коренных подшипников, комплект на один двигатель, уменьшенные на 0,75 мм (допускается установка 238-1000102-Б-ГР) | |
| 238-1000102-Б2-Р4 | 238-1000102-Б2-Р4 | Вкладыши сталебронзовые коренных подшипников, комплект на один двигатель, уменьшенные на 1,00 мм (допускается установка 238-100102-Б-ДР) | |
| 238-1000102-Б2-Р5 | 238-1000102-Б2-Р5 | Вкладыши сталебронзовые коренных подшипников, комплект на один двигатель, уменьшенные на 1,25 мм (допускается установка 238-1000102-Б-ЕР) | |
| 238-1000102-Б2-Р6 | 238-1000102-Б2-Р6 | Вкладыши сталебронзовые коренных подшипников, комплект на один двигатель, уменьшенные на 1,50 мм (допускается установка 238-1000102-Б-ЖР) | |
| 238-1000104-В2-Р1 | 238-1000104-В2-Р1 | Вкладыши сталебронзовые шатуна, комплект на один двигатель, уменьшенные на 0,25 мм (допускается установка 238-1000104-В-БР) | |
| 238-1000104-В2-Р2 | 238-1000104-В2-Р2 | Вкладыши сталебронзовые шатуна, комплект на один двигатель, уменьшенные на 0,50 мм (допускается установка 238-1000104-В-БР) | |
| 236-1005172-А | 236-1005172-А | Болт крепления маховика | |
| 238-1000104-В2-Р4 | 238-1000104-В2-Р4 | Вкладыши сталебронзовые шатуна, комплект на один двигатель, уменьшенные на 1,00 мм (допускается установка 238-1000104-В-ДР) | |
| 238-1000104-В2-Р5 | 238-1000104-В2-Р5 | Вкладыши сталебронзовые шатуна, комплект на один двигатель, уменьшенные на 1,25 мм (допускается установка 238-1000104-В-ЕР) | |
| 238-1000104-В2-Р6 | 238-1000104-В2-Р6 | Вкладыши сталебронзовые шатуна, комплект на один двигатель, уменьшенные на 1,50 мм (допускается установка 238-1000104-В-ЖР) | |
| 238-1000104-В2 | 238-1000104-В2 | Вкладыши сталебронзовые шатуна, комплект на один двигатель, номинального размера, диаметром 88 мм (допускается установка 238-1000104-В) | |
| 236-1006026-АР1 | 236-1006026-АР1 | Втулка распределительного вала передняя ремонтная (поставляется только ремонтным заводам) | |
| 236-1006037-АР1 | 236-1006037-АР1 | Втулка распределительного вала ремонтная (поставляется только ремонтным заводам) | |
| 236-1002024-А | 236-1002024-А | Кольцо уплотнительное гильзы цилиндра | |
| 236-1005160-А2 | 236-1005160-А2 | Манжета коленчатого вала в сборе, задняя | |
| 236-1005042 | 236-1005042 | Маслоотражатель коленчатого вала задний | |
| 236-1005043 | 236-1005043 | Маслоотражатель коленчатого вала передний | |
| 238-1005115-Е2 | 238-1005115-Е2 | Маховик в сборе |
Содержащиеся в справочниках-каталогах запасные части и детали не предлагаются к продаже, а носят исключительно информационный характер