Каталог запасных частей к технике: МАЗ-54326. Установка задней подвески МАЗ-64226
1
1
2
3
4
5
6
7
8
8
9
9
10
10
11
11
12
12
14
14
15
15
16
16
17
17
18
18
19
19
20
20
21
21
22
22
23
24
25
26
27
28
28
29
30
31
32
32
32
33
33
33
33
33
33
33
34
34
34
34
34
35
35
36
36
37
37
38
39
39
40
41
41
42
43
43
44
45
46
47
47
48
49
49
50
50
51
52
53
54
54
55
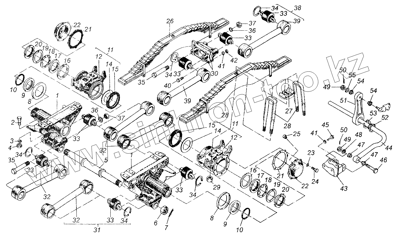
| Позиция на иллюстрации | Заводской номер детали | Название детали | |
|---|---|---|---|
| 1 | 64221-2918150-10 | Кронштейн с осью в сборе | |
| 2 | 371096 | Болт М24х2-6gх75 | |
| 3 | 252143 | Шайба 24Т | |
| 4 | 374650 | Гайка М24х2-6Н | |
| 5 | 64221-2918164-10 | Стяжка | |
| 6 | 375107 | Гайка М48х2-5Н6Н | |
| 7 | 258101 | Шплинт 8х80 | |
| 8 | 6303-2918068 | Шайба | |
| 9 | 6303-2918156 | Кольцо распорное | |
| 10 | 122-130-46-2-3 | Кольцо распорное | |
| 11 | 6303-2918018 | Балансир в сборе | |
| 12 | 6303-2918020 | Балансир | |
| 13 | 938-2918022 | Втулка балансира | |
| 14 | 6303-2918044 | Кольцо упорное | |
| 15 | 537-3103037-01 | Манжета армированная с пружиной | |
| 16 | 6303-2918045 | Кольцо упорное | |
| 17 | 64221-2918190 | Гайка кольцевая | |
| 18 | 64221-2918198 | Шайба стопорная | |
| 19 | 938-2918200 | Шайба замковая | |
| 20 | 64221-2918202 | Гайка | |
| 21 | 6303-2918122 | Прокладка | |
| 22 | 6303-2918118 | Крышка балансира | |
| 23 | 252155 | Шайба 8Л | |
| 24 | 201450 | Болт М8-6gx20 | |
| 25 | 54323-2401142 | Пробка МК24 | |
| 26 | 5516-2912012 | Рессора | |
| 27 | 6303-2912012 | Накладка | |
| 28 | 6303-2912408 | Стремянка задней рессоры | |
| 29 | 349600 | Гайка М30х2-5Н6Н | |
| 30 | 64221-2919044 | Кронштейн | |
| 31 | 64221-2919014 | Штанга реактивная | |
| 32 | 64221-2919018 | Труба с головками | |
| 33 | 64221-2919040 | Шарнир штанги | |
| 34 | 64221-2919032 | Кольцо пружинное | |
| 35 | 371095 | Болт М24х2-6gх275 | |
| 36 | 252143 | Шайба 24Т | |
| 37 | 374650 | Гайка М24х2-6Н | |
| 38 | 64221-2919015 | Штанга реактивная | |
| 39 | 64221-2919016 | Труба с головками | |
| 40 | 372608 | Болт М16х1,5-6gх70 | |
| 41 | 252139 | Шайба 16.ОТ | |
| 42 | 374727 | Гайка М16х1,5-5Н6Н | |
| 43 | 5516-2916040 | Кронштейн стабилизатора нижний левый | |
| 43 | 5516-2916041 | Кронштейн стабилизатора нижний правый | |
| 44 | 5516-2916016 | Вал стабилизатора | |
| 45 | 202142 | Болт М16х1,5-6gх38 | |
| 46 | 54321-2916034 | Палец | |
| 47 | 54321-2916028 | Втулка | |
| 48 | 252019 | Шайба 20 | |
| 49 | 374910 | Гайка М20х1,5-5Н6Н | |
| 50 | 268056 | Шплинт 4х40 | |
| 51 | 54321-2916022 | Рычаг | |
| 52 | 5516-2916030 | Втулка | |
| 53 | 54321-2916032 | Кольцо стопорное | |
| 54 | 64221-2906028 | Втулка | |
| 55 | 252049 | Шайба 20 |
Содержащиеся в справочниках-каталогах запасные части и детали не предлагаются к продаже, а носят исключительно информационный характер