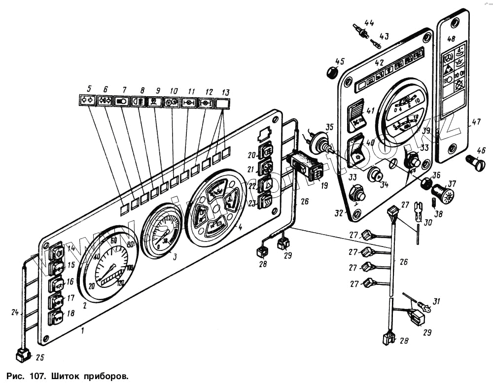
Каталог запасных частей к технике: МАЗ-54321. Щиток приборов
1
2
3
4
5
6
7
8
9
10
11
12
13
14
15
16
17
18
19
20
21
22
23
24
25
26
26
27
27
27
27
27
28
28
29
29
30
31
32
33
33
34
35
36
37
38
39
40
41
42
43
44
45
46
47
48
| Позиция на иллюстрации | Заводской номер детали | Название детали | |
|---|---|---|---|
| 1 | 64221-3805010-01 | Щиток приборов | |
| 2 | СП152-3802010-Т | Спидометр | |
| 3 | 2527.3813010 | Тахометр электрический | |
| 4 | 2807-3801010 | Комбинация приборов | |
| 5 | 2212-3803010-07 | Лампа контрольная включения сигнала поворота | |
| 6 | 2212-3803010-08 | Лампа контрольная включения сигнала поворота прицепа | |
| 7 | 2212-3803010-17 | Лампа контрольная включения электрофакельного подогревателя | |
| 8 | 2212-3803010-11 | Лампа контрольная | |
| 9 | 2212-3803010-17 | Лампа контрольная включения электрофакельного подогревателя | |
| 10 | 2212-3803010-35 | Лампа контрольная включения делителя КП | |
| 11 | 2212-3803010-13 | Лампа контрольная включения блокировки межколесного дифференциала | |
| 12 | 2212-3803010-14 | Лампа контрольная включения блокировки межосевого дифференциала | |
| 13 | 2212-3803010-41 | Заглушка | |
| 14 | 3812.3710000-02.05 | Выключатель фары освещения сцепки | |
| 15 | 3812.3710000-02.28 | Выключатель блокировки межколесного дифференциала | |
| 16 | 3812.3710000-02.09 | Выключатель унифицированный | |
| 17 | 3812.3710000-02.29 | Выключатель фары освещения сцепки | |
| 18 | 3612.3710000-02.27 | Выключатель блокировки поворотной оси полуприцепа | |
| 19 | 3812.3710000-10.03 | Выключатель противотуманных фар | |
| 20 | 3812.3710000-02.04 | Выключатель заднего противотуманного фонаря | |
| 21 | 3812.3710000-02.17 | Выключатель холодильника | |
| 22 | 3812.3710000-02.38 | Выключатель фонаря знака автопоезда | |
| 23 | 3812.3710000-02.23 | Выключатель обогрева зеркал | |
| 24 | 64221-3724012-01 | Жгут левых выключателей | |
| 25 | 50260810 | Колодка | |
| 26 | 64221-3724014-01 | Жгут правых выключателей | |
| 27 | 60860810 | Колодка | |
| 28 | 60260610 | Колодка | |
| 29 | 50260610 | Колодка | |
| 30 | 20360262 | Контакт | |
| 31 | 10360251 | Контакт 1 03 6 02 51 | |
| 32 | 64221-3805012 | Щиток приборов | |
| 33 | 11.3704000 | Кнопка управления дистанционного включения массы | |
| 34 | 32.3710000 | Выключатель аварийной сигнализации | |
| 35 | ВК416Б-3709000-01 | Выключатель освещения щитка приборов с реостата | |
| 36 | 374373 | Гайка М10х1-6Н | |
| 37 | 5428-3710021 | Ручка выключателя | |
| 38 | 242461 | Винт М4-6gх8 | |
| 39 | УК168-3810010 | Приемник указателя давления | |
| 40 | 58.3710000-01 | Переключатель света центральный | |
| 41 | П147-3709000-09.11 | Переключатель | |
| 42 | 2312.3803010-03 | Блок контрольных ламп | |
| 43 | А24-2 | Лампа А24-2 | |
| 44 | ЛВ211-3714329 | Патрон со штекером | |
| 45 | 250462 | Гайка М4-6Н | |
| 46 | 223064 | Винт М6-6gх14 | |
| 47 | 64221-3805024-01 | Панель щитка контрольных ламп БСК | |
| 48 | 3012.3803.010 | Блок контрольных ламп |
Содержащиеся в справочниках-каталогах запасные части и детали не предлагаются к продаже, а носят исключительно информационный характер