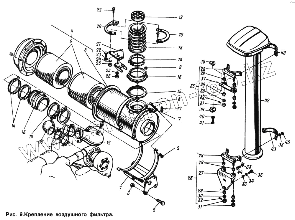
Каталог запасных частей к технике: МАЗ-54321. Крепление воздушного фильтра
1
2
3
4
5
6
7
8
9
9
10
11
12
13
14
14
14
15
16
17
18
19
20
20
21
22
22
23
23
24
25
25
26
27
28
28
29
29
29
29
30
30
31
31
32
32
33
33
33
34
35
36
37
38
39
40
41
42
43
43
44
45
| Позиция на иллюстрации | Заводской номер детали | Название детали | |
|---|---|---|---|
| 1 | 64221-1109110 | Кронштейн | |
| 2 | 201563 | Болт М12х1,25-6gх30 | |
| 3 | 45 9563 1255 | Гайка М12х1,25-6Н | |
| 4 | 8421-1109010 | Фильтр воздушный | |
| 5 | Корпус фильтра | Корпус фильтра | |
| 6 | 8421-1109080 | Элемент фильтрующий | |
| 7 | 6422-1109118 | Хомут | |
| 8 | 201526 | Болт М10х1-6gх45 | |
| 9 | 45 9991 2525 | Гайка М10х1-6Н | |
| 10 | 64227-1109375 | Уплотнитель | |
| 11 | 6422-1109460 | Хомут | |
| 12 | 64221-1109030 | Труба | |
| 13 | 6422-1109144 | Переходник | |
| 14 | 6422-1109468 | Хомут | |
| 15 | 515Б-1109142 | Прокладка | |
| 16 | 6422-1109350 | Патрубок | |
| 17 | 201518 | Болт М10х1 | |
| 18 | 6422-1109146 | Переходник | |
| 19 | 6422-1109177-10 | Решетка | |
| 20 | 6422-1109094 | Кронштейн | |
| 21 | 64221-1109093 | Кронштейн | |
| 22 | 201420 | Болт М6-6gх20 | |
| 23 | 252004 | Шайба 6 | |
| 24 | 252134 | Шайба 6Т | |
| 25 | 250508 | Гайка М6-6Н | |
| 26 | 64221-1109180 | Основание | |
| 27 | 64221-1109182 | Основание | |
| 28 | 6422-1109120 | Хомут | |
| 29 | 6422-1109184 | Элемент упругий | |
| 30 | 375533 | Шайба 8 | |
| 31 | 250975 | Гайка М8х1-6Н | |
| 32 | 258014 | Шплинт 2х20 | |
| 33 | 252005 | Шайба 8 | |
| 34 | 252135 | Шайба 8Т | |
| 35 | 201460 | Болт М8-6gх30 | |
| 36 | 6422-1109318 | Опора верхняя | |
| 37 | 6422-1109320 | Кронштейн | |
| 38 | 5336-8008058-01 | Прижим верхний | |
| 39 | 5336-8008059 | Прижим нижний | |
| 40 | 252136 | Шайба 10.ОТ | |
| 41 | 201501 | Болт М10-6gх35 | |
| 42 | 64221-1109024 | Воздухозаборник | |
| 43 | 6422-1109092 | Хомут | |
| 44 | 201458 | Болт М8-6gх25 | |
| 45 | Гайка М8-6Н | Гайка М8-6Н |
Содержащиеся в справочниках-каталогах запасные части и детали не предлагаются к продаже, а носят исключительно информационный характер