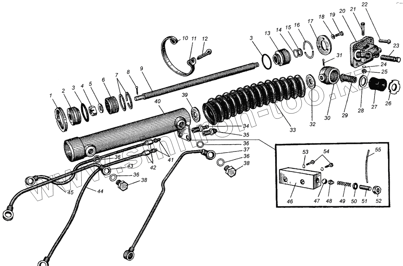
Каталог запасных частей к технике: МАЗ-5429. Гидроусилитель рулевого управления
1
2
3
3
4
5
6
7
7
8
9
10
11
12
13
14
15
16
17
18
19
20
21
22
23
24
25
26
27
28
29
30
31
32
33
34
35
36
36
36
36
37
38
38
39
40
41
42
43
44
45
46
47
48
49
50
51
52
53
54
55
| Позиция на иллюстрации | Заводской номер детали | Название детали | |
|---|---|---|---|
| 258255-П29 | 258255-П29 | Шплинт-проволока болта крышки заднего подшипника первичного вала | |
| 503-3405026 | 503-3405026 | Цилиндр гидроусилителя | |
| 503-3405184-Б | 503-3405184-Б | Трубка от распределителя к цилиндру короткая | |
| 503-3405183-Б | 503-3405183-Б | Трубка от распределителя к цилиндру длинная | |
| 503-3405189-Б | 503-3405189-Б | Трубка от насоса к распределителю | |
| 503-3405177-Б | 503-3405177-Б | Трубка от гидроусилителя руля на слив | |
| 503-3405038-А | 503-3405038-А | Поршень в сборе | |
| 503-3405186-Б | 503-3405186-Б | Наконечник трубопровода | |
| 314802-П | 314802-П | Муфта конусная | |
| 500-3405112 | 500-3405112 | Клапан в сборе | |
| 503-3405010-А1 | 503-3405010-А1 | Гидроусилитель в сборе | |
| 1 | 503-3405282 | Гайка | |
| 2 | 503-3405028 | Пробка цилиндра передняя | |
| 3 | Н1-52х45-2 | Кольцо резиновое | |
| 4 | 250978-П29 | Гайка | |
| 5 | 252016-П29 | Шайба | |
| 6 | 503-3405042-Б | Поршень | |
| 7 | 120-3509164-Б | Кольцо компрессионное | |
| 7 | 200-3509164 | "Кольцо компрессионное (применяется один из вариантов:120-3509164-А, 200-3509164)" | |
| 8 | 258040-П29 | Шплинт | |
| 9 | 503-3405046-Б | Шток гидроусилителя | |
| 10 | 401820-П29 | Лента стяжная | |
| 11 | 297580-П29 | Пряжка хомутика | |
| 12 | 297575-П29 | Шплинт | |
| 13 | 503-3405058 | Пробка цилиндра задняя | |
| 14 | 020-025-30-2-2 | Кольцо | |
| 15 | 503-3405120 | Кольцо защитное | |
| 16 | 503-3405304 | Кольцо стопорное | |
| 17 | 503-3405302 | Шайба ограничительная | |
| 18 | 252154-П2 | Шайба пружинная | |
| 19 | 201418-П29 | Болт | |
| 20 | 503-3405190-Б | Кронштейн задней опоры | |
| 21 | 200320-П29 | Болт | |
| 22 | 256906-П | Заклепка | |
| 23 | 503-3405192 | Палец задней опоры | |
| 24 | 252156-П2 | Шайба пружинная | |
| 25 | 250512-П29 | Гайка | |
| 26 | 503-3405200 | Гайка специальная | |
| 27 | 500А-2905410 | Буфер | |
| 28 | 503-3405194 | Шайба | |
| 29 | 503-3405196 | Втулка головки | |
| 30 | 500-2905462-А | Головка | |
| 31 | 258632 | Штифт | |
| 32 | 503-3405095-А | Шайба | |
| 33 | 503-3405096-А | Муфта защитная | |
| 34 | 401507-П29 | Ниппель | |
| 35 | 379494-П29 | Ниппель | |
| 36 | 018-022-2-2 | Кольцо уплотнительное | |
| 37 | 503-3405181-А | Трубка от'распределителя к цилиндру длинная в сборе | |
| 38 | 503-3405188 | Болт приводной | |
| 39 | 503-3405094 | Шайба защитная | |
| 40 | 503-3405023 | Цилиндр гидроусилителя руля | |
| 41 | 314612-П29 | Штуцер ввертной | |
| 42 | 314708-П29 | Гайка соединительная | |
| 43 | 503-3405182-А | Трубка от распределителя к цилиндру короткая в сборе | |
| 44 | 503-3405185-Б | Трубка от насоса к распределителю в сборе | |
| 45 | 503-3405176-Б | Трубка от гидроусилителя руля на слив в сборе | |
| 46 | 500-3405114 | Корпус клапана | |
| 47 | 201-1114092 | Шарик | |
| 48 | 504Б-8607039-Б | Опора шарика | |
| 49 | 504Б-8607040-12 | Пружина редукционного клапана | |
| 50 | 016-20-25-2-2 | Кольцо резиновое | |
| 51 | 401066-П29 | Винт | |
| 52 | 250636-П29 | Гайка | |
| 53 | 252135-П2 | Шайба | |
| 54 | 201454-П29 | Болт | |
| 55 | 258227-П29 | Шплинт-проволока |
Содержащиеся в справочниках-каталогах запасные части и детали не предлагаются к продаже, а носят исключительно информационный характер