Каталог запасных частей к технике: МАЗ-5429. Дверь кабины
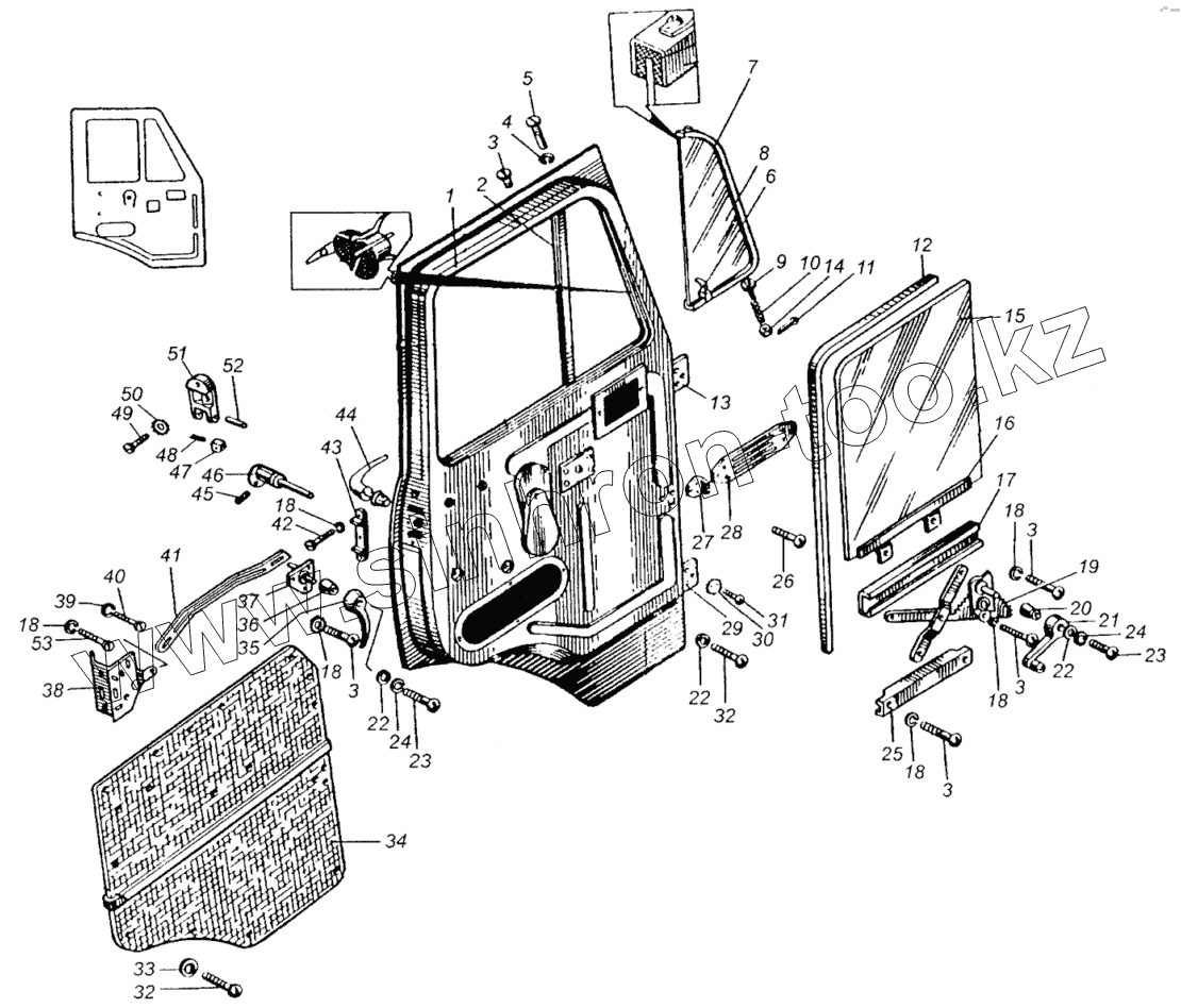
1
2
3
3
3
3
3
4
5
6
7
8
9
10
11
12
13
14
15
16
17
18
18
18
18
18
18
19
19
20
21
22
22
22
23
23
24
24
25
26
27
28
29
29
30
31
32
32
33
34
34
35
36
37
37
38
39
40
41
42
43
44
45
46
47
48
49
50
51
52
53
| Позиция на иллюстрации | Заводской номер детали | Название детали | |
|---|---|---|---|
| 201458-П29 | 201458-П29 | Болт | |
| 220110-П29 | 220110-П29 | Винт | |
| 224622-П29 | 224622-П29 | Винт | |
| 220105-П29 | 220105-П29 | Винт | |
| 220079-П14 | 220079-П14 | Винт | |
| 240822-П29 | 240822-П29 | Винт | |
| 251261-П29 | 251261-П29 | Гайка | |
| 250508-П29 | 250508-П29 | Гайка М6 | |
| 500-6100014 | 500-6100014 | Дверь в сборе без арматуры и окраски правая | |
| 500-6100021 | 500-6100021 | Дверь левая в сборе (без петель) | |
| 500-6100020 | 500-6100020 | Дверь правая в сборе (без петель) | |
| 500-6100011 | 500-6100011 | Дверь с арматурой и стеклами левая в сборе | |
| 500-6100010 | 500-6100010 | Дверь с арматурой и стеклами правая в сборе | |
| 500-6100013 | 500-6100013 | Дверь с замком и петлями левая в сборе | |
| 500-6100012 | 500-6100012 | Дверь с замком и петлями правая в сборе | |
| 500-6103254 | 500-6103254 | Желобок опускного стекла двери передний | |
| 253853-П | 253853-П | Заклепка | |
| 81-6105012-Б | 81-6105012-Б | Замок двери правый в сборе | |
| 212-6105172 | 212-6105172 | Кольцо втулки наружной ручки | |
| 264072-П8 | 264072-П8 | Масленка | |
| 500-6102048 | 500-6102048 | Накладка декоративная обивки двери в сборе | |
| 500-6103220 | 500-6103220 | Обойма опускного стекла правая в сборе | |
| 500-6106024 | 500-6106024 | Ось петли | |
| 500-6106022-Б | 500-6106022-Б | Петля верхняя на кабине правая | |
| 500-6106017 | 500-6106017 | Петля двери верхняя левая | |
| 500-6106016 | 500-6106016 | Петля двери верхняя правая | |
| 500-6106012-Б | 500-6106012-Б | Петля двери верхняя правая в сборе | |
| 500-6106031 | 500-6106031 | Петля нижняя на двери левая | |
| 500-6106030 | 500-6106030 | Петля нижняя на двери правая | |
| 500-6106034-Б | 500-6106034-Б | Петля нижняя на кабине | |
| 500-6106120 | 500-6106120 | Пластина крепления фиксатора | |
| 500-6103218 | 500-6103218 | Прокладка опускного стекла двери | |
| 500-6103054 | 500-6103054 | Прокладка поворотного стекла двери | |
| 500-6103064 | 500-6103064 | Рамка поворотного стекла двери правая | |
| 500-6104068 | 500-6104068 | Рукоятка ручки стеклоподъемника | |
| 500-6103102 | 500-6103102 | Ручка поворотного стекла двери правая | |
| 500-6105252-Б | 500-6105252-Б | Ручка правой двери | |
| 500-6104066 | 500-6104066 | Ручка стеклоподъемника | |
| 500-6103211 | 500-6103211 | Стекло двери опускное левое в сборе | |
| 500-6103210 | 500-6103210 | Стекло двери опускное правое в сборе | |
| 500-6103051 | 500-6103051 | Стекло поворотное двери левое в сборе | |
| 500-6103050 | 500-6103050 | Стекло поворотное двери правое в сборе | |
| 500-6103234-Б | 500-6103234-Б | Стойка опускного стекла двери правая в сборе | |
| 500Т-6103230-Б | 500Т-6103230-Б | Стойка опускного стекла с желобком правая в сборе | |
| 500-6107019 | 500-6107019 | Уплотнитель двери задний | |
| 500-6107024 | 500-6107024 | Уплотнитель двери нижний | |
| 500-6107018 | 500-6107018 | Уплотнитель двери передний | |
| 500-6107020 | 500-6107020 | Уплотнитель дверного проема | |
| 500-6103268 | 500-6103268 | Уплотнитель опускного стекла двери | |
| 500-6103123-02 | 500-6103123-02 | Уплотнитель поворотного стекла двери левый | |
| 500-6103122-02 | 500-6103122-02 | Уплотнитель поворотного стекла двери правый | |
| 500-6103142-Б | 500-6103142-Б | Уплотнитель поворотного стекла на стойке в сборе | |
| 500-6106101 | 500-6106101 | Фиксатор двери левый в сборе | |
| 500-6106104 | 500-6106104 | Фиксатор двери правый | |
| 500-6106100 | 500-6106100 | Фиксатор двери правый в сборе | |
| 252035-П29 | 252035-П29 | Шайба | |
| 252270-П | 252270-П | Шайба зубчатая | |
| 252270-П2 | 252270-П2 | Шайба зубчатая | |
| 500-6105178 | 500-6105178 | Шпилька крепления ручки | |
| 258918-П29 | 258918-П29 | Штифт | |
| 1 | 500-6100015 | Дверь в сборе без арматуры и окраски левая | |
| 2 | 500Т-6103231-Б | Стойка опускного стекла с желобком левая в сборе | |
| 3 | 224622-П29 | Винт | |
| 4 | 252134-П2 | Шайба | |
| 5 | 500-6103074 | Ось рамки поворотного стекла верхняя | |
| 6 | 500-6103103 | Ручка поворотного стекла двери левая | |
| 7 | 500-6103065 | Рамка поворотного стекла двери левая в сборе | |
| 8 | 500-6103052-А | Стекло поворотное двери | |
| 9 | 252005-П29 | Шайба 8 | |
| 10 | 500-6103080 | Пружина зажима оси поворотного стекла | |
| 11 | 258024-П29 | Шплинт | |
| 12 | 500-6103256 | Желобок опускного стекла двери задний | |
| 13 | 500-6106013-Б | Петля двери верхняя левая в сборе | |
| 14 | 250975-П29 | Гайка | |
| 15 | 500-6103214-А | Стекло двери опускное | |
| 16 | 500-6103221 | Обойма опускного стекла левая в сборе | |
| 17 | 500-6104118 | Кулиса стеклоподъемника верхняя | |
| 18 | 252174-П8 | Шайба пружинная зубчатая | |
| 19 | 81-6104013-Б | Стеклоподъемник левый в сборе | |
| 19 | 81-6104012-Б | Стеклоподъемник правый в сборе | |
| 20 | 500-6105184 | Розетка | |
| 21 | 500-6104064 | Ручка стеклоподъемника в сборе | |
| 22 | 252004-П29 | Шайба | |
| 23 | 220079-П29 | Винт | |
| 24 | 252133-П2 | Шайба | |
| 25 | 500-6104112 | Кулиса стеклоподъемника нижняя в сборе | |
| 26 | 500-6106082-Б1 | Ограничитель двери в сборе | |
| 27 | 500-6106094-Б | Накладка ограничителя | |
| 28 | 220107-П29 | Винт | |
| 29 | 500-6106027-Б | Петля двери нижняя левая в сборе | |
| 29 | 500-6106026-Б | Петля двери нижняя правая в сборе | |
| 30 | 252270-П2 | Шайба зубчатая | |
| 31 | 201454-П29 | Болт | |
| 32 | 240620-П13 | Винт | |
| 33 | 252317-П29 | Шайба облицовочная | |
| 34 | 500-6102011 | Обивка двери левая в сборе | |
| 34 | 500-6102010 | Обивка двери правая в сборе | |
| 35 | 500-6105182 | Ручка привода замка | |
| 36 | 500-6105184 | Розетка | |
| 37 | 81-6105083 | Привод замка двери левый в сборе | |
| 37 | 81-6105082 | Привод замка двери правый в сборе | |
| 38 | 81-6105013-Б | Замок двери левый в сборе | |
| 39 | 252263-П2 | Шайба зубчатая | |
| 40 | 223064-П29 | Винт | |
| 41 | 500-6105102 | Тяга привода замка | |
| 42 | 224624-П29 | Винт | |
| 43 | 500-6106130 | Пластина крепления шипов в сборе | |
| 44 | 500-6105152 | Ручка двери наружная в сборе | |
| 45 | 242471-П29 | Винт | |
| 46 | 81Б-6105430 | Выключатель замка двери в сборе | |
| 47 | 500-6106108 | Сухарь фиксатора двери | |
| 48 | 500-6106110 | Пружина | |
| 49 | 221666-П29 | Винт | |
| 50 | 252264-П2 | Шайба зубчатая | |
| 51 | 500-6106105 | Фиксатор двери левый | |
| 52 | 255085-П29 | Заклепка | |
| 53 | 224622-П29 | Винт |
Содержащиеся в справочниках-каталогах запасные части и детали не предлагаются к продаже, а носят исключительно информационный характер