Вернуться на главную
Поиск
Каталоги запчастей к технике
Грузовые автомобили и прицепы
МАЗ
МАЗ-53366
Установка регулятора давления и влагоотделителя
Каталог запасных частей к технике: МАЗ-53366. Установка регулятора давления и влагоотделителя
zoom-in
zoom-out
enlarge
shrink
circle-right
circle-left
file-text2
info
cart
Тип техники
Не выбрано
Легковые автомобили
Грузовые автомобили и прицепы
Автобусы
Сельхозтехника
Спецтехника
Двигатели
Мототехника
Марка
Не выбрано
BAW
DAF
DongFeng
FAW
Foton
HOWO
Hyundai
IVECO
JAC Motors
LGMG
MAN
Shaanxi
SITRAK
Studebaker
Tata
Volvo
Автокомпонент Плюс
БелАЗ
Брянский Арсенал
ГАЗ
ЗИЛ
КАЗ
Камский автозавод
КрАЗ
Мадара
МАЗ
МЗКТ
МоАЗ
Нефтекамский автозавод
Ставропольский Завод АвтоПрицепов
ТАТРА
Тонар
УралАЗ
ЧМЗАП
Модель
Не выбрано
KNORR-BREMSE применяемых на технике МАЗ
КПП МАЗ-543205-070
МАЗ-3PP59 (1999)
МАЗ-437030 (Зубренок) (2004)
МАЗ-437040 (Зубренок) (2002)
МАЗ-437040 (Зубренок) (2005)
МАЗ-437041 (Зубренок) (2010)
МАЗ-437043 (Зубренок) (2011)
МАЗ-437130 (Зубренок) (2008)
МАЗ-4371P2-0000421-000 (2013)
МАЗ-500А
МАЗ-503А
МАЗ-504А
МАЗ-504В (2005)
МАЗ-530905 (2009)
МАЗ-5335 (2004)
МАЗ-5336 (2005)
МАЗ-53363
МАЗ-53366
МАЗ-5337
МАЗ-5337 (2005) (2005)
МАЗ-53371
МАЗ-533731 (2009)
МАЗ-533731 (2012)
МАЗ-5429 (2003)
МАЗ-543 (7310) (2008)
МАЗ-5432 (2003)
МАЗ-543202 (2003)
МАЗ-54321
МАЗ-54323
МАЗ-54326 (2000)
МАЗ-54328
МАЗ-5433
МАЗ-5434
МАЗ-543403, 641705, 641708 (2010)
МАЗ-5440 (2002)
МАЗ-544018 (2011)
МАЗ-544069
МАЗ-5440B5 (2013)
МАЗ-5440B9, 6430B9 (2013)
МАЗ-5440E9 (2011)
МАЗ-5516
МАЗ-5516 (2003) (2003)
МАЗ-551605 (2007)
МАЗ-551608, 630308 (2007)
МАЗ-551669 (2008)
МАЗ-5516А5 (2007)
МАЗ-5549 (2003)
МАЗ-5550V3 (V5) (2011)
МАЗ-5551
МАЗ-5551 (2003) (2003)
МАЗ-555102, 5551А2 (2007)
МАЗ-555142 (2007)
МАЗ-6303 (2000)
МАЗ-6303 (2005) (2005)
МАЗ-630333 (2012)
МАЗ-6303A3, 6303A5 (2007)
МАЗ-631019 (2014)
МАЗ-631236 (2007)
МАЗ-6312B9-0008425-012 (2015)
МАЗ-6317
МАЗ-631705 (2010)
МАЗ-631705, 631708 (2010)
МАЗ-6422 (2003)
МАЗ-6422, 5432 (2007)
МАЗ-64221
МАЗ-64226 (2000)
МАЗ-64229
МАЗ-642505, 642508 (2006)
МАЗ-64255
МАЗ-643018 (2015)
МАЗ-643068 (2003)
МАЗ-6430A8 (5440A8, 5440A5) (2008)
МАЗ-650108 (2008)
МАЗ-650119 (2010)
МАЗ-6501B9 (2014)
МАЗ-6501B9 (2015)
МАЗ-651669-320 (340) (2009)
МАЗ-6516V8-520 (6516V8-540) (2011)
МАЗ-651705 (2009)
МАЗ-6517X9-0000410 (2014)
МАЗ-74131 (1996)
МАЗ-83781
МАЗ-9008
МАЗ-93802
МАЗ-93866
МАЗ-938662
МАЗ-93892
МАЗ-9506
МАЗ-9758
МАЗ-9758-30
Общий (см. мод-ции)
Справочник
Схема
>
Не выбрано
Каркас кабины
Заднее подрессоривание кабины
Переднее подрессоривание кабины
Запорный механизм кабины
Механизм подъема кабины
Установка стекол, зеркал и противосолнечных козырьков, крышки вентиляционного люка
Панель приборов
Дверь кабины
Механизм подъема стекла
Крепление наружной ручки, ограничителя и петель двери
Установка дверей, ящика и упора
Остов сидения водителя и переднего сидения
Подставка сиденья и регулировочные механизмы
Установка переднего сиденья и поручней
Сиденье
Подставка сиденья с пневмооборудованием
Установка и пневмопитание сидений
Установка обтекателя кабины
Отопитель
Установка шлангов и крана управления отопителем
Кран управления отопителем
Установка воздушных заслонок и отопителя кабины
Установка поручней в кабине
Установка вещевой полки и шторки
Установка спальных мест, штор и холодильника
Установка передних крыльев и подножек
Установка бортов и стоек
Установка каркаса и тента
Крепление силового агрегата МАЗ-53366
Крепление силового агрегата МАЗ-53363, МАЗ-6303
Масляные радиаторы и крепление
Масляные радиаторы и крепление
Заливка и контроль уровня масла
Топливный бак и его крепление
Топливопроводы системы питания с подогревом двигателя
Топливопроводы системы питания
Привод подачи топлива
Установка воздушного фильтра и воздухозаборника
Крепление глушителя и вспомогательного тормоза МАЗ-53366
Крепление глушителя и вспомогательного тормоза МАЗ-53363, МАЗ-6303
Установка радиатора и расширительного бачка
Шторка радиатора и его привод
Педаль сцепления и тормоза с тягами
Привод включения сцепления и тормозного крана
Механизм выключения сцепления
Клапан усилителя выключения сцепления
Механизм переключения передач
Рычаг коробки передач
Привод коробки передач
Механизм промежуточного привода коробки передач
Трубопроводы механизма переключения дополнительной коробки передач
Установка карданных валов
Валы карданные
Мост задний (дисковые колеса)
Мост задний с дисками (бездисковые колеса)
Картер среднего и заднего мостов с полуосями и цапфами МАЗ-6303
Картер заднего моста с полуосями и цапфами
Шестерня ведущая и картер заднего моста
Шестерня ведущая заднего моста
Дифференциал заднего моста
Редуктор заднего моста. Промежуточный картер
Детали колесной передачи (дисковые колеса)
Детали колесной передачи (бездисковые колеса)
Механизм блокировки межосевого дифференциала
Мост средний с дисками (дисковые колеса)
Мост средний с дисками (бездисковые колеса)
Мост средний. Редуктор с картером моста
Редуктор среднего моста. Картер редуктора с дифференциалом
Редуктор среднего моста. Межмостовой дифференциал с картером шестерен
Мост средний. Вал задний
Рама
Рама МАЗ-6303
Установка буксирного прибора и заднего бампера. Беззазорная сцепка
Крепление бампера
Установка передней рессоры
Установка задней подвески
Установка задней подвески МАЗ-6303
Ось передняя (дисковое колесо)
Ось передняя (бездисковое колесо)
Ось передняя и ступица переднего колеса
Балка передней оси
Тяга продольная рулевая
Тяга поперечная рулевая
Ступица переднего дискового колеса
Ступица переднего бездискового колеса
Крепление передних дисковых колес
Крепление задних дисковых колес
Крепление переднего бездискового колеса
Крепление задних бездисковых колес
Ступица задняя (дисковое колесо)
Ступица и тормозной барабан заднего бездискового колеса
Установка дискового запасного колеса
Установка бездискового запасного колеса
Установка рулевого управления
Механизм рулевой
Механизм рулевой с распределителем гидроусилителя рулевого управления
Механизм регулировочный рулевой колонки
Распределитель гидроусилителя рулевого управления
Силовой цилиндр гидроусилителя рулевого управления
Колонка рулевая с колесом рулевого управления
Крепление кожухов на рулевой колонке
Рулевое управление. Бак масляный
Рулевое управление. Насос
Тормозной механизм передних дисковых колес
Тормозной механизм передний (бездисковое колесо)
Тормозной механизм заднего дискового колеса
Тормозной механизм задних бездисковых колес
Рычаги регулировочные
Привод тормозов среднего моста
Схема тормозного привода автомобилей МАЗ-53363, МАЗ-53366 без АБС
Схема тормозного привода автомобиля МАЗ-6303 без АБС
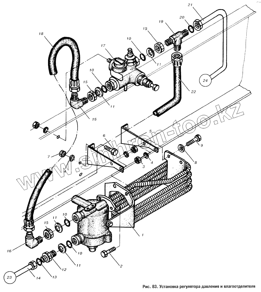
Установка регулятора давления и влагоотделителя
Присоединительная арматура к ресиверам без АБС
Установка ускорительных и двухмагистрального клапанов без АБС
Присоединительная арматура к тормозному крану и клапану управления без АБС
Схема тормозного привода автомобиля МАЗ-53366 с АБС
Схема тормозного привода автомобиля МАЗ-6303 с АБС
Крепление влагоотделителя с АБС
Установка аппаратов с АБС
Присоединительная арматура к ресиверам с АБС
Присоединительная арматура к тормозному крану и крану управления прицепом с АБС
Крепление ресивером с АБС
Крепление передних тормозных камер с АБС
Регулятор тормозных сил
Компрессор
Влагоотделитель
Кран тормозной
Клапан управления с двухпроводным приводом
Клапан контрольного вывода
Клапан ускорительный
Крепление тормозных камер на заднем мосту
Камера тормозная (передняя)
Камера тормозная (задняя)
Соединительная головка
Регулятор тормозных сил
Предохранитель против замерзания
Кран тормозной с ручным управлением
Клапан двухмагистральный
Установка привода останова двигателя и вспомогательного тормоза
Вспомогательный тормоз
Электрооборудование
Установка переключателя на рулевой колонке
Установка фар
Установка стеклоочистителей, подфарников габаритных огней, плафонов освещения кабины и спальных мест, боковых повторителей
Установка задних фонарей
Установка электрических сигналов
Установка фонарей знака автопоезда
Установка аккумуляторной батареи
Крепление аккумуляторного ящика
Установка аккумуляторных батарей
Колодки, контакты, наконечники
Резинотехнические изделия электрооборудования
Электрооборудование АБС на МАЗ-53366
Электрооборудование АБС на кабине
Установка блока АБС
Электрооборудование АБС тормозов шасси МАЗ-53366
Электрооборудование АБС тормозов шасси МАЗ-6303
Электрооборудование АБС на МАЗ-6303
Щиток приборов
Датчик спидометра и его установка
1
2
3
4
4
5
6
7
8
9
10
10
10
10
11
11
11
11
12
13
14
15
15
15
16
16
17
18
19
20
21
22
23
24
Позиция на иллюстрации
Заводской номер детали
Название детали
1
11.3511010
Влагоотделитель в сборе
2
201499
Болт М10-6gх30
3
250512
Гайка М10-6Н
4
252136
Шайба 10.ОТ
5
5336-3536035-10
Кронштейн
6
201540
Болт М12-6gх30
7
250514
Гайка М12-6Н
8
252007
Шайба 12
9
201496
Болт
10
020-025-30-2-3
Кольцо
11
376145
Шайба 22
12
404304
Штуцер
13
012-016-25-2-3
Кольцо
14
6422-3506142-10
Трубка
15
374839
Гайка М22х1,5-6Н
16
402801
Угольник
17
11.3512010
Регулятор давления с предохранительным клапаном в сборе
18
5336-3506187-01
Шланг к клапану четырехконтурному
19
403039
Тройник
20
008-011-19-2-3
Кольцо
21
64229-3506130-10
Трубка
22
6422-3506085-01
Шланг к задним тормозным камерам
23
К компрессору
К компрессору
24
К клапану контрольного вывода
К клапану контрольного вывода
Содержащиеся в справочниках-каталогах запасные части и детали не предлагаются к продаже, а носят исключительно информационный характер
Дополнительная информация
×
Название:
Номер:
Примечание: