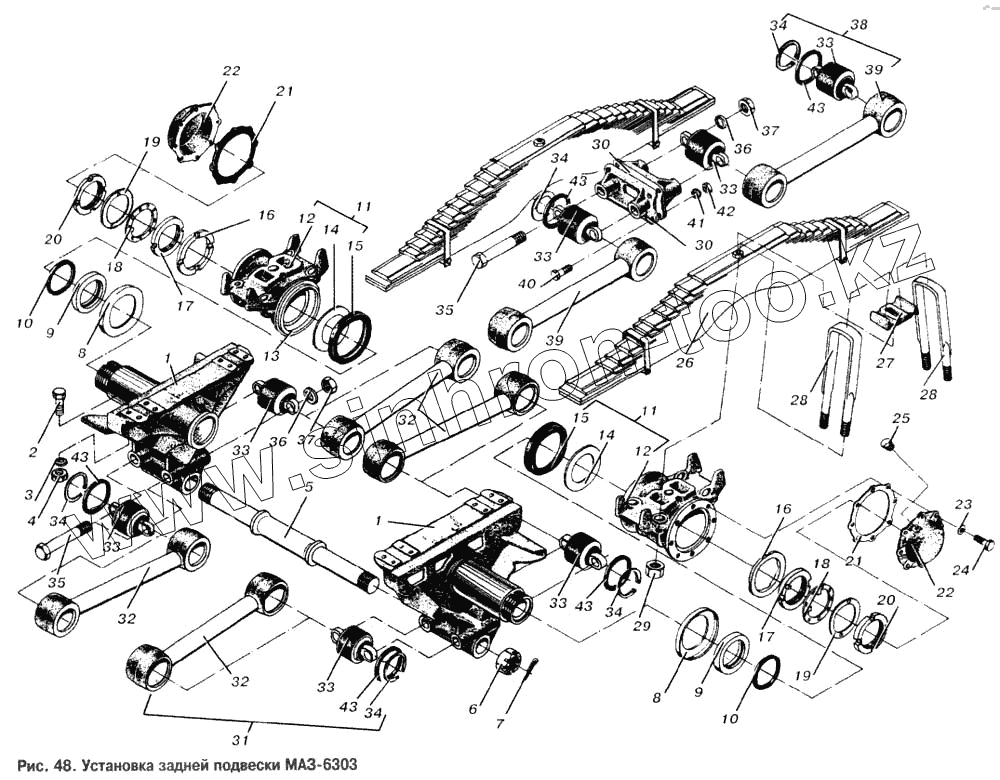
Каталог запасных частей к технике: МАЗ-53363. Установка задней подвески МАЗ-6303
1
1
2
3
4
5
6
7
8
8
9
9
10
10
11
11
12
12
13
14
14
15
15
16
16
17
17
18
18
19
19
20
20
21
21
22
22
23
24
25
26
27
28
28
29
30
30
31
32
32
32
33
33
33
33
33
33
33
34
34
34
34
34
35
35
36
36
37
37
38
39
39
40
41
42
43
43
43
43
43
| Позиция на иллюстрации | Заводской номер детали | Название детали | |
|---|---|---|---|
| 64229-2912012 | 64229-2912012 | Рессора | |
| 5516-2912012 | 5516-2912012 | Рессора | |
| 1 | 64221-2918150-10 | Кронштейн с осью в сборе | |
| 2 | 371096 | Болт М24х2-6gх75 | |
| 3 | 252143 | Шайба 24Т | |
| 4 | 374650 | Гайка М24х2-6Н | |
| 5 | 64221-2918164-10 | Стяжка | |
| 6 | 375107 | Гайка М48х2-5Н6Н | |
| 7 | 258101 | Шплинт 8х80 | |
| 8 | 6303-2918068 | Шайба | |
| 9 | 6303-2918156 | Кольцо распорное | |
| 10 | 122-130-46-2-3 | Кольцо распорное | |
| 11 | 6303-2918018 | Балансир в сборе | |
| 12 | 6303-2918020 | Балансир | |
| 13 | 938-2918022 | Втулка балансира | |
| 14 | 6303-2918044 | Кольцо упорное | |
| 15 | 5373103037-01 | Сальник с пружиной | |
| 16 | 6303-2918045 | Кольцо упорное | |
| 17 | 64221-2918190 | Гайка кольцевая | |
| 18 | 64221-2918198 | Шайба стопорная | |
| 19 | 938-2918200 | Шайба замковая | |
| 20 | 64221-2918202 | Гайка | |
| 21 | 6303-2918122 | Прокладка | |
| 22 | 6303-2918118 | Крышка балансира | |
| 23 | 252155 | Шайба 8Л | |
| 24 | 201456 | Болт М8-6gх20 | |
| 25 | 54323-2401142 | Пробка МК24 | |
| 26 | 256Б-2912012-11 | Рессора задняя | |
| 27 | 6303-2912412 | Накладка рессоры | |
| 28 | 6303-2912408 | Стремянка задней рессоры | |
| 29 | 349600 | Гайка М30х2-5Н6Н | |
| 30 | 64221-2919044 | Кронштейн | |
| 31 | 64221-2919014 | Штанга реактивная | |
| 32 | 64221-2919018 | Труба с головками | |
| 33 | 64221-2919040 | Шарнир штанги | |
| 34 | 64221-2919032 | Кольцо пружинное | |
| 35 | 371095 | Болт М24х2-6gх275 | |
| 36 | 252143 | Шайба 24Т | |
| 37 | 374650 | Гайка М24х2-6Н | |
| 38 | 64221-2919015 | Штанга реактивная | |
| 39 | 64221-2919016 | Труба с головками | |
| 40 | 372608 | Болт М16х1,5-6gх70 | |
| 41 | 252139 | Шайба 16.ОТ | |
| 42 | 374727 | Гайка М16х1,5-5Н6Н | |
| 43 | 64221-2919026 | Кольцо |
Содержащиеся в справочниках-каталогах запасные части и детали не предлагаются к продаже, а носят исключительно информационный характер