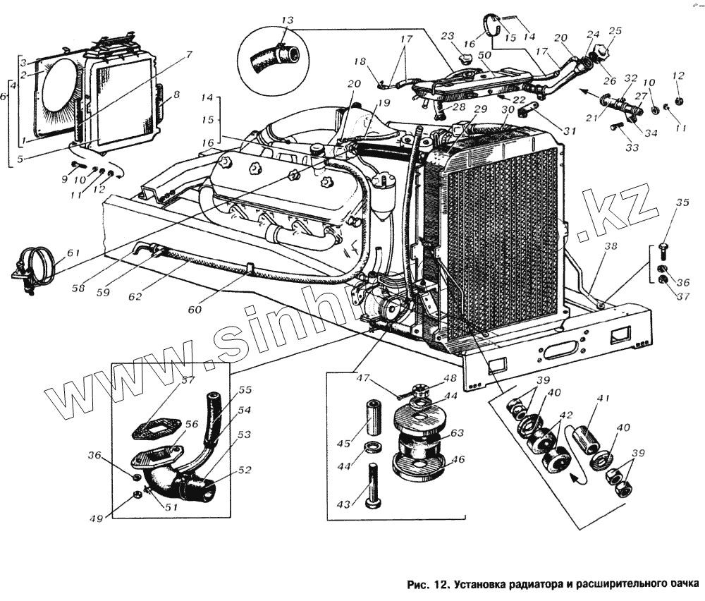
Каталог запасных частей к технике: МАЗ-53363. Установка радиатора и расширительного бачка
1
2
3
4
5
6
7
8
9
10
10
11
11
12
12
13
14
14
15
15
16
16
17
17
18
19
20
20
21
22
23
24
25
26
27
28
29
30
31
32
33
34
35
36
36
37
38
39
39
40
40
41
42
43
44
44
45
46
47
48
49
50
51
52
53
54
55
56
57
58
59
60
61
62
63
| Позиция на иллюстрации | Заводской номер детали | Название детали | |
|---|---|---|---|
| 1 | 64229-1309016 | Уплотнитель | |
| 2 | 64227-1309012-20 | Кожух | |
| 3 | 64227-1309015 | Уплотнитель | |
| 4 | 64227-1309011-20 | Кожух в сборе | |
| 5 | 54325-1301010-01 | Радиатор | |
| 6 | 64229-1301009 | Радиатор с кожухом | |
| 7 | 6422-1310058-01 | Уплотнитель боковой в сборе | |
| 8 | 6422-1310059-01 | Уплотнитель боковой в сборе | |
| 9 | 201422 | Болт М6-6gх25 | |
| 10 | 252004 | Шайба 6 | |
| 11 | 252134 | Шайба 6Т | |
| 12 | 250508 | Гайка М6-6Н | |
| 13 | 500-1303160 | Хомут | |
| 14 | 297575 | Шплинт 5,6х22 | |
| 15 | 297580 | Пряжка | |
| 16 | 297582 | Лента | |
| 17 | 54229-1304041-010 | Трубка | |
| 18 | 64401-1303337 | Угольник | |
| 19 | 64229-1304051 | Трубка | |
| 20 | 54401-1303335 | Угольник | |
| 21 | 6422-1303172 | Шланг | |
| 22 | 64229-1305010 | Краник сливной | |
| 23 | 6430-1304010 | Пробка | |
| 24 | 64221-1304014-01 | Труба заливная | |
| 25 | 64221-131053 | Пробка | |
| 26 | 052-058-36-2-3 | Кольцо | |
| 27 | 6422-1304084 | Уплотнитель | |
| 28 | 504В-1013108 | Шланг | |
| 29 | 6422-1311057-01 | Прокладка | |
| 30 | 5336-1303010 | Шланг радиатора подводящий (1-420 мм, диаметр 42Х52) | |
| 31 | 6422-1304034 | Кронштейн | |
| 32 | 64229-1303506 | Хомут | |
| 33 | 201418 | Болт М6-6gх16 | |
| 34 | 379204 | Кляммер | |
| 35 | 201499 | Болт М10-6gх30 | |
| 36 | 252136 | Шайба 10.ОТ | |
| 37 | 250512 | Гайка М10-6Н | |
| 38 | 5336-1302137 | Тяга | |
| 39 | 250615 | Гайка М12х1,25-6Н | |
| 40 | 5335-1302063 | Чашка малая | |
| 41 | 500-1302138 | Втулка распорная | |
| 42 | 500-3508139 | Подушка малая | |
| 43 | 205157 | Болт 2М12х1,25-6gх70 | |
| 44 | 252018 | Шайба 18 | |
| 45 | 500-1302124 | Втулка распорная | |
| 46 | 204-1302062 | Чашка подушки | |
| 47 | 258040 | Шплинт 3,2х25 | |
| 48 | 250977 | Гайка М12х1,25-6Н | |
| 49 | 250513 | Гайка М10х1-6Н | |
| 50 | 64227-1311010 | Расширительный бачок в сборе | |
| 51 | ВС11-8101010 | Кран | |
| 52 | 6422-1303025 | Шланг радиатора отводящий (1-176 мм, диаметр 60х70) | |
| 53 | 64229-1303530 | Хомут | |
| 54 | 64229-1303650 | Хомут | |
| 55 | 6422-1303168 | Рукав | |
| 56 | 6422-1303240 | Патрубок | |
| 57 | 64229-1303245 | Прокладка | |
| 58 | 64229-1303514 | Хомут | |
| 59 | 401870 | Кляммер | |
| 60 | 6422-1014011 | Кронштейн | |
| 61 | 64229-1353514 | Хомут | |
| 62 | 5048-1311048 | Шланг | |
| 63 | 204-1302060-01 | Подушка |
Содержащиеся в справочниках-каталогах запасные части и детали не предлагаются к продаже, а носят исключительно информационный характер