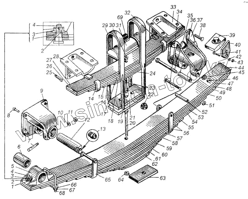
Каталог запасных частей к технике: МАЗ-5335. Рессора задняя
1
1
2
2
3
3
4
4
5
5
6
7
8
9
10
11
12
13
14
15
16
17
18
19
20
21
22
23
24
25
26
27
28
28
28
28
29
30
31
31
32
34
35
36
37
38
39
40
41
42
43
45
46
47
47
48
48
49
49
50
50
51
52
53
53
54
54
55
55
56
57
57
58
59
59
60
60
61
61
62
62
63
64
65
66
67
68
69
| Позиция на иллюстрации | Заводской номер детали | Название детали | |
|---|---|---|---|
| 516-2912032 | 516-2912032 | Болт центровой задней рессоры | |
| 294430-П | 294430-П | Заклепка | |
| 294434-П | 294434-П | Заклепка | |
| 294432-П | 294432-П | Заклепка | |
| 256906-П | 256906-П | Заклепка | |
| 256910-П | 256910-П | Заклепка | |
| 256838-П | 256838-П | Заклепка | |
| 509-2912610-А | 509-2912610-А | Кронштейн | |
| 500А-2912446 | 500А-2912446 | Кронштейн задней рессоры, задний | |
| 509-2912447-10 | 509-2912447-10 | Кронштейн задний задней рессоры | |
| 509-2912446-03 | 509-2912446-03 | Кронштейн | |
| 509-2912444 | 509-2912444 | Кронштейн передний задней рессоры | |
| 509-2912053-Б | 509-2912053-Б | Лист № 10 задней рессоры с хомутами в сборе | |
| 509-2912114-Б | 509-2912114-Б | Лист № 14 задней рессоры | |
| 509-2912115-Б | 509-2912115-Б | Лист № 15 задней рессоры | |
| 500А-2913052 | 500А-2913052 | Лист № 4 дополнительной рессоры с хомутами в сборе | |
| 500А-2912051-01 | 500А-2912051-01 | Лист № 4 задней рессоры с накладкой в сборе | |
| 509-2912051-В | 509-2912051-В | Лист № 4 задней рессоры с накладкой в сборе | |
| 509-2912052-Б | 509-2912052-Б | Лист № 5 задней рессоры с хомутами в сборе | |
| 500-2912046 | 500-2912046 | Палец крепления накладного ушка задней рессоры с гайкой, втулкой и шайбой в сборе | |
| 500-2912620 | 500-2912620 | Пластина буфера задней рессоры | |
| 500А-2913012 | 500А-2913012 | Рессора дополнительная | |
| 509-2912012-Б | 509-2912012-Б | Рессора задняя в сборе | |
| 500А-2912012 | 500А-2912012 | Рессора задняя в сборе | |
| 509-2912063 | 509-2912063 | Хомут 10-го листа задней рессоры | |
| 500-2912063 | 500-2912063 | Хомут | |
| 258069-П29 | 258069-П29 | Шплинт | |
| 1 | 500-2912018 | Втулка | |
| 2 | 252020-П29 | Шайба | |
| 3 | 374932-П29 | Гайка | |
| 4 | 500-2912020 | Палец крепления ушка задней рессоры | |
| 5 | 500-2912016 | Ушко задней рессоры | |
| 5 | 500-2912015 | Ушко задней рессоры в сборе | |
| 6 | 200-2912028 | Втулка ушка задней рессоры | |
| 7 | 500А-2912482 | Клин пальца ушка задней рессоры | |
| 8 | 252899-П | Заклепка | |
| 9 | 500А-2912444 | Кронштейн задней рессоры, передний | |
| 10 | 252137-П2 | Шайба пружинная | |
| 11 | 250514-П29 | Гайка | |
| 12 | 500А-2912478 | Палец | |
| 13 | 264020-П8 | Пресс-масленка | |
| 14 | 500А-2913062 | Хомут 4-го листа дополнительной рессоры | |
| 15 | 500А-2913105 | Лист № 5 дополнительной рессоры | |
| 16 | 500А-2913104 | Лист № 4 дополнительной рессоры | |
| 17 | 500А-2913103 | Лист № 3 дополнительной рессоры | |
| 18 | 500А-2913106 | Лист № 6 дополнительной рессоры | |
| 19 | 500А-2912419 | Лист подкладной нижний | |
| 20 | 371796-П29 | Болт центровой задней рессоры | |
| 21 | 500А-2912418 | Пластина | |
| 22 | 375059-П29 | Гайка | |
| 23 | 371797-П29 | Болт центровой дополнительной рессоры | |
| 24 | 500Т-2913107-Б | Лист № 6 дополнительной рессоры | |
| 25 | 257109-П | Заклепка | |
| 26 | 500А-2913102 | Лист 2 | |
| 27 | 500А-2913101 | Лист № 1 дополнительной рессоры | |
| 28 | 5428-2913444 | Кронштейн дополнительной рессоры | |
| 28 | 500-2913444-А | Кронштейн | |
| 28 | 504А-2913444 | Кронштейн дополнительной рессоры | |
| 28 | 501-2913444-03 | Кронштейн дополнительной рессоры | |
| 29 | 509-2912408 | Стремянка задней рессоры | |
| 30 | 250515-П29 | Гайка | |
| 31 | 501-2912412-А | Накладка задней рессоры | |
| 31 | 5206-2912412 | Накладка задней рессоры | |
| 32 | 500А-2913062 | Хомут 4-го листа дополнительной рессоры | |
| 34 | 200332-П29 | Болт | |
| 35 | 200880-П29 | Болт | |
| 36 | 200-2912452 | Втулка распорная | |
| 37 | 500А-2912447 | Кронштейн задней рессоры задний | |
| 38 | 252899-П | Заклепка | |
| 39 | 504Н-2902449 | Вкладыш кронштейна рессоры | |
| 40 | 500-2912448-Б | Вкладыш боковой | |
| 41 | 221725-П29 | Винт | |
| 42 | 252136-П2 | Шайба | |
| 43 | 250512-П29 | Гайка | |
| 45 | 252139-П2 | Шайба | |
| 46 | 250560-П29 | Гайка | |
| 47 | 509-2912101-В | Лист № 1 задней рессоры | |
| 47 | 500-2912101-Б | Лист № 1 задней рессоры | |
| 48 | 509-2912102-Б | Лист № 2 задней рессоры | |
| 48 | 500А-2912102 | Лист № 2 задней рессоры | |
| 49 | 509-2912103-Б | Лист № 3 задней рессоры | |
| 49 | 500А-2912103 | Лист № 3 задней рессоры | |
| 50 | 509-2912104-Б | Лист № 4 задней рессоры | |
| 50 | 500А-2912104 | Лист № 4 задней рессоры | |
| 51 | 250512-П29 | Гайка | |
| 52 | 200-2902068 | Трубка распорная хомута рессоры | |
| 53 | 509-2912105-Б | Лист № 5 задней рессоры | |
| 53 | 500А-2912105 | Лист № 5 задней рессоры | |
| 54 | 509-2912106-Б | Лист № 6 задней рессоры | |
| 54 | 500А-2912106 | Лист № 6 задней рессоры | |
| 55 | 509-2912107-Б | Лист № 7 задней рессоры | |
| 55 | 500А-2912107 | Лист № 7 задней рессоры | |
| 56 | 500А-2912052 | Лист № 8 задней рессоры с хомутами в сборе | |
| 57 | 509-2912108-Б | Лист № 8 задней рессоры | |
| 57 | 500А-2912108 | Лист № 8 задней рессоры | |
| 58 | 500А-2912109 | Лист № 9 задней рессоры | |
| 59 | 509-2912110-Б | Лист № 10 задней рессоры | |
| 59 | 500А-2912110 | Лист № 10 задней рессоры | |
| 60 | 509-2912111-Б | Лист № 11 задней рессоры | |
| 60 | 500А-2912111 | Лист № 11 задней рессоры | |
| 61 | 509-2912112-Б | Лист № 12 задней рессоры | |
| 61 | 500А-2912112 | Лист № 12 задней рессоры | |
| 62 | 509-2912113-Б | Лист № 13 задней рессоры | |
| 62 | 500А-2912113 | Лист № 13 задней рессоры | |
| 63 | 503-2912416 | Прокладка клинковая | |
| 64 | 250515-П29 | Гайка | |
| 65 | 500А-2912062 | Хомут 8-го листа задней рессоры | |
| 66 | 5335-2912025 | Накладка | |
| 67 | 374727-П29 | Гайка | |
| 68 | 500-2912024 | Стремянка ушка рессоры | |
| 69 | 509-2912624 | Буфер задней рессоры | |
| 83 | 509-2912109-Б | Лист № 9 задней рессоры |
Содержащиеся в справочниках-каталогах запасные части и детали не предлагаются к продаже, а носят исключительно информационный характер