Каталог запасных частей к технике: МАЗ-5335. Привод пневматический тормозов автомобиля МАЗ-5549
1
2
3
4
5
6
7
8
8
8
8
9
10
11
12
13
14
15
15
16
17
17
18
19
19
20
20
21
21
22
23
24
25
25
25
26
27
28
29
30
31
32
32
33
33
34
35
36
37
38
39
40
41
42
43
44
44
44
45
46
47
48
49
50
51
52
53
54
55
56
57
58
59
60
| Позиция на иллюстрации | Заводской номер детали | Название детали | |
|---|---|---|---|
| 375010-П29 | 375010-П29 | Гайка | |
| 201424-П29 | 201424-П29 | Болт | |
| 379762-П29 | 379762-П29 | Угольник конечный | |
| 120-3506365-А2 | 120-3506365-А2 | Стержень крана отбора воздуха в сборе | |
| 5335-3512002 | 5335-3512002 | Регулятор давления с кронштейном в сборе | |
| 008-011-19-2-2 | 008-011-19-2-2 | Кольцо | |
| 012-016-25-2-2 | 012-016-25-2-2 | Кольцо резиновое | |
| 120-3506353-Б | 120-3506353-Б | Корпус крана отбора воздуха | |
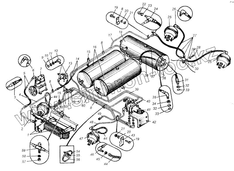
| 1 | 11.3511010 | Влагоотделитель в сборе | |
| 2 | 533507-3506178 | Трубка от компрессора к влагоотделителю в сборе | |
| 3 | 379501-П29 | Ниппель | |
| 4 | 5335-3506142 | Трубка от влагоотделителя к регулятору давления со шлангом в сборе | |
| 5 | 533507-3506197 | Трубка от компрессора к влагоотделителю со шлангом в сборе | |
| 6 | 379652-П29 | Угольник воздухопровода | |
| 7 | 500-3509015-Б1 | Компрессор в сборе | |
| 8 | 315407-П29 | Кляммер воздухопровода | |
| 9 | 020-025-30-2-2 | Кольцо | |
| 10 | 376145-П29 | Шайба | |
| 11 | 374939-П29 | Гайка | |
| 12 | 402776-П29 | Угольник | |
| 13 | 11.3512010 | Регулятор давления с предохранительным клапаном в сборе | |
| 14 | 5549-3506148 | Трубка от регулятора давления к воздушному баллону со шлангом в сборе | |
| 15 | 379696-П2 | Кляммер | |
| 16 | 6303-3513015 | Ресивер А40-280 | |
| 17 | 5549-3506289 | Трубка от тормозного крана к задним тормозным камерам в сборе | |
| 18 | 5336-3513015 | Ресивер | |
| 19 | 201420-П29 | Болт М6х20 | |
| 20 | 252134-П2 | Шайба | |
| 21 | 250508-П29 | Гайка М6 | |
| 22 | 250512-П29 | Гайка | |
| 23 | 252136-П2 | Шайба | |
| 24 | 402774-П29 | Тройник | |
| 25 | 500-3519110-01 | Тормозная камера задняя в сборе | |
| 25 | 500-3519110 | Тормозная камера задняя в сборе | |
| 26 | 379650-П29 | Угольник конечный | |
| 27 | 500-3506098 | Тройник со шлангами к задним тормозным камерам в сборе | |
| 28 | 201495-П29 | Болт | |
| 29 | 252136-П2 | Шайба | |
| 30 | 500-3506293-10 | Тройник | |
| 31 | 404314-П29 | Штуцер | |
| 32 | 376145-П29 | Шайба | |
| 33 | 020-025-30-2-2 | Кольцо | |
| 34 | 374939-П29 | Гайка | |
| 35 | 402741-П29 | Угольник | |
| 36 | 100-3515110 | Клапан защитный двойной в сборе | |
| 37 | 5336-3506187 | Шланг от двойного защитного клапана к левому воздушному баллону в сборе | |
| 38 | 5549-3506187 | Шланг от воздушного баллона к тормозному крану в сборе | |
| 39 | 5549-3506240 | Трубка от левого воздушного баллона к тормозному крану в сборе | |
| 40 | 5549-3506243 | Трубка от правого воздушного баллона к тормозному крану в сборе | |
| 41 | 100-3514008 | Кран с рычагом в сборе | |
| 42 | 504В-3514150-И | Кронштейн крепления тормозного крана | |
| 43 | 315409-П29 | Кляммер двойной | |
| 44 | 500-3506060-Б2 | Шланг | |
| 45 | 250640-П29 | Гайка | |
| 46 | 200-3506078-Б | Ниппель угловой | |
| 47 | 500-3519010-01 | Камера тормозная | |
| 48 | 5335-3506283 | Соединитель | |
| 49 | 509АТ-1602766-01 | Трубка к пневмоусилителю сцепления | |
| 50 | 379053-П29 | Угольник конечный | |
| 51 | 403042-П29 | Тройник | |
| 52 | 120-3506350-А1 | Кран отбора воздуха в сборе | |
| 53 | 5335-3506248 | Трубка к пневматическому крану управления подъема платформы передняя в сборе | |
| 54 | 401804-П29 | Лента стяжная | |
| 55 | 297575-П29 | Шплинт | |
| 56 | 297580-П29 | Пряжка хомутика | |
| 57 | 250512-П29 | Гайка | |
| 58 | 252136-П2 | Шайба | |
| 59 | 403031-П29 | Тройник | |
| 60 | 5549-3506307 | Трубка от тормозного крана к пневматическому крану управления подъема платформы задняя в сборе |
Содержащиеся в справочниках-каталогах запасные части и детали не предлагаются к продаже, а носят исключительно информационный характер