Вернуться на главную
Поиск
Каталоги запчастей к технике
Грузовые автомобили и прицепы
МАЗ
МАЗ-5335
Лебедка, вал карданный лебедки автомобиля МАЗ-509А
Каталог запасных частей к технике: МАЗ-5335. Лебедка, вал карданный лебедки автомобиля МАЗ-509А
zoom-in
zoom-out
enlarge
shrink
circle-right
circle-left
file-text2
info
cart
Тип техники
Не выбрано
Легковые автомобили
Грузовые автомобили и прицепы
Автобусы
Сельхозтехника
Спецтехника
Двигатели
Мототехника
Марка
Не выбрано
BAW
DAF
DongFeng
FAW
Foton
HOWO
Hyundai
IVECO
JAC Motors
LGMG
MAN
Shaanxi
SITRAK
Studebaker
Tata
Volvo
Автокомпонент Плюс
БелАЗ
Брянский Арсенал
ГАЗ
ЗИЛ
КАЗ
Камский автозавод
КрАЗ
Мадара
МАЗ
МЗКТ
МоАЗ
Нефтекамский автозавод
Ставропольский Завод АвтоПрицепов
ТАТРА
Тонар
УралАЗ
ЧМЗАП
Модель
Не выбрано
KNORR-BREMSE применяемых на технике МАЗ
КПП МАЗ-543205-070
МАЗ-3PP59 (1999)
МАЗ-437030 (Зубренок) (2004)
МАЗ-437040 (Зубренок) (2002)
МАЗ-437040 (Зубренок) (2005)
МАЗ-437041 (Зубренок) (2010)
МАЗ-437043 (Зубренок) (2011)
МАЗ-437130 (Зубренок) (2008)
МАЗ-4371P2-0000421-000 (2013)
МАЗ-500А
МАЗ-503А
МАЗ-504А
МАЗ-504В (2005)
МАЗ-530905 (2009)
МАЗ-5335 (2004)
МАЗ-5336 (2005)
МАЗ-53363
МАЗ-53366
МАЗ-5337
МАЗ-5337 (2005) (2005)
МАЗ-53371
МАЗ-533731 (2009)
МАЗ-533731 (2012)
МАЗ-5429 (2003)
МАЗ-543 (7310) (2008)
МАЗ-5432 (2003)
МАЗ-543202 (2003)
МАЗ-54321
МАЗ-54323
МАЗ-54326 (2000)
МАЗ-54328
МАЗ-5433
МАЗ-5434
МАЗ-543403, 641705, 641708 (2010)
МАЗ-5440 (2002)
МАЗ-544018 (2011)
МАЗ-544069
МАЗ-5440B5 (2013)
МАЗ-5440B9, 6430B9 (2013)
МАЗ-5440E9 (2011)
МАЗ-5516
МАЗ-5516 (2003) (2003)
МАЗ-551605 (2007)
МАЗ-551608, 630308 (2007)
МАЗ-551669 (2008)
МАЗ-5516А5 (2007)
МАЗ-5549 (2003)
МАЗ-5550V3 (V5) (2011)
МАЗ-5551
МАЗ-5551 (2003) (2003)
МАЗ-555102, 5551А2 (2007)
МАЗ-555142 (2007)
МАЗ-6303 (2000)
МАЗ-6303 (2005) (2005)
МАЗ-630333 (2012)
МАЗ-6303A3, 6303A5 (2007)
МАЗ-631019 (2014)
МАЗ-631236 (2007)
МАЗ-6312B9-0008425-012 (2015)
МАЗ-6317
МАЗ-631705 (2010)
МАЗ-631705, 631708 (2010)
МАЗ-6422 (2003)
МАЗ-6422, 5432 (2007)
МАЗ-64221
МАЗ-64226 (2000)
МАЗ-64229
МАЗ-642505, 642508 (2006)
МАЗ-64255
МАЗ-643018 (2015)
МАЗ-643068 (2003)
МАЗ-6430A8 (5440A8, 5440A5) (2008)
МАЗ-650108 (2008)
МАЗ-650119 (2010)
МАЗ-6501B9 (2014)
МАЗ-6501B9 (2015)
МАЗ-651669-320 (340) (2009)
МАЗ-6516V8-520 (6516V8-540) (2011)
МАЗ-651705 (2009)
МАЗ-6517X9-0000410 (2014)
МАЗ-74131 (1996)
МАЗ-83781
МАЗ-9008
МАЗ-93802
МАЗ-93866
МАЗ-938662
МАЗ-93892
МАЗ-9506
МАЗ-9758
МАЗ-9758-30
Общий (см. мод-ции)
Справочник
Схема
>
Не выбрано
Каркас кабины и его крепление
Механизм кабины запорный
Люки вентиляционные
Омыватель ветровых стекол
Дверь кабины
Сиденье водителя
Сиденье переднее автомобилей МАЗ-5335, МАЗ-5429, МАЗ-504В
Сиденье переднее автомобилей МАЗ-5549, МАЗ-509А
Сиденье среднее автомобилей МАЗ-5335, МАЗ-5429
Вентиляция и отопление кабины
Схема вентиляции и отопления кабины
Отопитель кабины автомобиля МАЗ-504В
Зеркало заднего вида
Противосолнечный козырек
Подлокотник
Крыло переднее и подножка
Платформа автомобиля МАЗ-5549
Платформа автомобиля МАЗ-5335
Цилиндр запора заднего борта автомобиля МАЗ-5549
Механизм запора заднего борта автомобиля МАЗ-5549
Механизм гидравлический подъема платформы автомобиля МАЗ-5549
Насос механизма подъема платформы автомобиля МАЗ-5549
Управление пневматическим краном механизма подъема автомобиля МАЗ-5549
Клапан управления механизмом подъема платформы автомобиля МАЗ-5549
Бак масляный механизма подъема платформы автомобиля МАЗ-5549
Трубопроводы и шланги механизма подъема платформы автомобиля МАЗ-5549
Трубопроводы и шланги механизма подъема платформы автомобиля МАЗ-5430
Двигатель ЯМЗ-236
Двигатель ЯМЗ-238
Крепление силового агрегата
Блок цилиндров
Головка блока цилиндров
Поршень и шатун
Вал коленчатый и маховик ЯМЗ-236
Вал коленчатый и маховик ЯМЗ-238
Вал распределительный
Клапаны и толкатели
Газопровод двигателя
Поддон блока цилиндров
Фильтр грубой очистки масла
Насос масляный
Радиатор масляный
Фильтр центробежной очистки масла
Установка воздушного фильтра, радиатора и расширительного бачка, шторки радиатора, масляных радиаторов, держателя запасного колеса и инструментального ящика автомобиля МАЗ-504В
Привод топливного насоса высокого давления
Бак топливный и его установка автомобилей МАЗ-5335, МАЗ-5549, МАЗ-5429
Бак топливный и его установка автомобиля МАЗ-509А
Топливные трубопроводы двигателя ЯМЗ-236
Топливные трубопроводы двигателя ЯМЗ-238
Система питания автомобилей МАЗ-5335, МАЗ-5549
Система питания автомобилей МАЗ-5429, МАЗ-509А, МАЗ-504В
Фильтр грубой очистки топлива
Насос топливный
Управление подачей топлива МАЗ-5335, МАЗ-5549, МАЗ-5429, МАЗ-509А
Управление подачей топлива автомобиля МАЗ-504В
Педаль акселератора и механизм запорный
Фильтр воздушный
Регулятор частоты вращения двигателя
Насос топливный высокого давления
Форсунка
Коллектор впускной
Фильтр тонкой очистки топлива
Муфта опережения впуска топлива
Глушитель автомобилей МАЗ-5335, МАЗ-5549, МАЗ-5429, МАЗ-504В
Глушитель автомобиля МАЗ-509А
Радиатор и его крепление
Термостат системы охлаждения
Насос водяной
Вентилятор
Шторка радиатора
Сцепление ЯМЗ-236К
Привод выключения сцепления
Усилитель выключения сцепления
Картер и насос масляный коробки передач
Валы и шестерни коробки передач ЯМЗ-236П
Механизм переключения передач
Рычаг переключения передач и промежуточный механизм управления коробкой передач
Рычаг и механизмы переключения передач автомобиля МАЗ-504В
Подвеска раздаточной коробки автомобиля МАЗ-509А
Картер раздаточной коробки с крышками автомобиля МАЗ-509А
Первичный вал раздаточной коробки автомобиля МАЗ-509А
Вал промежуточный раздаточной коробки автомобиля МАЗ-509А
Дифференциал межосевой раздаточной коробки автомобиля МАЗ-509А
Валы нижние раздаточной коробки автомобиля МАЗ-509А
Воздухопроводы системы управления раздаточной коробкой автомобиля МАЗ-509А
Цилиндр механизма переключения передач раздаточной коробки автомобиля МАЗ-509А
Цилиндр блокировки дифференциала раздаточной коробки автомобиля МАЗ-509А
Кран пневматический управления раздаточной коробки автомобиля МАЗ-509А и привода управления механизмом подъема платформы автомобиля МАЗ-5549
Вал карданный автомобилей МАЗ-5335, МАЗ-5549, МАЗ-5429, МАЗ-504В
Валы карданные автомобиля МАЗ-509А
Вал карданный промежуточный автомобиля МАЗ-509А
Балка переднего моста и полуоси автомобиля МАЗ-509А
Передача колесная с картером автомобиля МАЗ-509А
Картер редуктора переднего моста автомобиля МАЗ-509А
Шестерня ведущая с картером автомобиля МАЗ-509А
Дифференциал переднего моста автомобиля МАЗ-509А
Цапфа поворотная и шкворневое устройство автомобиля МАЗ-509А
Шарнир постоянной угловой скорости автомобиля МАЗ-509А
Картер заднего моста с полуосями и кожухами
Картер редуктора заднего моста
Главная передача заднего моста
Дифференциал заднего моста
Передача колесная заднего моста
Рама автомобиля МАЗ-5335
Рама автомобиля МАЗ-5549
Рама автомобилей МАЗ-5429, МАЗ-504В
Рама автомобиля МАЗ-509А
Бампер передний и крепление противотуманных фар
Прибор буксирный автомобиля МАЗ-5335
Вилка буксирная автомобилей МАЗ-5549, МАЗ-5429, МАЗ-504В
Рессора передняя
Амортизатор передней подвески
Рессора задняя
Ось передняя автомобилей МАЗ-5335, МАЗ-5549, МАЗ-5429, МАЗ-504В
Тяга продольная рулевая
Тяга поперечная рулевая
Крепление переднего колеса
Крепление задних колес
Ступица и тормозной барабан переднего колеса автомобилей МАЗ-5335, МАЗ-5549, МАЗ-5429
Ступица и тормозной барабан переднего колеса автомобиля МАЗ-509А
Ступица и тормозной барабан заднего колеса
Держатель запасного колеса автомобилей МАЗ-5335, МАЗ-5549
Держатель запасного колеса и площадка шасси автомобилей МАЗ-5429, МАЗ-509А, МАЗ-504В
Механизм рулевой
Колонка рулевая с колесом рулевого управления и ее крепление
Гидроусилитель рулевого управления
Распределитель гидроусилителя рулевого управления
Насос гидроусилителя рулевого управления
Устройство натяжное насоса
Бачок насоса гидроусилителя рулевого управления
Трубопроводы гидроусилителя рулевого управления
Тормоз рабочий передний автомобилей МАЗ-5335, МАЗ-5549, МАЗ-5429, МАЗ-504В
Тормоз рабочий передний автомобиля МАЗ-509А
Рычаг регулировочный
Тормоз рабочий задний
Педаль тормоза и управление тормозным краном
Привод пневматический тормозов автомобиля МАЗ-5335
Трубопроводы к тормозным кранам автомобиля МАЗ-5335
Привод пневматический тормозов автомобиля МАЗ-5549
Трубопроводы к тормозным кранам автомобиля МАЗ-5549
Привод пневматический тормозов автомобилей МАЗ-5429, МАЗ-504В
Трубопроводы к тормозным кранам автомобилей МАЗ-5429, МАЗ-504В
Привод пневматический тормозов автомобиля МАЗ-509А
Трубопроводы к тормозным кранам автомобиля МАЗ-509А
Влагоотделитель и его крепление
Тормоз стояночный
Управление стояночным тормозом автомобилей МАЗ-5335, МАЗ-5549
Управление стояночным тормозом автомобилей МАЗ-5429, МАЗ-504В
Управление стояночным тормозом автомобиля МАЗ-509А
Картер с крышками и вал коленчатый с подшипниками компрессора
Головка компрессора
Блок цилиндров, поршни и шатуны компрессора
Устройство натяжное
Трубопроводы компрессора
Крепление воздушных баллонов автомобиля МАЗ-5335
Крепление воздушных баллонов автомобиля МАЗ-5549
Крепление воздушных баллонов автомобилей МАЗ-5429, МАЗ-504В
Крепление воздушных баллонов автомобиля МАЗ-509А
Камера тормозная
Кран разобщительный пневмотормозов автомобилей МАЗ-5335, МАЗ-5429, МАЗ-509А, МАЗ-504В
Головка соединительная пневмотормозов автомобилей МАЗ-5335, МАЗ-5429, МАЗ-509А, МАЗ-504В
Кран отбора воздуха
Тормоз моторный
Электрооборудование
Генератор
Установка аккумуляторных батарей, выключателя "массы" и розетки переносной лампы
Стартер
Установка задних фонарей и поворотных фар автомобиля МАЗ-5335
Брызговики автомобиля МАЗ-5429, МАЗ-504В и установка задних фонарей автомобилей МАЗ-5549, МАЗ-5429, МАЗ-504В
Установка задних фонарей и поворотных фар автомобиля МАЗ-509А
Щиток приборов и передок кабины автомобилей МАЗ-5335, МАЗ-5549, МАЗ-5429
Привод спидометра
Устройство седельно-сцепное автомобилей МАЗ-5429, МАЗ-504В
Рама лесовозного оборудования, рамка, коник автомобиля МАЗ-509А
Ограждение кабины автомобиля МАЗ-509А
Замок дышла автомобиля МАЗ-509А
Коробка отбора мощности автомобиля МАЗ-5549
Коробка отбора мощности автомобиля МАЗ-509А
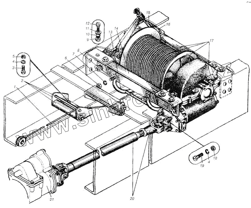
Лебедка, вал карданный лебедки автомобиля МАЗ-509А
Инструмент и принадлежности
1
2
3
4
4
5
6
7
8
9
10
11
12
13
14
15
16
17
18
19
20
21
Позиция на иллюстрации
Заводской номер детали
Название детали
509-4510112
509-4510112
Ролик
509-4501110
509-4501110
Барабан лебедки в сборе
509-4502011
509-4502011
Шарнир карданного вала передний в сборе
509-4502014-Б
509-4502014-Б
Шарнир карданного вала задний в сборе
121-4502023-Б
121-4502023-Б
Фланец карданного вала
110-2201032
110-2201032
Сальник крестовины карданного вала
509-4510110
509-4510110
Ролик в сборе
110-2201033
110-2201033
Подшипник крестовины карданного вала
509-4510114
509-4510114
Ось ролика
110-2201031
110-2201031
Обойма сальника крестовины карданного вала
304814-П
304814-П
Масленка шарнира карданного вала
509-4501010-02
509-4501010-02
Лебедка в сборе
509-4510076
509-4510076
Кронштейн
121-4502030-Б
121-4502030-Б
Крестовина карданного вала
121-4502047
121-4502047
Вилка скользящая карданного вала
1
509-4504014
Канат лебедки в сборе
2
509-4510072-01
Кронштейн с роликом в сборе
3
201542-П29
Болт
4
252137-П2
Шайба пружинная
5
250514-П29
Гайка
6
250512-П29
Гайка
7
252136-П2
Шайба
8
201499-П29
Болт
9
250560-П29
Гайка
10
252139-П2
Шайба
11
252017-П29
Шайба
12
202121-П29
Болт крепления зажима
13
509-4509010
Кожух лебедки в сборе
14
509-4501230-10
Поперечина крепления лебедки
15
509А-4501257
Пластина
16
202124-П29
Болт крепления пластины
17
509-4501011-01
Лебедка с канатом в сборе
18
250515-П29
Гайка
19
201564-П29
Болт крепления фланца карданного вала
20
509А-4502010-Б
Карданный вал привода лебедки в сборе
21
509-4229010-Б
Коробка отбора мощности в сборе
Содержащиеся в справочниках-каталогах запасные части и детали не предлагаются к продаже, а носят исключительно информационный характер
Дополнительная информация
×
Название:
Номер:
Примечание: