Каталог запасных частей к технике: МАЗ-5335. Картер и насос масляный коробки передач
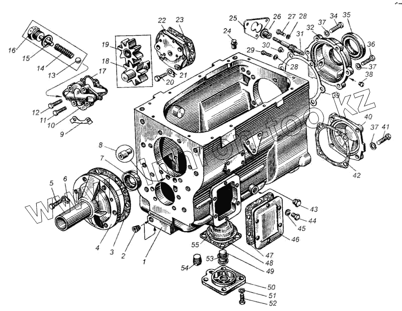
1
2
3
4
5
6
7
8
9
10
11
12
13
14
15
16
17
18
19
20
21
22
23
24
25
26
27
28
28
29
30
31
32
32
34
35
36
37
37
37
38
39
40
41
42
43
44
45
46
47
48
49
50
51
52
53
54
55
| Позиция на иллюстрации | Заводской номер детали | Название детали | |
|---|---|---|---|
| 236Н-1700010 | 236Н-1700010 | Коробка передач с картером сцепления в сборе | |
| 236Н-1701242-Б2 | 236Н-1701242-Б2 | Втулка распорная | |
| 236-3802020 | 236-3802020 | Шестерня привода спидометра с червяком и втулкой в сборе (только для запасных частей) | |
| 236-1701235 | 236-1701235 | Пружина | |
| 210-1701220 | 210-1701220 | Пружина | |
| 236-1704025 | 236-1704025 | Ось ведомой шестерни масляного насоса | |
| 236-1701233 | 236-1701233 | Манжета | |
| 210-1701211-А | 210-1701211-А | Манжета | |
| 236П-1700010-Б | 236П-1700010-Б | Коробка передач с картером сцепления в сборе | |
| 236-1704010 | 236-1704010 | Насос масляный коробки передач в сборе | |
| 1 | 236-1701015-Б | Картер коробки передач | |
| 2 | 262518-П2 | Пробка коническая | |
| 3 | 236-1701042-А | Прокладка крышки заднего подшипника | |
| 4 | 236-1701040-А | Крышка подшипника первичного вала | |
| 5 | 201499-П29 | Болт | |
| 6 | 312581-П29С | Шайба замковая | |
| 7 | 236-1701230 | Манжета крышки подшипника первичного вала в сборе | |
| 8 | 200-1701188 | Втулка дроссельная картера коробки передач | |
| 9 | 236-1704078-А | Планка стопорная | |
| 10 | 236-1704015 | Корпус масляного насоса в сборе | |
| 11 | 310013-П29 | Болт М10х35 | |
| 12 | 310013-П29 | Болт М10х35 | |
| 13 | 200-1702083 | Шарик | |
| 14 | 200-1704027 | Пружина клапана масляного насоса | |
| 15 | 312326-П34 | Шайба уплотнительная диаметр 14 мм | |
| 16 | 236-1704026 | Пробка клапана масляного насоса | |
| 17 | 236-1704029-А | Прокладка корпуса масляного насоса коробки передач | |
| 18 | 236-1704040-А2 | Шестерня ведущая масляного насоса в сборе | |
| 19 | 236-1704030 | Шестерня ведомая масляного насоса в сборе | |
| 20 | 201499-П29 | Болт | |
| 21 | 312581-П29С | Шайба замковая | |
| 22 | 236-1704070 | Основание масляного насоса в сборе | |
| 23 | 236-1704017-А2 | Прокладка основания масляного насоса коробки передач | |
| 24 | 236-1702182 | Штифт верхний установочный в сборе | |
| 25 | 236-3802069-Б | Прокладка крышки сменных шестерен привода спидометра | |
| 26 | 236-3802024 | Втулка шестерни привода спидометра | |
| 27 | 310224-П29 | Болт крепления заглушки | |
| 28 | 252135-П2 | Шайба | |
| 29 | 201457-П29 | Болт | |
| 30 | 236-3801074 | Штифт упорный смежной шестерни (только для запасных частей) | |
| 31 | 236-3802034-Б | Шестерня привода спидометра | |
| 32 | 236-1701205-Б4 | Крышка заднего подшипника вторичного вала | |
| 32 | 236У-1701205-А3 | Крышка заднего подшипника вторичного вала | |
| 34 | 201544-П29 | Болт | |
| 35 | 210-1701210-А | Манжета крышки заднего подшипника вторичного вала в сборе | |
| 36 | 200372-П29 | Болт крепления крышки заднего подшипника | |
| 37 | 252137-П2 | Шайба пружинная | |
| 38 | 316105-П29 | Пробка | |
| 39 | 236У-1701203 | Прокладка крышки заднего подшипника вторичного вала | |
| 40 | 236-1701074-А2 | Крышка заднего подшипника промежуточного вала | |
| 41 | 201544-П29 | Болт | |
| 42 | 236-1701075-А | Прокладка крышки заднего подшипника промежуточного вала | |
| 43 | 316121-П29 | Пробка | |
| 44 | 201497-П29 | Болт | |
| 45 | 252136-П2 | Шайба | |
| 46 | 236-1701020 | Крышка люка | |
| 47 | 200-1701021-А | Прокладка крышки люка отбора мощности | |
| 48 | 236-1704056-А | Прокладка крышки заборника масляного насоса | |
| 49 | 236-1704120 | Магнит крышки заборника масляного насоса с основанием в сборе | |
| 50 | 236-1704054-Б | Крышка заборника масляного насоса | |
| 51 | 252136-П2 | Шайба | |
| 52 | 201497-П29 | Болт | |
| 53 | 236-1704132 | Кольцо запорное | |
| 54 | 262513-П2 | Пробка картера коробки передач сливная | |
| 55 | 236-1704050-Б | Сетка заборника масляного насоса предохранительная |
Содержащиеся в справочниках-каталогах запасные части и детали не предлагаются к продаже, а носят исключительно информационный характер