Вернуться на главную
Поиск
Каталоги запчастей к технике
Грузовые автомобили и прицепы
МАЗ
МАЗ-530905
Установка механизма управления сцеплением
Каталог запасных частей к технике: МАЗ-530905. Установка механизма управления сцеплением
zoom-in
zoom-out
enlarge
shrink
circle-right
circle-left
file-text2
info
cart
Тип техники
Не выбрано
Легковые автомобили
Грузовые автомобили и прицепы
Автобусы
Сельхозтехника
Спецтехника
Двигатели
Мототехника
Марка
Не выбрано
BAW
DAF
DongFeng
FAW
Foton
HOWO
Hyundai
IVECO
JAC Motors
LGMG
MAN
Shaanxi
SITRAK
Studebaker
Tata
Volvo
Автокомпонент Плюс
БелАЗ
Брянский Арсенал
ГАЗ
ЗИЛ
КАЗ
Камский автозавод
КрАЗ
Мадара
МАЗ
МЗКТ
МоАЗ
Нефтекамский автозавод
Ставропольский Завод АвтоПрицепов
ТАТРА
Тонар
УралАЗ
ЧМЗАП
Модель
Не выбрано
KNORR-BREMSE применяемых на технике МАЗ
КПП МАЗ-543205-070
МАЗ-3PP59 (1999)
МАЗ-437030 (Зубренок) (2004)
МАЗ-437040 (Зубренок) (2002)
МАЗ-437040 (Зубренок) (2005)
МАЗ-437041 (Зубренок) (2010)
МАЗ-437043 (Зубренок) (2011)
МАЗ-437130 (Зубренок) (2008)
МАЗ-4371P2-0000421-000 (2013)
МАЗ-500А
МАЗ-503А
МАЗ-504А
МАЗ-504В (2005)
МАЗ-530905 (2009)
МАЗ-5335 (2004)
МАЗ-5336 (2005)
МАЗ-53363
МАЗ-53366
МАЗ-5337
МАЗ-5337 (2005) (2005)
МАЗ-53371
МАЗ-533731 (2009)
МАЗ-533731 (2012)
МАЗ-5429 (2003)
МАЗ-543 (7310) (2008)
МАЗ-5432 (2003)
МАЗ-543202 (2003)
МАЗ-54321
МАЗ-54323
МАЗ-54326 (2000)
МАЗ-54328
МАЗ-5433
МАЗ-5434
МАЗ-543403, 641705, 641708 (2010)
МАЗ-5440 (2002)
МАЗ-544018 (2011)
МАЗ-544069
МАЗ-5440B5 (2013)
МАЗ-5440B9, 6430B9 (2013)
МАЗ-5440E9 (2011)
МАЗ-5516
МАЗ-5516 (2003) (2003)
МАЗ-551605 (2007)
МАЗ-551608, 630308 (2007)
МАЗ-551669 (2008)
МАЗ-5516А5 (2007)
МАЗ-5549 (2003)
МАЗ-5550V3 (V5) (2011)
МАЗ-5551
МАЗ-5551 (2003) (2003)
МАЗ-555102, 5551А2 (2007)
МАЗ-555142 (2007)
МАЗ-6303 (2000)
МАЗ-6303 (2005) (2005)
МАЗ-630333 (2012)
МАЗ-6303A3, 6303A5 (2007)
МАЗ-631019 (2014)
МАЗ-631236 (2007)
МАЗ-6312B9-0008425-012 (2015)
МАЗ-6317
МАЗ-631705 (2010)
МАЗ-631705, 631708 (2010)
МАЗ-6422 (2003)
МАЗ-6422, 5432 (2007)
МАЗ-64221
МАЗ-64226 (2000)
МАЗ-64229
МАЗ-642505, 642508 (2006)
МАЗ-64255
МАЗ-643018 (2015)
МАЗ-643068 (2003)
МАЗ-6430A8 (5440A8, 5440A5) (2008)
МАЗ-650108 (2008)
МАЗ-650119 (2010)
МАЗ-6501B9 (2014)
МАЗ-6501B9 (2015)
МАЗ-651669-320 (340) (2009)
МАЗ-6516V8-520 (6516V8-540) (2011)
МАЗ-651705 (2009)
МАЗ-6517X9-0000410 (2014)
МАЗ-74131 (1996)
МАЗ-83781
МАЗ-9008
МАЗ-93802
МАЗ-93866
МАЗ-938662
МАЗ-93892
МАЗ-9506
МАЗ-9758
МАЗ-9758-30
Общий (см. мод-ции)
Справочник
Схема
>
Не выбрано
Установка противооткатных упоров 530905-3900037
Установка противооткатных упоров 53373-3900037
Установка огнетушителя 6501-3910040
Установка кабины 6418-5000002
Установка кабины 5309-5000002, 5309-5000002-010
Переднее подрессоривание кабины 6418-5001700-010
Переднее подрессоривание кабины 6418-5001702-010
Заднее подрессоривание 6501-5001800-010
Заднее подрессоривание кабины 6501-5001802-010
Установка дополнительной термошумоизоляции 6418-5000122
Установка омывателя 6430-5200008
Установки стекла 6430-5200010, стекла задка 6501-5600015
Установка панели приборов 6418-5300014
Панель приборов 6418-5300016
Установка люка 6501-5700010
Установка зеркал 6430-8200005
Установка поручней в кабине 6430-8200030
Установка полки и штор 6501-8200034
Штора противосолнечная 6430-8204110
Установка облицовки 6430-8400018 и боковых щитков 6430-8400014
Установка механизма подъема кабины 530905-5000040
Установка механизма подъема кабины
Установка механизма подъема кабины
Гидроцилиндр 6430-5003010
Установка и пневмопитание сидений 544003-6800006
Сидение 6430-6800010
Подушка и спинка сидения 6430-6800012
Механизм регулирования высоты
Подставка сиденья с пневмооборудованием 6430-6807006-010
Установка ручек, замка и ограничителя двери
Установка стеклоподъемника и ручки стеклоподъемника
Установка опускного стекла
Установка отопителя 6430-8100001
Блок радиатора 6430-8101010-010
Установка фильтра 6430-8100022
Кран управления отопителем 6430-8101150-010
Пульт управления 5440-8109011
Блок вентилятора
Установка независимого воздушного отопителя 5309-8100002-011
Установка шлангов отопителя 544004-810006-010 с НЖП
Установка шлангов отопителя 643008-810006
Установка спального места 4371-8200010
Установка трапа 530905-8200012
Установка нижней подножки 6418-8400016,5309-8400016
Установка оперения 6418-8400020-010
Установка оперения 5309-8400020-010
Установка экранов 641808-8400026
Установка брызговиков передних колес 6418-8400030-010
Установка брызговиков передних колес 5309-8400030
Установка платформы 530905-8500002-020
Платформа 530905-8500008-020 (тентовая надстройка и тент)
Платформа 530905-8500008-020 (борта и стойки)
Основание 530905-8501010-020
Установка платформы 530905-8500002
Платформа 530905-8500008 (тентовая надстройка и тент)
Платформа 530905-8500008 (борта и стойки)
Основание 530905-8501010
Установка ящика 530905-8500009
Установка крыльев 5309-8500048
Установка брызговиков 530905-8500048
Брызговик 5340-8511010
Крепление двигателя 530905-1001002 (-010)
Система заливки и контроля уровня масла 641808-1018002
Установка подогревателя 641808-1015001
Установка подогревателя 530905-1015001-010
Предпусковой подогреватель 630208-1015006
Топливопроводы питания подогревателя 530905-1015004
Крепление топливопроводов подогревателя 530905-1015004-020
Установка шумоизоляционных экранов 630208-1061003-005
Установка шумоизоляционных экранов 530905-1061003
Установка шумоизоляционных экранов 630208-1061004, 630208-1061004-005
Крепление топливного бака 530905-1101002
Установка топливопроводов 530905-1104002, 530905-1104002-010
Установка топливопроводов 530905-1104002-020, 530905-1104002-030
Привод управления двигателем 64301-1108002
Система питания воздухом 630208-1109002
Система питания воздухом 641808-1109002
Привод останова двигателя 641808-1115002
Привод выключения двигателя противоугонным устройством 544008-1115004
Установка системы выпуска 530905-1200001
Установка системы выпуска газов 530905-1200001-030
Установка системы охлаждения 530905-1300005, (-010)
Радиатор с кожухом 530905-1301009
Система охлаждения наддувочного воздуха 641808-1300040
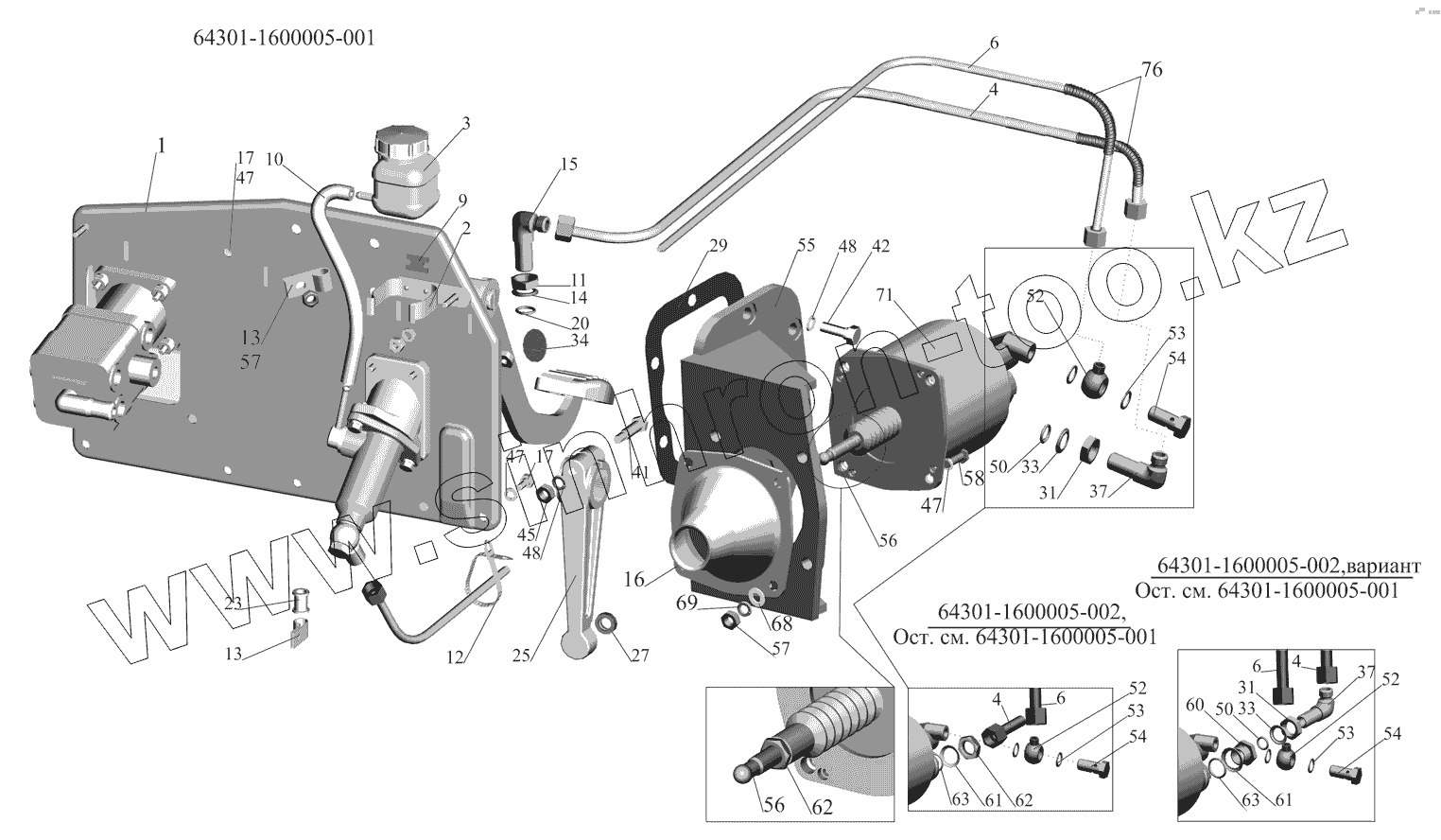
Установка механизма управления сцеплением
Установка механизма управления сцеплением 64301-1600005-003
Блок управления сцеплением 64301-1602004
Цилиндр подпедальный 6430-1602510
Привод управления коробкой передач 530905-1700002
Привод управления коробкой передач 530905-1700002-020
Механизм промежуточный 551639-1703325-001
Переключатель 6430-1703800
Рычаг
Тяга
Установка раздаточной коробки 530905-1800008
Установка раздаточной коробки 5309-1800008
Установка управления раздаточной коробкой 5309-1800009
Установка управления раздаточной коробкой 530905-1800009
Коробка раздаточная 5309-1800020
Коробка раздаточная. Вал первичный 55165-1802024
Коробка раздаточная. Вал промежуточный 64255-1802084
Коробка раздаточная.Вал выходной 5434-1802230-030
Коробка раздаточная. Крышка 5309-1802104
Коробка раздаточная Механизм переключения передач 6425 1804070
Коробка раздаточная. Привод насоса 64255-1808100
Коробка раздаточная. Дифференциал 5309-1830010
Установка карданных валов
Установка карданных валов
Мост передний 6418-2300010, 530905-2300010, 5309А3-2300010
Мост передний 530905-2300010-010, 5309А3-2300010-010
Мост передний 6302-2300010 (U=5.33)
Мост передний. Картер 6302-2300015 (U=5.33)
Мост передний. Шарнир 641808-2304060 (правый),641808-2304061
Мост передний. Дифференциал 5309-2303010 (U=5.33)
Мост передний. Шестерня ведущая 5309-2302021 (U=5.33)
Мост передний. Редуктор 5309-2302010 (U=5.33)
Мост передний. Ступица 5434-3103006-030
Мост передний. Опора поворотного кулака 641808-2304010
Мост передний. Цапфа 5434-2304078-010 (правая), 5434-2304079-010 (левая)
Установка привода управления блокировкой 5309-2300024
Установка привода управления блокировкой 530905-2300024
Мост задний
Колесный редуктор
Редуктор заднего моста
Редуктор заднего моста. Дифференциал
Шестерни ведущая и ведомая (комплект для запчастей)
Шестерня ведущая
Мост задний. Установка редуктора и элементов подвески
Мост задний. Картер моста
Мост задний. Картер моста 530905-2401010-030
Мост задний. Картер моста 530905-2401010-031
Ступица заднего моста
Ступица моста с головкой ЦНШ 5309-3104006
Установка привода управления блокировкой 5309-2400024
Рама 530905-2800010 (530905-2801002)
Рамы 530905-2800010-010, 530905-2800010-011, 530905-2800010-020, 530905-2800010-021
Установка переднего бампера 6418-2800003
Установка подножки и поручня 5309-2800038
Установка бокового ограждения 5309-2800040
Установка бокового ограждения 530905-2800040
Буксирный прибор 5336-2707210-01
Установка подвески передней 641808-2900001
Установка подвески передней 5309-2900001
Установка подвески передней 5309-2900001-020
Подвеска задняя
Тяга продольная 6418-3003010, 5309-3003010
Установка запасного колеса
Установка запасного колеса
Установка задних колес
Установка задних колес
Установка задних колес
Установка задних колес 5309A5-3100002
Установка передних колес
Установка передних колес
Установка передних колес 5309A5-3100005
Колесо и шина
Установка шумопоглощающего колпака 6418-3103005-10
Установка шумопоглощающего колпака 5440-3104005(задние колеса)
Установка накачки шин
Установка накачки шин по кабине
Установка накачки шин
Установка рулевого управления 6418-3400001, 641808-3400001
Рулевой механизм с кронштейном 6418-3400006, 641808-3400006
Механизм рулевой 64221-3400010-10
Кронштейн с колонкой 5440-3403008
Цилиндр гидравлический 64221-3405004, 641808-3405004
Бак масляный 5336-3410010-10
Распределитель 5336-3416010-01
Насос 6430-3407008
Автоматические регулировочные рычаги
Привод тормозного механизма задних колес
Тормозной механизм задних колес
Установка пневмокомпрессора 642208-3500014
Крепление защитного экрана 641808-3506040
Тормозной кран и присоединительная арматура
Установка ресиверов 530905-3513004 и присоединительной арматуры
Установка ресиверов 530905-3513004 и присоединительной арматуры
Установка ресиверов 530905-3513005 и присоединительной арматуры
Установка ресиверов 530905-3513006 и присоединительной арматуры
Ресивер регенерации
Крепление клапана четырехконтурного 6430-3515002
Установка ускорительного клапана 54401-3518004 и присоединительной арматуры
Крепление клапана ускорительного 543403-3518004 и присоединительной арматуры
Крепление клапана ускорительного 543403-3518004 и присоединительной арматуры
Крепление тормозных камер и присоединительной арматуры
Крепление тормозных камер на заднем мосту и присоединительной арматуры
Крепление тормозных камер 5440-3519002-10 на заднем мосту и присоединительной арматуры
Пневмовывод к прицепу 63031-3521004 и присоединительная арматура
Пневмовывод к прицепу 530905-3521004 и присоединительная арматура
Установка клапана управления тормозами прицепа 530905-3522005-010 и присоединительной арматуры
Установка клапана управления тормозами прицепа 530905-3522005-010 и присоединительной арматуры
Крепление регулятора тормозных сил 530905-3533002 и присоединительной арматуры
Крепление осушителя воздуха 530905-3536004 и присоединительной арматуры
Крепление осушителя воздуха 631708-3536004 и присоединительной арматуры
Привод стояночного и моторного тормозов 555003-3537006
Привод стояночного и моторного тормозов 641808-3537006
Установка передних модуляторов и присоединительной арматуры
Установка передних модуляторов и присоединительной арматуры
Установка передних модуляторов и присоединительной арматуры
Установка модуляторов и присоединительной арматуры
Установка задних модуляторов и присоединительной арматуры
Цилиндр останова двигателя 642208-3570004
Установка датчиков
Установка датчиков
Установка клапана пропорционального и присоединительной арматуры
Шланги
Соединение для ремонта поврежденных трубопроводов
Установка заднего противотуманного фонаря 530905-37000112
Установка выключателей 555002-3700018
Установка выключателей 530905-3700018
Установка блока управления коробкой передач 544008-3700112
Установка электрооборудования для управления лебедкой 530905-3700112
Установка аккумуляторных батарей 5309-3700008-010
Установка задних фонарей 6501-3700009 (-700)
Установка задних фонарей 6303-3700009
Установка электрооборудования на шасси 530905-3700010-001, (-002)
Установка электрооборудования на шасси 530905-3700010
Установка розеток 63031-3700015
Установка стеклоочистителя 6430-3700041-001
Установка электрооборудования на кабине 555002-3700076 (-700)
Установка электрооборудования на кабине 6418-3700076
Установка боковых габаритных огней на платформе 5309-3700080
Установка боковых габаритных огней на шасси 530905-3700081-010
Установка электрооборудования ПЖД 641808-3700049
Установка электрооборудования ПЖД в кабине 641808-3700052
Установка электрооборудования подогревателя 5440-3700085
Установка блока управления подогревателем 544020-3700087
Установка таймера 5440-3700086
Установка электрооборудования независимого воздушного отопителя 6501-3700088-010
Установка пневмосигнала 6418-3700096
Расположение разъемов и элементов электрооборудования на двигателе ЯМЗ-238ДЕ2
Установка кабелей обогрева зеркал 6430-3700108, (-700)
Расположение разъемов и элементов электрооборудования на КПП ЯМЗ-239
Установка щитка приборов и коммутационной аппаратуры 6430A8-3800001 (-700)
Установка щитка приборов и коммутационной аппаратуры 641808-3800001
Установка противотуманных фар 5550-3700007
Установка защитной решетки фар 641808-3700174
Установка фар 6430-3700006
Установка и пломбировка спидометра 5440-3800004-040
Установка и пломбировка спидометра 530905-3800004
Установка и пломбировка тахографа 5440-3800005-040
Установка и пломбировка тахографа 530905-3800005
Установка электрооборудования управления накачкой шин
Установка электрооборудования АБС 530905-3800040
Установка электрооборудования АБС 530905-3800040-040
Жгут АБС по шасси 530905-3724760
Жгут АБС по шасси 530905-3724760-020
Датчик с кабелем
Установка АБС по кабине 641808-3700120
Жгут АБС по кабине 437141-3724610
Жгут реле и предохранителей 437141-3724611
Установка электрооборудования УОС по кабине 641808-3800066, 641808-3800066-010
64301-1600005-001
64301-1600005-001
64301-1600005-001
64301-1600005-002
64301-1600005-002
1
2
3
3
4
4
4
6
6
6
9
10
11
12
13
13
14
15
16
17
17
20
23
25
27
29
31
31
33
33
34
37
37
37
41
42
45
47
47
47
48
48
50
50
52
52
52
53
53
53
54
54
54
55
56
56
56
57
57
58
60
61
61
62
62
68
69
71
71
76
Позиция на иллюстрации
Заводской номер детали
Название детали
64301-1600005-001
64301-1600005-001
Механизм управления сцеплением
64301-1600005-002
64301-1600005-002
Механизм управления сцеплением
1
64301-1602004
Блок управления сцеплением
2
64226-1602198
Кронштейн
3
64221-1602560
Бачок
3
2101-1602560-00
Бачок
4
64229-1602940-030
Трубка
6
54323-3506146-10
Трубка
9
64226-1602400
Пластина
10
6430-1602908
Шланг L = 300(+5) мм, рукав 6-14-168
11
374614
Гайка М12х1,5-5Н6Н
12
6430-3724624
Хомут
13
379173
Кляммер
14
375818
Шайба 12
15
402952
Угольник
16
64301-1602902
Фартук
17
201454
Болт М8-6gх16
20
010-014-25-2-3
Кольцо
23
500-1104542
Втулка
25
64229-1602832-030
Рычаг
27
6430-1609517
Уплотнитель
29
205-4202018
Прокладка
31
250636
Гайка М16х1,5-6Н
33
375960
Шайба 16
34
378946
Заглушка М30х1,5
37
404304
Штуцер
37
402984
Угольник
41
200320
Болт М10-6gх55
42
201497
Болт М10-6gх25
45
250512
Гайка М10-6Н
47
252135
Шайба 8Т
48
252156
Шайба 10Л
50
014-018-25-2-3
Кольцо
52
4370-1104514
Угольник поворотный
53
64226-1104516
Прокладка
54
64226-1104518
Переходник
55
64229-1602715-030
Кронштейн
56
6430-1609241-010
Шток
56
64229-1609241-010
Шток
57
250510
Гайка М8-6Н
58
201460
Болт М8-6gх30
60
374895
Гайка переходная
61
376145
Шайба 22
62
374542
Гайка М12х1,25-5Н6Н
68
252005
Шайба 8
69
252155
Шайба 8Л
71
VG3268
Усилитель сцепления фирмы КNОRR-ВRЕМSЕ
71
970 051 4370
Усилитель пневмогидравлический
76
1960010
Трубка гофрированная
Содержащиеся в справочниках-каталогах запасные части и детали не предлагаются к продаже, а носят исключительно информационный характер
Дополнительная информация
×
Название:
Номер:
Примечание: