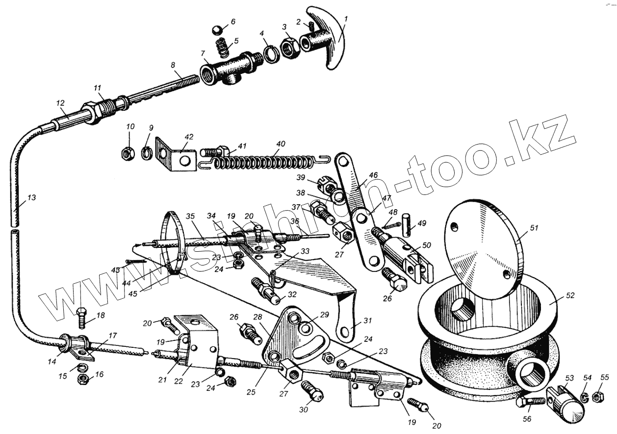
Каталог запасных частей к технике: МАЗ-504В. Тормоз моторный
1
2
3
4
5
6
7
8
9
10
11
12
13
14
15
16
17
18
19
19
19
20
20
20
21
22
23
23
23
24
24
24
25
26
26
27
27
28
29
30
31
32
33
34
35
36
37
38
39
40
41
42
43
44
45
46
47
48
49
50
51
52
53
54
55
56
| Позиция на иллюстрации | Заводской номер детали | Название детали | |
|---|---|---|---|
| 500А-3570178 | 500А-3570178 | Чехол оболочки | |
| 500-1108259 | 500-1108259 | Чехол оболочки | |
| 504В-3570160 | 504В-3570160 | Тяга моторного тормоза и останова двигателя в сборе | |
| 500А-3570160-А | 500А-3570160-А | Тяга моторного тормоза и останова двигателя в сборе | |
| 500А-3570168 | 500А-3570168 | Тяга вторая в сборе | |
| 500А-3570162 | 500А-3570162 | Стержень ручки с тягой в сборе | |
| 509-3570192 | 509-3570192 | Рычаг останова двигателя | |
| 500А-3570176-А | 500А-3570176-А | Оболочка тяги вторая | |
| 500-1108256-В | 500-1108256-В | Оболочка тяги | |
| 509-3570187 | 509-3570187 | Кронштейн | |
| 500А-3570010 | 500А-3570010 | Заслонка моторного тормоза в сборе | |
| 509-3570010 | 509-3570010 | Заслонка моторного тормоза в сборе | |
| 509-3570194 | 509-3570194 | Втулка | |
| 1 | 500-1310494 | Ручка | |
| 2 | 373756-П29 | Винт | |
| 3 | 250636-П29 | Гайка | |
| 4 | 252159-П2 | Шайба | |
| 5 | 503Б-8606320 | Пружина | |
| 6 | 500-3401035 | Шарик | |
| 7 | 509-3570166 | Корпус фиксатора | |
| 8 | 500-1310484 | Стержень ручки | |
| 9 | 252134-П2 | Шайба | |
| 10 | 250508-П29 | Гайка М6 | |
| 11 | 500-1310454 | Втулка | |
| 12 | 500-1310456 | Трубка оболочки | |
| 13 | 509-3570170-А | Оболочка тяги первая в сборе | |
| 14 | 500-1104541-Б | Втулка | |
| 15 | 252136-П2 | Шайба | |
| 16 | 250512-П29 | Гайка | |
| 17 | 379224-П29 | Кляммер | |
| 18 | 201495-П29 | Болт | |
| 19 | 509-3570179 | Держатель | |
| 20 | 220080-П29 | Винт | |
| 21 | 500-1310489-Б | Втулка обжимная | |
| 22 | 509-3570186 | Кронштейн крепления оболочки передний | |
| 23 | 252133-П2 | Шайба | |
| 24 | 250763-П29 | Гайка | |
| 25 | 500А-3570164 | Тяга | |
| 26 | 201454-П29 | Болт | |
| 27 | 509-3570182 | Муфта зажима тяги | |
| 28 | 509-3570190 | Рычаг останова двигателя в сборе | |
| 29 | 252005-П29 | Шайба 8 | |
| 30 | 201452-П29 | Болт | |
| 31 | 500А-3570187 | Кронштейн крепления оболочки задний | |
| 32 | 509-3570196 | Ось рычага останова двигателя | |
| 33 | 258025-П29 | Шплинт | |
| 34 | 500-1310489-Б | Втулка обжимная | |
| 35 | 500А-3570174-А | Оболочка вторая в сборе | |
| 36 | 500А-3570169 | Тяга вторая | |
| 37 | 201452-П29 | Болт | |
| 38 | 252005-П29 | Шайба 8 | |
| 39 | 250975-П29 | Гайка | |
| 40 | 500-3570032 | Пружина | |
| 41 | 201420-П29 | Болт М6х20 | |
| 42 | 5335-3570186 | Кронштейн | |
| 43 | 297575-П29 | Шплинт | |
| 44 | 297580-П29 | Пряжка хомутика | |
| 45 | 297588-П29 | Лента стяжная | |
| 46 | 509-3570030 | Рычаг оттяжной пружины | |
| 47 | 509-3570024 | Рычаг заслонки | |
| 48 | 258025-П29 | Шплинт | |
| 49 | 377355-П29 | Штифт | |
| 50 | 509-3570018 | Валик заслонки | |
| 51 | 509-3570012 | Заслонка моторного тормоза | |
| 52 | 509-3570014 | Корпус заслонки | |
| 53 | 509-3570020 | Ось заслонки | |
| 54 | 252134-П2 | Шайба | |
| 55 | 250508-П29 | Гайка М6 | |
| 56 | 201420-П29 | Болт М6х20 |
Содержащиеся в справочниках-каталогах запасные части и детали не предлагаются к продаже, а носят исключительно информационный характер