Вернуться на главную
Поиск
Каталоги запчастей к технике
Грузовые автомобили и прицепы
МАЗ
МАЗ-504В
Прибор буксирный МАЗ-5335
Каталог запасных частей к технике: МАЗ-504В. Прибор буксирный МАЗ-5335
zoom-in
zoom-out
enlarge
shrink
circle-right
circle-left
file-text2
info
cart
Тип техники
Не выбрано
Легковые автомобили
Грузовые автомобили и прицепы
Автобусы
Сельхозтехника
Спецтехника
Двигатели
Мототехника
Марка
Не выбрано
BAW
DAF
DongFeng
FAW
Foton
HOWO
Hyundai
IVECO
JAC Motors
LGMG
MAN
Shaanxi
SITRAK
Studebaker
Tata
Volvo
Автокомпонент Плюс
БелАЗ
Брянский Арсенал
ГАЗ
ЗИЛ
КАЗ
Камский автозавод
КрАЗ
Мадара
МАЗ
МЗКТ
МоАЗ
Нефтекамский автозавод
Ставропольский Завод АвтоПрицепов
ТАТРА
Тонар
УралАЗ
ЧМЗАП
Модель
Не выбрано
KNORR-BREMSE применяемых на технике МАЗ
КПП МАЗ-543205-070
МАЗ-3PP59 (1999)
МАЗ-437030 (Зубренок) (2004)
МАЗ-437040 (Зубренок) (2002)
МАЗ-437040 (Зубренок) (2005)
МАЗ-437041 (Зубренок) (2010)
МАЗ-437043 (Зубренок) (2011)
МАЗ-437130 (Зубренок) (2008)
МАЗ-4371P2-0000421-000 (2013)
МАЗ-500А
МАЗ-503А
МАЗ-504А
МАЗ-504В (2005)
МАЗ-530905 (2009)
МАЗ-5335 (2004)
МАЗ-5336 (2005)
МАЗ-53363
МАЗ-53366
МАЗ-5337
МАЗ-5337 (2005) (2005)
МАЗ-53371
МАЗ-533731 (2009)
МАЗ-533731 (2012)
МАЗ-5429 (2003)
МАЗ-543 (7310) (2008)
МАЗ-5432 (2003)
МАЗ-543202 (2003)
МАЗ-54321
МАЗ-54323
МАЗ-54326 (2000)
МАЗ-54328
МАЗ-5433
МАЗ-5434
МАЗ-543403, 641705, 641708 (2010)
МАЗ-5440 (2002)
МАЗ-544018 (2011)
МАЗ-544069
МАЗ-5440B5 (2013)
МАЗ-5440B9, 6430B9 (2013)
МАЗ-5440E9 (2011)
МАЗ-5516
МАЗ-5516 (2003) (2003)
МАЗ-551605 (2007)
МАЗ-551608, 630308 (2007)
МАЗ-551669 (2008)
МАЗ-5516А5 (2007)
МАЗ-5549 (2003)
МАЗ-5550V3 (V5) (2011)
МАЗ-5551
МАЗ-5551 (2003) (2003)
МАЗ-555102, 5551А2 (2007)
МАЗ-555142 (2007)
МАЗ-6303 (2000)
МАЗ-6303 (2005) (2005)
МАЗ-630333 (2012)
МАЗ-6303A3, 6303A5 (2007)
МАЗ-631019 (2014)
МАЗ-631236 (2007)
МАЗ-6312B9-0008425-012 (2015)
МАЗ-6317
МАЗ-631705 (2010)
МАЗ-631705, 631708 (2010)
МАЗ-6422 (2003)
МАЗ-6422, 5432 (2007)
МАЗ-64221
МАЗ-64226 (2000)
МАЗ-64229
МАЗ-642505, 642508 (2006)
МАЗ-64255
МАЗ-643018 (2015)
МАЗ-643068 (2003)
МАЗ-6430A8 (5440A8, 5440A5) (2008)
МАЗ-650108 (2008)
МАЗ-650119 (2010)
МАЗ-6501B9 (2014)
МАЗ-6501B9 (2015)
МАЗ-651669-320 (340) (2009)
МАЗ-6516V8-520 (6516V8-540) (2011)
МАЗ-651705 (2009)
МАЗ-6517X9-0000410 (2014)
МАЗ-74131 (1996)
МАЗ-83781
МАЗ-9008
МАЗ-93802
МАЗ-93866
МАЗ-938662
МАЗ-93892
МАЗ-9506
МАЗ-9758
МАЗ-9758-30
Общий (см. мод-ции)
Справочник
Схема
>
Не выбрано
Механизм кабины запорный
Омыватель ветровых стекол
Каркас кабины и его крепление
Дверь кабины
Сиденье водителя
Сиденье переднее МАЗ-5335, МАЗ-5429, МАЗ-504В
Сиденье переднее МАЗ-5549, МАЗ-509А
Сиденье среднее МАЗ-5335, МАЗ-5429
Люки вентиляционные
Вентиляция и отопление кабины
Схема вентиляции и отопления кабины
Отопитель кабины МАЗ-504В
Подлокотник
Противосолнечный козырек
Зеркало заднего вида
Крыло переднее и подножка
Платформа МАЗ-5549
Платформа МАЗ-5335
Трубопроводы и шланги механизма подъема платформы МАЗ-5430
Трубопроводы и шланги механизма подъема платформы МАЗ-5549
Бак масляный механизма подъема платформы
Клапан управления механизмом подъема платформы
Управление пневматическим краном механизма подъема
Насос механизма подъема платформы МАЗ-5549
Механизм гидравлический подъема платформы
Механизм запора заднего борта МАЗ-5549
Цилиндр запора заднего борта МАЗ-5549
Двигатель ЯМЗ-236
Двигатель ЯМЗ-238
Крепление силового агрегата
Блок цилиндров
Головка блока цилиндров
Поршень и шатун
Вал коленчатый и маховик ЯМЗ-236
Вал коленчатый и маховик ЯМЗ-238
Вал распределительный
Клапаны и толкатели
Газопровод двигателя
Поддон блока цилиндров
Фильтр грубой очистки масла
Насос масляный
Радиатор масляный
Фильтр центробежной очистки масла
Установка воздушного фильтра, радиатора и расширительного бачка, шторки радиатора, масляных радиаторов, держателя запасного колеса и инструментального ящика МАЗ-504В
Привод топливного насоса высокого давления
Бак топливный и его установка МАЗ-5335, МАЗ-5549, МАЗ-5429
Бак топливный и его установка МАЗ-509А
Топливные трубопроводы двигателя ЯМЗ-236
Топливные трубопроводы двигателя ЯМЗ-238
Система питания МАЗ-5335, МАЗ-5549
Система питания МАЗ-5429, МАЗ-509А, МАЗ-504В
Фильтр грубой очистки топлива
Насос топливный
Управление подачей топлива МАЗ-5335, МАЗ-5549, МАЗ-5429, МАЗ-509А
Управление подачей топлива МАЗ-504В
Педаль акселератора и механизм запорный
Фильтр воздушный
Регулятор частоты вращения двигателя
Насос топливный высокого давления
Форсунка
Коллектор впускной
Фильтр тонкой очистки топлива
Муфта опережения впуска топлива
Глушитель МАЗ-5335, МАЗ-5549, МАЗ-5429, МАЗ-504В
Глушитель МАЗ-509А
Тормоз моторный
Радиатор и его крепление
Термостат системы охлаждения
Насос водяной
Вентилятор
Шторка радиатора
Сцепление ЯМЗ-236К
Привод выключения сцепления
Усилитель выключения сцепления
Картер и насос масляный коробки передач
Валы и шестерни коробки передач ЯМЗ-236П
Механизм переключения передач
Рычаг переключения передач и промежуточный механизм управления коробкой передач
Рычаг и механизмы переключения передач МАЗ-504В
Подвеска раздаточной коробки МАЗ-509А
Картер раздаточной коробки с крышками МАЗ-509А
Первичный вал раздаточной коробки МАЗ-509А
Вал промежуточный раздаточной коробки МАЗ-509А
Дифференциал межосевой раздаточной коробки МАЗ-509А
Валы нижние раздаточной коробки МАЗ-509А
Воздухопроводы системы управления раздаточной коробкой МАЗ-509А
Цилиндр механизма переключения передач раздаточной коробки МАЗ-509А
Цилиндр блокировки дифференциала раздаточной коробки МАЗ-509А
Кран пневматический управления раздаточной коробкой МАЗ-509А и привода управления механизмом подъема платформы МАЗ-5549
Вал карданный МАЗ-5335, МАЗ-5549, МАЗ-5429, МАЗ-504В
Валы карданные МАЗ-509А
Вал карданный промежуточный МАЗ-509А
Балка переднего моста и полуоси МАЗ-509А
Передача колесная с картером МАЗ-509А
Картер редуктора переднего моста МАЗ-509А
Шестерня ведущая с картером МАЗ-509А
Дифференциал переднего моста МАЗ-509А
Цапфа поворотная и шкворневое устройство МАЗ-509А
Шарнир постоянной угловой скорости МАЗ-509А
Картер заднего моста с полуосями и кожухами
Картер редуктора заднего моста
Главная передача заднего моста
Дифференциал заднего моста
Передача колесная заднего моста
Устройство седельно-сцепное МАЗ-5429, МАЗ-504В
Рама лесовозного оборудования, рамка, коник МАЗ-509А
Ограждение кабины МАЗ-509А
Замок дышла МАЗ-509А
Рама МАЗ-5335
Рама МАЗ-5549
Рама МАЗ-5429, МАЗ-504В
Рама МАЗ-509А
Бампер передний и крепление противотуманных фар
Прибор буксирный МАЗ-5335
Вилка буксирная МАЗ-5549, МАЗ-5429, МАЗ-504В
Рессора передняя
Амортизатор передней подвески
Рессора задняя
Ось передняя МАЗ-5335, МАЗ-5549, МАЗ-5429, МАЗ-504В
Крепление переднего колеса
Крепление задних колес
Ступица и тормозной барабан переднего колеса МАЗ-5335, МАЗ-5549, МАЗ-5429
Ступица и тормозной барабан переднего колеса МАЗ-509А
Ступица и тормозной барабан заднего колеса
Держатель запасного колеса МАЗ-5335, МАЗ-5549
Держатель запасного колеса и площадка шасси МАЗ-5429, МАЗ-509А, МАЗ-504В
Тяга продольная рулевая
Тяга поперечная рулевая
Механизм рулевой
Колонка рулевая с колесом рулевого управления и ее крепление
Гидроусилитель рулевого управления
Распределитель гидроусилителя рулевого управления
Насос гидроусилителя рулевого управления
Устройство натяжное насоса
Бачок насоса гидроусилителя рулевого управления
Трубопроводы гидроусилителя рулевого управления
Тормоз рабочий передний МАЗ-5335, МАЗ-5549, МАЗ-5429, МАЗ-504В
Привод пневматический тормозов МАЗ-5335
Тормоз рабочий передний МАЗ-509А
Рычаг регулировочный
Тормоз рабочий задний
Педаль тормоза и управление тормозным краном
Тормоз стояночный
Управление стояночным тормозом МАЗ-5335, МАЗ-5549
Управление стояночным тормозом МАЗ-5429, МАЗ-504В
Управление стояночным тормозом МАЗ-509А
Трубопроводы к тормозным кранам МАЗ-5335
Привод пневматический тормозов МАЗ-5549
Трубопроводы к тормозным кранам МАЗ-5549
Привод пневматический тормозов МАЗ-5429, МАЗ-504В
Трубопроводы к тормозным кранам МАЗ-5429, МАЗ-504В
Привод пневматический тормозов МАЗ-509А
Трубопроводы к тормозным кранам МАЗ-509А
Влагоотделитель и его крепление
Картер с крышками и вал коленчатый с подшипниками компрессора
Головка компрессора
Блок цилиндров, поршни и шатуны компрессора
Устройство натяжное
Трубопроводы компрессора
Крепление воздушных баллонов МАЗ-5335
Крепление воздушных баллонов МАЗ-5549
Крепление воздушных баллонов МАЗ-5429, МАЗ-504В
Крепление воздушных баллонов МАЗ-509А
Камера тормозная
Кран разобщительный пневмотормозов МАЗ-5335, МАЗ-5429, МАЗ-509А, МАЗ-504В
Головка соединительная пневмотормозов МАЗ-5335, МАЗ-5429, МАЗ-509А, МАЗ-504В
Кран отбора воздуха
Электрооборудование
Генератор
Установка аккумуляторных батарей, выключателя "массы" и розетки
Стартер
Установка задних фонарей и поворотных фар МАЗ-5335
Брызговики МАЗ-5429, МАЗ-504В и установка задних фонарей МАЗ-5549, МАЗ-5429, МАЗ-504В
Установка задних фонарей и поворотных фар МАЗ-509А
Щиток приборов и передок кабины МАЗ-5335, МАЗ-5549, МАЗ-5429
Привод спидометра
Коробка отбора мощности МАЗ-5549
Коробка отбора мощности МАЗ-509А
Лебедка, вал карданный лебедки МАЗ-509А
Инструмент и принадлежности
Габаритные размеры и технические данные
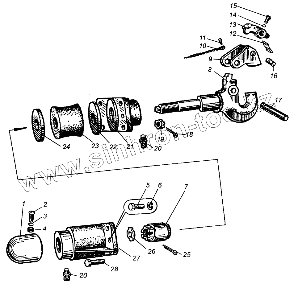
1
2
3
4
5
6
7
8
9
10
11
12
13
14
15
16
17
18
19
20
20
21
22
23
24
25
26
27
28
Позиция на иллюстрации
Заводской номер детали
Название детали
258087-П
258087-П
Шплинт разводной
200-2805023-А
200-2805023-А
Цепь шплинта защелки буксирного прибора в сборе
200-2805017
200-2805017
Собачка защелки буксирного прибора в сборе
200-2805037-А
200-2805037-А
Пластина крепления цепи шплинта
500А-2805012-10
500А-2805012-10
Крюк буксирный в сборе
5206-2805024-10
5206-2805024-10
Кольцо цепи шплинта
500А-2805002
500А-2805002
Буксирный прибор в сборе
1
500-2805078
Чехол гайки буксирного крюка
2
220103-П29
Винт
3
252134-П2
Шайба
4
252004-П29
Шайба
5
201499-П29
Болт
6
252136-П2
Шайба
7
500А-2805080-01
Гайка прорезная
8
500А-2805014-11
Крюк буксирный
9
200-2805016-Б1
Защелка буксирного прибора
10
200-2805022-В
Цепь шплинта защелки буксирного прибора в сборе
11
370807-П29
Болт стопорный
12
200-2805019
Пружина
13
200-2805018-А
Собачка защелки буксирного прибора
14
252135-П29
Шайба пружинная
15
201460-П29
Болт
16
200-2805020
Ось собачки
17
200-2805021-Б
Ось защелки
18
258056-П29
Шплинт
19
374906-П29
Гайка
20
264020-П8
Пресс-масленка
21
500А-2805070
Крышка корпуса буксирного крюка
22
500А-2805076
Фланец буксирного крюка
23
500А-2805074
Буфер буксирного крюка
24
500А-2805076
Фланец буксирного крюка
25
258086-П29
Шплинт
26
500А-2805081
Шайба стопорная
27
500А-2805072
Корпус буксирного крюка
28
205655-П29
Болт
Содержащиеся в справочниках-каталогах запасные части и детали не предлагаются к продаже, а носят исключительно информационный характер
Дополнительная информация
×
Название:
Номер:
Примечание: