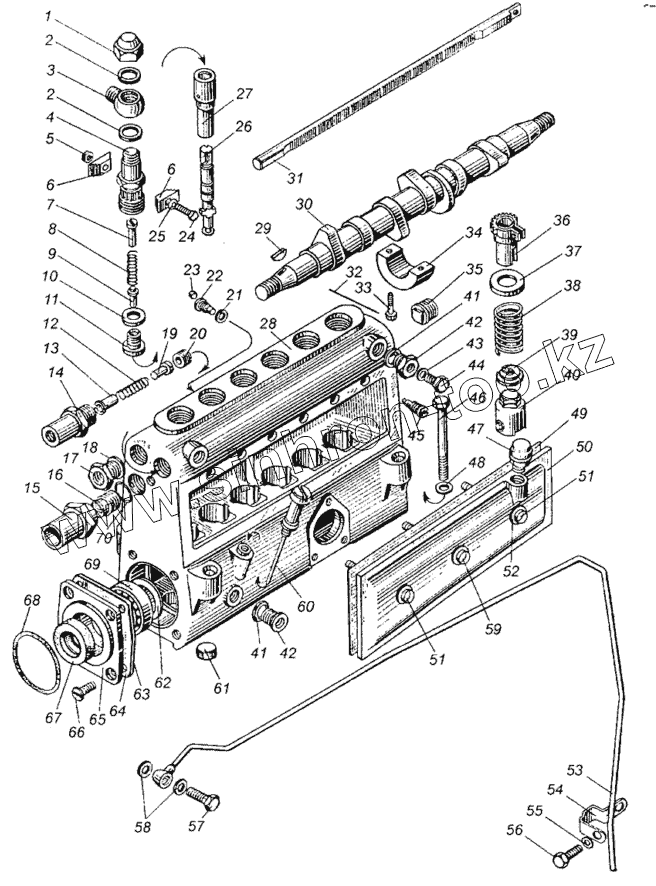
Каталог запасных частей к технике: МАЗ-504В. Насос топливный высокого давления
1
2
2
3
4
5
6
6
7
8
9
10
11
12
13
14
15
16
17
18
19
20
21
22
23
24
25
26
27
28
28
29
30
30
31
31
32
33
34
35
36
37
38
39
40
41
41
42
42
43
44
45
46
47
48
49
49
50
50
51
51
52
53
53
54
55
56
57
58
59
60
61
62
63
64
65
66
67
68
69
70
| Позиция на иллюстрации | Заводской номер детали | Название детали | |
|---|---|---|---|
| 236-1111278 | 236-1111278 | Шайба уплотнительная указателя уровня масла | |
| 236-1111190 | 236-1111190 | Пружина | |
| 238-1111007-Б2 | 238-1111007-Б2 | Насос топливный высокого давления с регулятором частоты вращения в сборе | |
| 236-1111007-Б2 | 236-1111007-Б2 | Насос топливный высокого давления с регулятором частоты вращения в сборе | |
| 236-1111188-А | 236-1111188-А | Манжета | |
| 236-1111282-А2 | 236-1111282-А2 | Клапан в сборе | |
| 236-1111064 | 236-1111064 | Втулка зубчатого венца | |
| 236-1111062 | 236-1111062 | Венец зубчатый | |
| 236-1111036 | 236-1111036 | Ввертыш | |
| 1 | 312107-П15 | Гайка колпачковая | |
| 2 | 312450-П | Шайба ниппеля | |
| 3 | 236-1111116 | Ниппель соединительный | |
| 4 | 236-1111118-Б | Штуцер топливного насоса | |
| 5 | 250508-П29 | Гайка М6 | |
| 6 | 236-1111120 | Сухарь штуцера | |
| 7 | 236-1111113 | Упор клапана | |
| 8 | 236-1111108 | Пружина нагнетательного клапана | |
| 9 | 236-1111102 | Клапан нагнетательный в сборе | |
| 10 | 236-1111086 | Прокладка нагнетательного клапана | |
| 11 | 236-1111102 | Клапан нагнетательный в сборе | |
| 12 | 236-1111289-В | Пружина клапана | |
| 13 | 236-1111290-А | Направляющая клапана | |
| 14 | 236-1111285-Б | Корпус клапана | |
| 15 | 236-1111238-Е | Втулка ограничителя мощности | |
| 16 | 236-1111249-В | Винт ограничителя мощности | |
| 17 | 236-1111032 | Ввертыш корпуса | |
| 18 | 312630-П | Шайба жиклера | |
| 19 | 236-1111283 | Клапан | |
| 20 | 236-1111287 | Седло клапана | |
| 21 | 312353-П | Шайба | |
| 22 | 310952-П15 | Винт стопорный | |
| 23 | 236-1111154-А | Стопор винта | |
| 24 | 201426-П29 | Болт стяжной сухаря | |
| 25 | 252134-П29 | Шайба пружинная | |
| 26 | 60.1111074 | Пара плунжерная топливного насоса в сборе | |
| 27 | 60.1111074 | Пара плунжерная топливного насоса в сборе | |
| 28 | 236-1111020-В2 | Корпус топливного насоса высокого давления в сборе | |
| 28 | 238-1111020-В2 | Корпус топливного насоса высокого давления в сборе | |
| 29 | 314019-П | Шпонка сегментная | |
| 30 | 236-1111172-Б | Вал кулачковый | |
| 30 | 238-1111172-Б | Вал кулачковый | |
| 31 | 238-1111040 | Рейка ТНВД | |
| 31 | 236-1111040 | Рейка топливного насоса высокого давления | |
| 32 | 852702-П | Шплинт-проволока | |
| 33 | 852007-П15 | Болт | |
| 34 | 236-1111177-Б | Опора кулачкового вала | |
| 35 | 236-1111050 | Пробка корпуса в сборе | |
| 36 | 236-1111060 | Венец зубчатый со втулкой в сборе | |
| 37 | 236-1111150Б | Тарелка пружины толкателя верхняя | |
| 38 | 236-1111148-Б | Пружина толкателя топливного насоса | |
| 39 | 236-1111151-Б | Тарелка пружины толкателя нижняя | |
| 40 | 236-1111136 | Толкатель плунжера в сборе | |
| 41 | 312449-П | Шайба | |
| 42 | 236-1111036 | Ввертыш | |
| 43 | 312446-П | Шайба | |
| 44 | 852882-П15 | Пробка | |
| 45 | 236-1111122 | Винт установочный втулки плунжера | |
| 46 | 200276-П29 | Болт | |
| 47 | 236-1111260 | Сапун в сборе | |
| 48 | 312356-П29 | Шайба | |
| 49 | 236-1111226 | Прокладка крышки | |
| 49 | 238-1111226 | Прокладка крышки | |
| 50 | 236-1111222-В | Крышка насоса высокого давления | |
| 50 | 238-1111222-В | Крышка насоса высокого давления | |
| 51 | 236-1111227-Б | Винт крепления крышки | |
| 52 | 312651-П | Шайба | |
| 53 | 238-1111294-А | Трубка дренажная в сборе | |
| 53 | 236-1111294-Б2 | Трубка дренажная в сборе | |
| 54 | 315455-П29 | Кляммер крепления трубки | |
| 55 | 252135-П2 | Шайба | |
| 56 | 201452-П29 | Болт | |
| 57 | 310122-П2 | Болт М10х1х20 | |
| 58 | 312482-П34 | Шайба уплотнительная диаметр 10 мм болта крепления сливных трубок | |
| 59 | 236-1111229-Б | Винт крепления крышки | |
| 60 | 236-1111271-Б | Указатель уровня масла в сборе | |
| 61 | 236-1111027 | Заглушка чашечная | |
| 62 | 312439-П15 | Шайба | |
| 63 | 236-1111194 | Прокладка крышки | |
| 64 | 236-1111193 | Прокладка крышки | |
| 65 | 236-1111182 | Крышка подшипника | |
| 66 | 311200-П29 | Винт | |
| 67 | 236-1111186-А | Сальник крышки подшипника с пружиной в сборе | |
| 68 | 236-1111196 | Кольцо уплотнительное корпуса регулятора | |
| 69 | 7204А | Подшипник роликовый кулачкового вала | |
| 70 | 236-1111245 | Кольцо уплотнительное ограничителя мощности |
Содержащиеся в справочниках-каталогах запасные части и детали не предлагаются к продаже, а носят исключительно информационный характер