Каталог запасных частей к технике: МАЗ-503А. Масляный насос двигателя
1
2
3
4
5
5
6
7
8
9
10
10
10
11
12
13
14
15
16
17
18
18
19
20
21
22
23
24
25
25
25
26
26
27
28
29
30
30
31
32
33
34
35
36
37
38
39
40
41
42
43
44
45
45
45
46
47
48
49
50
51
| Позиция на иллюстрации | Заводской номер детали | Название детали | |
|---|---|---|---|
| 236-1011030-Б | 236-1011030-Б | Шестерня нагнетающей секции ведомая в сборе | |
| 236-1011352 | 236-1011352 | Трубка отводящая нагнетающей секции | |
| 236-1011422-Б | 236-1011422-Б | Трубка отводящая радиаторной секции | |
| 236-1011398-Б2 | 236-1011398-Б2 | Трубка с заборником в сборе всасывающая | |
| 204Б-1-11305 | 204Б-1-11305 | Упор сетки заборника | |
| 236-1011292-В2 | 236-1011292-В2 | Фланец всасывающей трубки передний | |
| 236-1011356-Б2 | 236-1011356-Б2 | Фланец отводящей трубки | |
| 236-1011356-Б2 | 236-1011356-Б2 | Фланец отводящей трубки | |
| 204Б-1011300 | 204Б-1011300 | Чашка заборника в сборе | |
| 236-1011294-Б | 236-1011294-Б | Фланец всасывающей трубки задний | |
| 236-1011040-Б | 236-1011040-Б | Шестерня нагнетающей секции ведущая в сборе | |
| 236-1011240 | 236-1011240 | Шестерня привода масляного насоса промежуточная | |
| 258254-П | 258254-П | Шплинт-проволока | |
| 258611-П2 | 258611-П2 | Штифт | |
| 313404-П2 | 313404-П2 | Штифт | |
| 313404-П2 | 313404-П2 | Штифт | |
| 236-1011034 | 236-1011034 | Втулка валика масляного насоса | |
| 236-1011048-Б | 236-1011048-Б | Клапан нагнетающей секции редукционный в сборе | |
| 236-1011206 | 236-1011206 | Втулка промежуточной шестерни масляного насоса | |
| 206В-1011037 | 206В-1011037 | Втулка установочная | |
| 258623-П2 | 258623-П2 | Заглушка | |
| 236-1011399 | 236-1011399 | Трубка всасывающая с чашкой заборника в сборе | |
| 236-1011363-Б | 236-1011363-Б | Клапан радиаторной секции предохранительный в сборе | |
| 236-1011020-Б | 236-1011020-Б | Корпус нагнетающей секции масляного насоса | |
| 236-1011015-Б | 236-1011015-Б | Корпус нагнетающей секции масляного насоса в сборе | |
| 236-1011021-Б | 236-1011021-Б | Корпус радиаторной секции масляного насоса | |
| 236-1011010-А | 236-1011010-А | Насос масляный с трубками в сборе | |
| 236-1011402-В | 236-1011402-В | Трубка всасывающая | |
| 204А-1011312-В | 204А-1011312-В | Сетка заборника наружная | |
| 204А-1011314-Б | 204А-1011314-Б | Сетка заборника внутренняя | |
| 204А-1011311-Б | 204А-1011311-Б | Сетка заборника в сборе | |
| 236-1011208 | 236-1011208 | Ось промежуточной шестерни | |
| 204А-1011316-Б | 204А-1011316-Б | Ободок сетки заборника | |
| 236-1011014-Б | 236-1011014-Б | Масляный насос в сборе | |
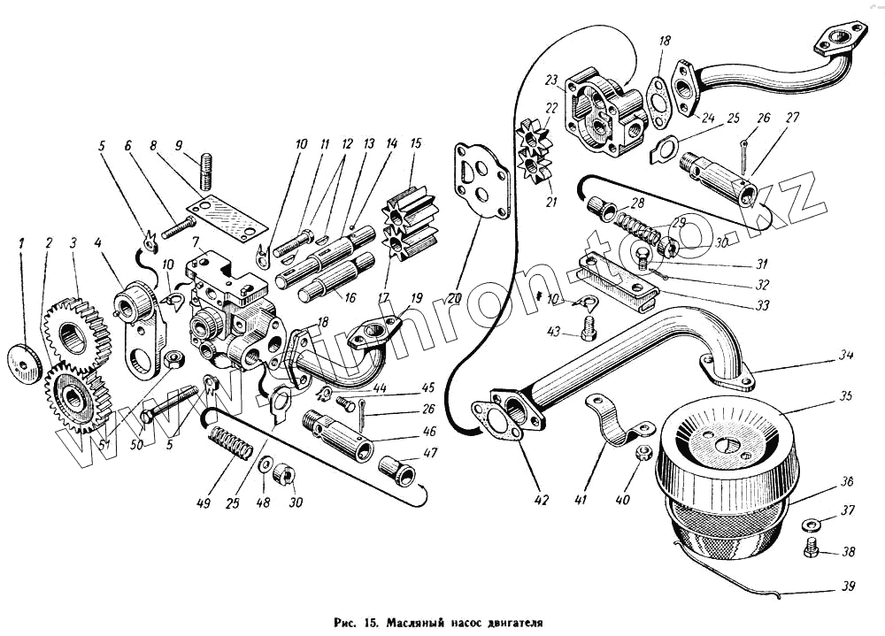
| 1 | 236-1011217 | Фланец упорный | |
| 2 | 236-1011230 | Шестерня привода масляного насоса ведомая | |
| 3 | 236-1011202 | Шестерня привода масляного насоса промежуточная в сборе | |
| 4 | 236-1011207 | Ось промежуточной шестерни в сборе | |
| 5 | 312533-П15 | Шайба замковая | |
| 6 | 310266-П | Болт крепления упорного фланца | |
| 7 | 236-1011018-Б | Корпус нагнетающей секции масляного насоса с втулками в сборе | |
| 8 | 236-1011380 | Прокладка регулировочная | |
| 9 | 310436-П | Шпилька крепления насоса | |
| 10 | 312534-П2 | Шайба замковая | |
| 11 | 310203-П2 | Болт крепления оси | |
| 12 | 314005-П2 | Шпонка сегментная | |
| 13 | 236-1011042-Б | Валик масляного насоса ведущий | |
| 14 | 201-1015434 | Шарик стопорный | |
| 15 | 236-1011045-Б | Шестерня нагнетающей секции-ведущая | |
| 16 | 236-1011025-Б | Ось ведомых шестерен масляного насоса | |
| 17 | 236-1011032-Б | Шестерня нагнетающей секции ведомая | |
| 18 | 236-1011358 | Прокладка фланца | |
| 19 | 236-1011350-Б2 | Трубка отводящая нагнетающей секции в сборе | |
| 20 | 236-1011049 | Проставка масляного насоса | |
| 21 | 236-1011114 | Шестерня радиаторной секции ведомая | |
| 22 | 236-1011100 | Шестерня радиаторной секции ведущая | |
| 23 | 236-1011019-Б | Корпус радиаторной секции масляного насоса в сборе | |
| 24 | 236-1011420-Б2 | Трубка отводящая радиаторной секции в сборе | |
| 25 | 312559-П2 | Шайба предохранительного клапана радиаторной секции замковая | |
| 25 | 312571-П2 | Шайба сливного клапана замковая | |
| 26 | 258056-П29С | Шплинт разводной | |
| 27 | 236-1011365-Б | Корпус предохранительного клапана радиаторной секции | |
| 28 | 236-1011364 | Клапан радиаторной секции предохранительный | |
| 29 | 236-1011368-Б | Пружина предохранительного клапана радиаторной секции | |
| 30 | 236-1011071-В2 | Колпачок | |
| 31 | 205417-П2 | Болт крепления скобы | |
| 32 | 258013-П29С | Шплинт разводной | |
| 33 | 236-1011320 | Кронштейн крепления всасывающей трубки | |
| 34 | 236-1011400-В2 | Трубка всасывающая в сборе | |
| 35 | 204А-1011304-Б | Чашка заборника | |
| 36 | 204А-1011310-В | Сетка заборника масляного насоса с ободком в сборе | |
| 37 | 252005-П | Шайба | |
| 38 | 206513-П2 | Болт крепления чашки заборника | |
| 39 | 204А-1011318-Б | Крючок крепления сетки заборника | |
| 40 | 250985-П2 | Гайка | |
| 41 | 236-1011322 | Скоба крепления всасывающей трубки | |
| 42 | 236-1011296 | Прокладка переднего фланца | |
| 43 | 201493-П29 | Болт | |
| 44 | 312533-П15 | Шайба замковая | |
| 45 | 201456-П29 | Болт | |
| 45 | 201456-П29 | Болт | |
| 45 | 201456-П29 | Болт | |
| 46 | 236-1011050-Б | Корпус сливного клапана | |
| 47 | 236-1011054-Б | Клапан сливной | |
| 48 | 312485-П2 | Шайба регулировочная | |
| 49 | 236-1011058-Б | Пружина редукционного клапана нагнетающей секции | |
| 50 | 200276-П29 | Болт | |
| 51 | 250513-П29 | Гайка |
Содержащиеся в справочниках-каталогах запасные части и детали не предлагаются к продаже, а носят исключительно информационный характер