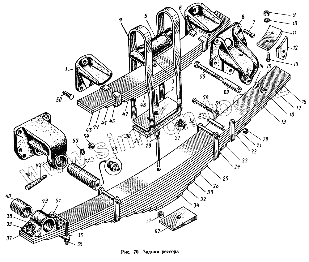
Каталог запасных частей к технике: МАЗ-500А. Задняя рессора
1
2
3
4
5
6
7
8
9
10
11
12
13
14
15
16
17
18
19
20
21
22
23
24
25
26
27
28
29
30
31
32
33
34
35
36
37
38
39
40
41
42
43
44
45
46
47
48
49
50
51
52
53
54
55
56
57
58
59
60
61
62
| Позиция на иллюстрации | Заводской номер детали | Название детали | |
|---|---|---|---|
| 256838-П | 256838-П | Заклепка | |
| 252871-П | 252871-П | Заклепка | |
| 258069-П29 | 258069-П29 | Шплинт | |
| 252020-П29 | 252020-П29 | Шайба | |
| 500-2912015 | 500-2912015 | Ушко задней рессоры в сборе | |
| 500Т-2913012А | 500Т-2913012А | Рессора дополнительная в сборе | |
| 500-2912046 | 500-2912046 | Палец крепления накладного ушка задней рессоры с гайкой, втулкой и шайбой в сборе | |
| 500Т-2912053-Б | 500Т-2912053-Б | Лист № 6 задней рессоры с хомутом в сборе | |
| 500Т-2912051-Б | 500Т-2912051-Б | Лист № 4 задней рессоры с накладкой в сборе | |
| 500Т-2913052-Б | 500Т-2913052-Б | Лист № 4 дополнительной рессоры с хомутами в сборе | |
| 500-2912446-Б | 500-2912446-Б | Кронштейн задней рессоры задний в сборе | |
| 256840-П | 256840-П | Заклепка | |
| 500Т-2912052-Б | 500Т-2912052-Б | Лист № 8 задней рессоры с хомутами в сборе | |
| 1 | 500-2913444-А | Кронштейн | |
| 2 | 371772-П 29 | Болт центровой дополнительной рессоры | |
| 3 | 250515-П29 | Гайка | |
| 4 | 500Т-2912408 | Стремянка задней рессоры | |
| 5 | 5206-2912412 | Накладка задней рессоры | |
| 6 | 500-2913062-А | Хомут 4-го листа дополнительной рессоры | |
| 7 | 252871-П | Заклепка | |
| 8 | 500-2912447-В | Кронштейн задней рессоры задний | |
| 9 | 250512-П29 | Гайка | |
| 10 | 252136-П2 | Шайба | |
| 11 | 500-2902449-Б | Вкладыш кронштейна | |
| 12 | 500-2912448-Б | Вкладыш боковой | |
| 13 | 221725-П29 | Винт | |
| 14 | 352139-П2 | Шайба | |
| 15 | 250560-П29 | Гайка | |
| 16 | 500-2912101-Б | Лист № 1 задней рессоры | |
| 17 | 500-2912102-А | Лист № 2 задней рессоры | |
| 18 | 500-2912103 | Лист № 3 задней рессоры | |
| 19 | 500-2912104-Б | Лист № 4 задней рессоры | |
| 20 | 250512-П29 | Гайка | |
| 21 | 500Т-2912105-Б | Лист № 5 задней рессоры | |
| 22 | 500Т-2912106-Б | Лист №6 задней рессоры | |
| 23 | 500Т-2912107-Б | Лист № 7 задней рессоры | |
| 24 | 500Т-2912108-Б | Лист № 8 задней рессоры | |
| 25 | 500Т-2912109-Б | Лист № 9 задней рессоры | |
| 26 | 500Т-2912110-Б | Лист № 10 задней рессоры | |
| 27 | 375059-П29 | Гайка | |
| 28 | 371773-П29 | Болт центровой задней рессоры | |
| 29 | 500-2912418 | Лист подкладной верхний | |
| 30 | 500-2912419 | Лист подкладной нижний | |
| 31 | 250689-П29 | Гайка | |
| 32 | 500Т-2912112-Б | Лист № 12 задней рессоры | |
| 33 | 500Т-2912111-Б | Лист № 11 задней рессоры | |
| 34 | 500Т-2912113-Б | Лист № 13 задней рессоры | |
| 35 | 374727-П29 | Гайка | |
| 36 | 500-2912025 | Накладка ушка | |
| 37 | 500-2912018 | Втулка | |
| 38 | 500-2912020 | Палец крепления ушка задней рессоры | |
| 39 | 374932-П29 | Гайка | |
| 40 | 200-2912028 | Втулка ушка задней рессоры | |
| 41 | 500А-2912482 | Клин пальца ушка задней рессоры | |
| 42 | 500-2912444 | Кронштейн задней рессоры | |
| 43 | 500-2913101-Б | Лист № 1 дополнительной рессоры | |
| 44 | 500Т-2913102-Б | Лист № 2 дополнительной рессоры | |
| 45 | 500Т-2913103-Б | Лист № 3 дополнительной рессоры | |
| 46 | 500Т-2913104-Б | Лист № 4 дополнительной рессоры | |
| 47 | 500Т-2913105-Б | Лист № 5 дополнительной рессоры | |
| 48 | 500Т-2913107-Б | Лист № 6 дополнительной рессоры | |
| 49 | 500-2912016 | Ушко задней рессоры | |
| 50 | 257109-П | Заклепка | |
| 51 | 500-2912024 | Стремянка ушка рессоры | |
| 52 | 500А-2911478 | Палец ушка задней рессоры | |
| 53 | 252137-П2 | Шайба пружинная | |
| 54 | 250514-П29 | Гайка | |
| 55 | 264020-П8 | Пресс-масленка | |
| 56 | 500-2912063 | Хомут | |
| 57 | 200-2912068 | Трубка распорная хомута рессоры | |
| 58 | 200332-П29 | Болт | |
| 59 | 200879-П29 | Болт | |
| 60 | 200-2912452 | Втулка распорная | |
| 61 | 200-2912062 | Хомут шестого листа задней рессоры | |
| 62 | 503-2912416 | Прокладка клинковая |
Содержащиеся в справочниках-каталогах запасные части и детали не предлагаются к продаже, а носят исключительно информационный характер