Каталог запасных частей к технике: МАЗ-500А. Схема электрооборудования
1
1
3
3
3
4
5
5
6
7
7
8
8
9
10
11
11
12
13
14
14
14
14
15
15
16
17
18
20
21
21
22
23
24
25
26
27
28
29
30
31
32
32
32
33
34
35
36
37
37
37
38
38
39
40
41
43
44
44
45
45
47
48
49
50
51
52
53
54
55
56
57
58
59
60
61
61
62
62
63
64
65
66
67
68
69
73
74
74
75
75
76
77
78
| Позиция на иллюстрации | Заводской номер детали | Название детали | |
|---|---|---|---|
| 504-3716036 | 504-3716036 | Амортизатор | |
| 201418-П15 | 201418-П15 | Болт | |
| 201418-П29 | 201418-П29 | Болт | |
| 201420-П29 | 201420-П29 | Болт М6х20 | |
| 201458-П29 | 201458-П29 | Болт | |
| 201497-П29 | 201497-П29 | Болт | |
| 201499-П29 | 201499-П29 | Болт | |
| 201501-П29 | 201501-П29 | Болт | |
| 201520-П29 | 201520-П29 | Болт | |
| 202422-П29 | 202422-П29 | Болт | |
| УП101-3726105 | УП101-3726105 | Болт | |
| 201497-П29 | 201497-П29 | Болт | |
| 201420-П29 | 201420-П29 | Болт М6х20 | |
| ПС300А-3723150 | ПС300А-3723150 | Вилка штепсельная ПС-300 . | |
| 210079-П29 | 210079-П29 | Винт | |
| 220076-П29 | 220076-П29 | Винт | |
| 220076-П29 | 220076-П29 | Винт | |
| 220077-П29 | 220077-П29 | Винт-заглушка | |
| 220079-П29 | 220079-П29 | Винт | |
| 220080-П29 | 220080-П29 | Винт | |
| 220082-П29 | 220082-П29 | Винт | |
| 220086-П29 | 220086-П29 | Винт | |
| 220103-П29 | 220103-П29 | Винт | |
| 220104-П29 | 220104-П29 | Винт | |
| 220105-П29 | 220105-П29 | Винт | |
| 220107-П29 | 220107-П29 | Винт | |
| 221512-П29 | 221512-П29 | Винт | |
| 221590-П29 | 221590-П29 | Винт | |
| 223064-П13 | 223064-П13 | Винт | |
| 224681-П13 | 224681-П13 | Винт | |
| 373746-П29 | 373746-П29 | Винт | |
| 373800-П29 | 373800-П29 | Винт | |
| 401064-П22 | 401064-П22 | Винт | |
| Н-11-27-П29 | Н-11-27-П29 | Винт | |
| 220103-П29 | 220103-П29 | Винт | |
| 242468-П29 | 242468-П29 | Винт стопорный | |
| 373746-П29 | 373746-П29 | Винт | |
| 200-3724015 | 200-3724015 | Втулка резиновая | |
| 200-3724042 | 200-3724042 | Втулка | |
| 200-3724065 | 200-3724065 | Втулка | |
| 200-3802045 | 200-3802045 | Втулка | |
| 500-1104540 | 500-1104540 | Втулка | |
| 500-3724065 | 500-3724065 | Втулка | |
| 503-8609438 | 503-8609438 | Втулка | |
| 535А-3724015 | 535А-3724015 | Втулка | |
| 250508-П29 | 250508-П29 | Гайка М6 | |
| 250510-П29 | 250510-П29 | Гайка | |
| 250512-П29 | 250512-П29 | Гайка | |
| 250512-П29 | 250512-П29 | Гайка | |
| 250515-П29 | 250515-П29 | Гайка | |
| 250760-П29 | 250760-П29 | Гайка | |
| 250763-П29 | 250763-П29 | Гайка | |
| 311504-П14 | 311504-П14 | Гайка | |
| 374620-П13 | 374620-П13 | Гайка | |
| 250508-П29 | 250508-П29 | Гайка М6 | |
| 5224В-3521110 | 5224В-3521110 | Держатель штепсельной вилки | |
| 51-3723104 | 51-3723104 | Зажим соединительной муфты | |
| 315406-П29 | 315406-П29 | Кляммер | |
| 315407-П29 | 315407-П29 | Кляммер воздухопровода | |
| 379166-П29 | 379166-П29 | Кляммер | |
| 379173-П29 | 379173-П29 | Кляммер | |
| 379665-П29 | 379665-П29 | Кляммер | |
| 401861-П29 | 401861-П29 | Кляммер | |
| 500А-3724076 | 500А-3724076 | Колпак защитный | |
| 500-3709024 | 500-3709024 | Колпачок ножного переключателя | |
| 500-3721084-В | 500-3721084-В | Контакт | |
| 500-3723210 | 500-3723210 | Коробка в сборе | |
| 51-3723102 | 51-3723102 | Корпус соединительной муфты проводов | |
| 500-3723040 | 500-3723040 | Кронштейн . | |
| 500-3741032 | 500-3741032 | Кронштейн в сборе | |
| 500А-3716016 | 500А-3716016 | Кронштейн заднего фонаря в сборе | |
| 504-3716025 | 504-3716025 | Кронштейн крепления номерного знака | |
| 500-3723140-А | 500-3723140-А | Кронштейн крепления штепсельной розетки | |
| 500-3726036 | 500-3726036 | Кронштейн переключателя | |
| А24-1 | А24-1 | Лампа | |
| А24-21 | А24-21 | Лампа | |
| А24-3 | А24-3 | Лампа | |
| 500-3709018 | 500-3709018 | Люк ножного переключателя | |
| 504-3716035 | 504-3716035 | Накладка | |
| 504А-3716036 | 504А-3716036 | Прокладка | |
| 191-8104220 | 191-8104220 | Накладка верхнего фланца | |
| 191-8104217 | 191-8104217 | Накладка нижнего фланца | |
| 210Д-3506342 | 210Д-3506342 | Наконечник оттяжной пружины в сборе | |
| 500-3810058 | 500-3810058 | Ниппель | |
| 500-3724047 | 500-3724047 | Обойма уплотнителя | |
| УП101-3726100 | УП101-3726100 | Основание в сборе | |
| 500-3721090-В | 500-3721090-В | Основание контактного устройства | |
| 500-3724096-В1 | 500-3724096-В1 | Перемычка между включателями | |
| 500-3724210-Б1 | 500-3724210-Б1 | Перемычка между предохранителями | |
| 500-8207038 | 500-8207038 | Пробка | |
| 500-3724083 | 500-3724083 | Провод к подкузовному фонарю | |
| 500-3724060-А | 500-3724060-А | Провод массы | |
| 504-3724061 | 504-3724061 | Провод массы заднего фонаря | |
| 504-3724062-Ж | 504-3724062-Ж | Провод от аккумуляторных батарей к стартеру | |
| 500-3724082 | 500-3724082 | Провод от переключателя кузовного фонаря | |
| 500-3724413-Б1 | 500-3724413-Б1 | Провод электродвигателя вентилятора | |
| 200-3806026 | 200-3806026 | Прокладка | |
| 500-3703040-Б | 500-3703040-Б | Прокладка | |
| 500-3726048 | 500-3726048 | Прокладка | |
| 504А-3716036 | 504А-3716036 | Прокладка | |
| ФП124-3716203 | ФП124-3716203 | Прокладка | |
| 500-3712018 | 500-3712018 | Прокладка корпуса подфарника | |
| 500-3711024 | 500-3711024 | Прокладка корпуса фары | |
| 500-3723242 | 500-3723242 | Прокладка штепсельной розетки переносной лампы | |
| 500-3721088-В | 500-3721088-В | Пружина | |
| 200В-3506341 | 200В-3506341 | Пружина оттяжная | |
| 500-3724131-Б1 | 500-3724131-Б1 | Пучок проводов стеклоочистителя | |
| 504А-3724040-Б | 504А-3724040-Б | Пучок проводов штепсельной розетки полуприцепа | |
| УП101-3726204 | УП101-3726204 | Рассеиватель | |
| 191-8104240 | 191-8104240 | Решетка вентилятора задняя в сборе | |
| 191-8104226 | 191-8104226 | Решетка вентилятора передняя в сборе | |
| 500-3709014-Б | 500-3709014-Б | Ручка центрального переключателя света | |
| 379287-П1 | 379287-П1 | Скоба пружинная | |
| 379289-П1 | 379289-П1 | Скоба пружинная | |
| 379333-П1 | 379333-П1 | Скоба пружинная | |
| 379333-П2 | 379333-П2 | Скоба пружинная | |
| 500-3724150 | 500-3724150 | Скоба пружинная в сборе | |
| 191-8104222 | 191-8104222 | Стойка кронштейна в сборе | |
| 504А-3723232 | 504А-3723232 | Стойка штепсельной розетки прицепа в сборе | |
| 500-3703042-Б | 500-3703042-Б | Угольник кронштейна аккумуляторных батарей | |
| 500-3724048 | 500-3724048 | Уплотнитель пучков проводов | |
| 500-3724049 | 500-3724049 | Уплотнитель пучков проводов | |
| 191-8104219 | 191-8104219 | Фланец кронштейна верхний | |
| 191-8104215 | 191-8104215 | Фланец кронштейна нижний | |
| 500А-3724152 | 500А-3724152 | Чехол защитный | |
| 252003-П | 252003-П | Шайба | |
| 252003-П29 | 252003-П29 | Шайба | |
| 252004-П22 | 252004-П22 | Шайба | |
| 252004-П29 | 252004-П29 | Шайба | |
| 252037-П29 | 252037-П29 | Шайба | |
| 252133-П2 | 252133-П2 | Шайба | |
| 252134-П2 | 252134-П2 | Шайба | |
| 252136-П2 | 252136-П2 | Шайба | |
| 375370-П14 | 375370-П14 | Шайба | |
| 252133-П2 | 252133-П2 | Шайба | |
| 252134-П2 | 252134-П2 | Шайба | |
| 252135-П2 | 252135-П2 | Шайба | |
| 252136-П2 | 252136-П2 | Шайба | |
| 252154-П2 | 252154-П2 | Шайба пружинная | |
| 262134-П2 | 262134-П2 | Шайба | |
| Н-15-5-П15 | Н-15-5-П15 | Шайба пружинная | |
| 5245-3723024 | 5245-3723024 | Штепсель привода с проводами и шлангами в сборе | |
| СКМЭ205-8101000 | СКМЭ205-8101000 | Электродвигатель вентилятора | |
| 504Б-3724023-Б1 | 504Б-3724023-Б1 | Провод указателя уровня топлива | |
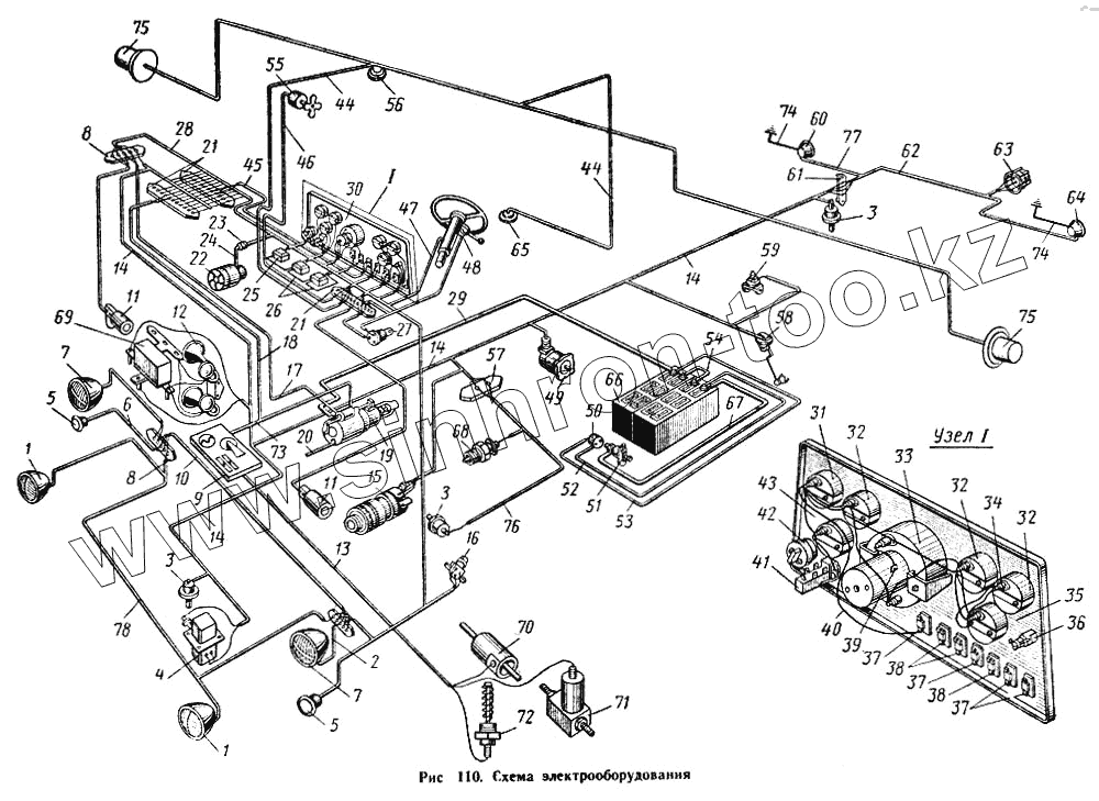
| 1 | ФГ119-3711000-В | Фара противотуманная | |
| 3 | ММ350Б-3810000-Г | Датчик указателя давления масла и воздуха ММ-350Б | |
| 4 | СК-РР127-3702000 | Реле-регулятор в сборе | |
| 5 | ПФ101-3712000-В | Подфарник с лампой А28-32/28-4 | |
| 6 | 500-3724342-Г | Пучок проводов правого подфарника | |
| 7 | ФГ-122-3711000-В | Фара | |
| 8 | ПС5-3723000 | Панель пятиклеммовая соединительная | |
| 9 | ПЖД400-1015410-Б | Щиток управления подогревателем | |
| 10 | 500-3724045-Б2 | Пучок проводов между фарами | |
| 11 | СЛ108-5205000-Г | Стеклоочиститель электрический СЛ-108 | |
| 12 | СК101-3721000 | Сигнал звуковой двухтональный в сборе | |
| 13 | 500-3724086-Б | Пучок проводов подогревателя двигателя | |
| 14 | 500А-3724030 | Пучок проводов по лонжерону | |
| 14 | 503А-3724030 | Пучок проводов по лонжерону | |
| 14 | 504А-3724030 | Пучок проводов по лонжерону | |
| 15 | Г270А-3701000-Г | Генератор в сборе | |
| 15 | СК-СТ103-3708000 | Стартер в сборе | |
| 16 | СК-П39-3710000 | Переключатель света ножной П39 | |
| 17 | 500-3724058-В | Пучок проводов стартера | |
| 18 | 500-3724058-В | Пучок проводов стартера | |
| 20 | 500-3724064-Г | Провод соединения кабины и двигателя с массой | |
| 21 | ПС12-3723000 | Панель двенадцатиклеммовая соединительная | |
| 22 | МЭ233-3730000-Г | Электродвигатель отопителя | |
| 23 | 51-3723100 | Муфта соединительная проводов в сборе | |
| 24 | 500-3724080-Б1 | Провод электродвигателя отопителя | |
| 25 | ПР102-3722000-Б | Блок предохранителей с плавкими вставками в сборе | |
| 26 | ПР102-3722000-В | Блок предохранителей с плавкими вставками | |
| 27 | РС401-3726000-Г | Прерыватель указателя поворотов РС-401 | |
| 28 | 500-3724010-Ж1 | Пучок проводов основной | |
| 29 | 500-3724062-Е | Провод от аккумуляторных батарей к стартеру | |
| 30 | КП-118-3801000-Г | Щиток приборов в сборе | |
| 31 | УК-143 | Указатель температуры воды | |
| 32 | УК-144 | Указатель давления воздуха и масла | |
| 33 | СП-134 | Спидометр | |
| 34 | ПП127-3713000-Б | Патроны ламп | |
| 35 | УБ-125 | Указатель уровня топлива | |
| 36 | ПД20-3803000-П | Фонарь контрольной лампы указателей поворота | |
| 37 | СК-ВК26-3720000-А2 | Включатель приборов, стеклоочистителей и противотуманных фар | |
| 38 | СК-П20-3710000-А2 | Переключатель плафонов, отопителя и топливных баков | |
| 39 | ПП2-3713000 | Патрон контрольной лампы «Ближний свет». Лампа Л28х1 | |
| 40 | 500-3724073-В1 | Провод от включателя приборов к приборам | |
| 41 | Г-П38-3709000 | Переключатель освещения | |
| 43 | АП-109 | Амперметр | |
| 44 | 500-3724050-Г1 | Пучок проводов плафонов | |
| 45 | 504Б-3724023-Б1 | Провод указателя уровня топлива | |
| 45 | 504-3724022-В | Пучок проводов указателя уровня топлива | |
| 47 | 500-3721080-Б | Контактное устройство сигнала в сборе | |
| 48 | СК-П109-3709000-Б2 | Переключатель указателя поворота | |
| 49 | МЭ302В-3730000-Г | Датчик спидометра | |
| 50 | 6ТБ.266.003 | Розетка штепсельная переносной лампы | |
| 51 | СК-ВК318-3704000-Б | Включатель массы батарей | |
| 52 | 500-3724052-В | Провод массы розетки переносной лампы . . | |
| 53 | 500-3724039-Б | Провод питания розетки переносной лампы | |
| 54 | 500-3724057-Д | Перемычка аккумуляторных батарей | |
| 55 | 501-8104210 | Вентилятор кабины в сборе | |
| 56 | ПК201-3714010-А | Плафон | |
| 57 | ПС4-3723000-А2 | Панель двухклеммовая соединительная | |
| 58 | СК-БМ127-3806600-А | Датчик указателя уровня топлива | |
| 59 | СК-ВК13-3720000-Б | Включатель сигнала «Стоп» ВК-13 | |
| 60 | ФП101-3716000-Г | Фонарь задний правый в сборе | |
| 61 | ПС1-3723000-А2 | Панель трехклеммовая соединительная | |
| 61 | ПС2-3723000-А2 | Панель соединительная ПС2-А2 | |
| 62 | 503А-3724032 | Пучок проводов задних фонарей | |
| 62 | 500-3724031-В1 | Пучок проводов левого заднего фонаря и розетки прицепа | |
| 63 | ПС300-3723100 | Розетка штепсельная ПС300 | |
| 64 | ФП101-3716000-В | Фонарь задний левый в сборе | |
| 65 | ПК201-3714010-А | Плафон | |
| 66 | ФЮ3-552-030 | Батарея аккумуляторная 6ТСТ-165ЭМС | |
| 67 | 500-3724069-В | Провод от аккумуляторной батареи к включателю массы | |
| 68 | СК-ТМ100-3808000-Г | Датчик указателя температуры воды ТМ-100 | |
| 69 | СК-РС512-3721000 | Реле сигналов | |
| 73 | 500-3724058-Г | Пучок проводов стартера (при установке предпускового подогревателя) | |
| 74 | 2412.3716010 | Фонарь задний противотуманный | |
| 75 | УП101-3726000-Б | Повторитель боковой указателя поворота | |
| 76 | 500-3724160 | Пучок проводов по двигателю в сборе | |
| 77 | 500-3724032-Г1 | Пучок проводов правого заднего фонаря | |
| 78 | 500-3724041-А1 | Пучок проводов противотуманных фар |
Содержащиеся в справочниках-каталогах запасные части и детали не предлагаются к продаже, а носят исключительно информационный характер