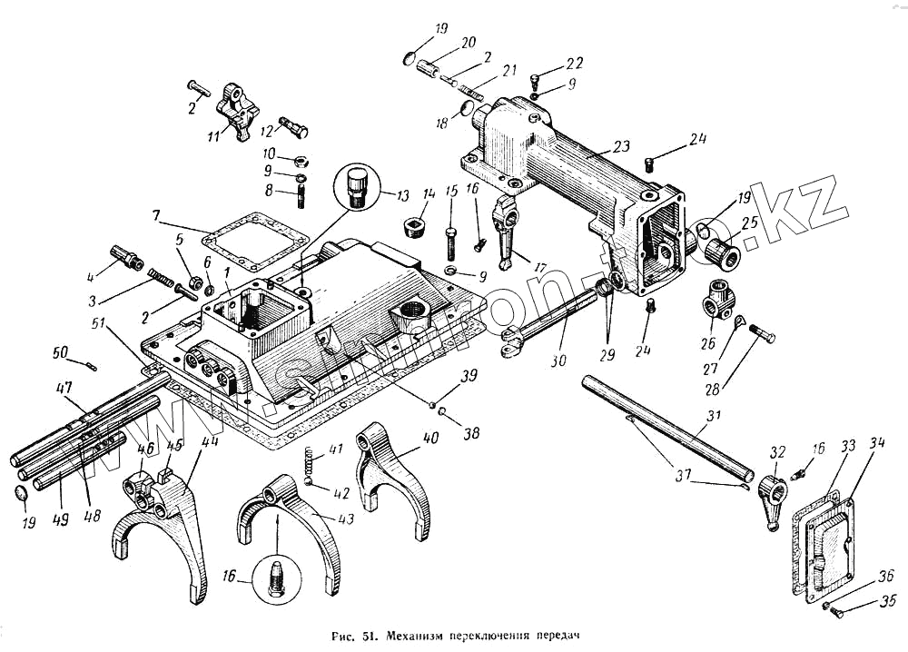
Каталог запасных частей к технике: МАЗ-500А. Механизм переключения передач
1
2
2
2
3
4
5
6
7
8
9
9
9
10
11
12
13
14
15
16
16
16
16
16
17
18
19
19
19
19
20
21
22
23
24
24
25
26
27
28
29
30
31
32
33
34
35
36
37
38
39
40
41
42
43
44
45
46
47
48
49
50
51
| Позиция на иллюстрации | Заводской номер детали | Название детали | |
|---|---|---|---|
| 236-1702206-Б | 236-1702206-Б | Картер механизма дистанционного переключения передач в сборе | |
| 236-1702218 | 236-1702218 | Валик переключения передач в сборе | |
| 314040-П2 | 314040-П2 | Шпонка сегментная | |
| 258250-П29 | 258250-П29 | Шплинт-проволока установочного винта головки | |
| 258250-П | 258250-П | Шплинт-проволока | |
| 258253-П29 | 258253-П29 | Шплинт-проволока установочного винта вилки | |
| 258252-П29 | 258252-П29 | Шплинт-проволока установочного винта | |
| 236-1702200 | 236-1702200 | Механизм дистанционного переключения передач в сборе | |
| 236-1702013-Б | 236-1702013-Б | Крышка коробки передач верхняя в сборе | |
| 236-1702010-Б | 236-1702010-Б | Крышка коробки передач верхняя в сборе | |
| 236-1702171-Б | 236-1702171-Б | Корпус сапуна | |
| 236-1702172-Б | 236-1702172-Б | Колпак корпуса сапуна | |
| 258253-П29 | 258253-П29 | Шплинт-проволока установочного винта вилки | |
| 1 | 236-1702015-Б | Крышка коробки передач верхняя | |
| 2 | 236-1702129 | Штифт фиксатора выбора передач | |
| 2 | 236-1702129 | Штифт фиксатора выбора передач | |
| 3 | 236-1702127-А | Пружина предохранителя | |
| 4 | 236-1702132 | Стакан пружины предохранителя | |
| 5 | 250615-П29 | Гайка | |
| 6 | 252137-П2 | Шайба пружинная | |
| 7 | 236-1702122 | Прокладка опоры рычага переключения передач | |
| 8 | 216258-П29 | Шпилька | |
| 9 | 252136-П2 | Шайба | |
| 10 | 250513-П29 | Гайка | |
| 11 | 236-1702125 | Поводок переключения первой передачи и заднего хода | |
| 12 | 236-1702126 | Ось поводка переключения передачи и заднего хода | |
| 13 | 236-1702170-А | Сапун коробки передач в сборе | |
| 14 | 262522-П2 | Пробка | |
| 15 | 201497-П29 | Болт | |
| 16 | 236-1702025 | Винт установочный | |
| 16 | 236-1702025 | Винт установочный | |
| 16 | 236-1702025 | Винт установочный | |
| 17 | 236-1702225-Б | Рычаг переключения передач | |
| 18 | 260311-П25 | Заглушка | |
| 19 | 260310-П15 | Заглушка | |
| 19 | 260310-П15 | Заглушка | |
| 20 | 236-1702213 | Втулка фиксатора выбора передач | |
| 21 | 236-1702106 | Пружина | |
| 22 | 236-1702215 | Болт втулки фиксатора установочный | |
| 23 | 236-1702209-Б | Картер механизма дистанционного переключения передач | |
| 24 | 316121-П29 | Пробка | |
| 25 | 236-1702210-Б | Втулка картера механизма дистанционного переключения | |
| 26 | 236-1702229 | Головка штока вилки | |
| 27 | 312534-П2 | Шайба замковая | |
| 28 | 310213-П29 | Болт крепления головки штока вилки . | |
| 29 | 236-1702216 | Кольцо уплотнительное штока вилки | |
| 30 | 236-1702227 | Шток вилки продольной тяги переключения передач | |
| 31 | 236-1702221 | Валик переключения передач | |
| 32 | 236-1702222 | Рычаг переключения передач промежуточный | |
| 33 | 236-1702241 | Прокладка крышки картера | |
| 34 | 236-1702240 | Крышка картера механизма дистанционного переключения передач | |
| 35 | 301454-П29 | Болт крепления крышки | |
| 36 | 252135-П2 | Шайба | |
| 37 | 314040-П2 | Шпонка сегментная | |
| 38 | 260303-П15 | Заглушка малая верхней крышки коробки передач | |
| 39 | 200-1702083 | Шарик | |
| 40 | 236-1702024 | Вилка переключения первой передачи и заднего хода | |
| 41 | 236-1702106 | Пружина | |
| 42 | 236-1702100 | Шарик Б12.7-200 | |
| 43 | 236-1702027 | Вилка переключения второй и третьей передач | |
| 44 | 236-1702033 | Вилка переключения четвертой и пятой передач | |
| 45 | 236-1702028 | Головка штока вилки переключения второй и третьей передач | |
| 46 | 236-1702053 | Головка штока вилки переключения первой передачи и заднего хода | |
| 47 | 236-1702060 | Шток вилки .переключения первой передачи и заднего хода | |
| 48 | 236-1702064 | Шток вилки переключения второй и третьей передач | |
| 49 | 236-1702074 | Шток вилки переключения четвертой и пятой передач | |
| 50 | 236-1701087 | Штифт замка штоков вилок переключения передач | |
| 51 | 236-1702014 | Прокладка верхней крышки коробки передач |
Содержащиеся в справочниках-каталогах запасные части и детали не предлагаются к продаже, а носят исключительно информационный характер