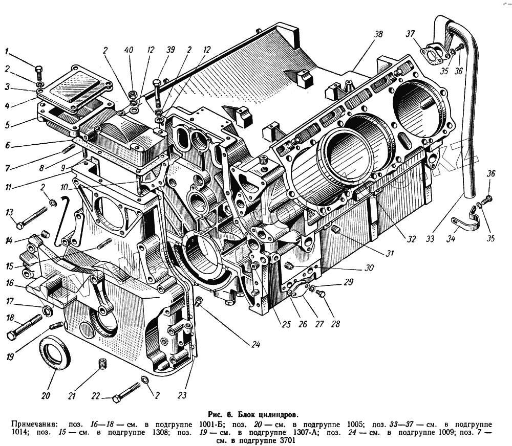
Каталог запасных частей к технике: МАЗ-500А. Блок цилиндров
1
2
2
2
2
2
3
4
5
6
7
8
9
10
11
12
12
13
14
15
16
17
18
19
20
21
22
23
24
25
26
27
28
29
30
31
32
33
34
35
35
36
36
37
38
39
40
| Позиция на иллюстрации | Заводской номер детали | Название детали | |
|---|---|---|---|
| 313410-П2 | 313410-П2 | Штифт установочный | |
| 236-1002012 | 236-1002012 | Блок цилиндров в сборе | |
| ПЖД-600-1015500-Б | ПЖД-600-1015500-Б | Электромагнитный клапан в сборе | |
| 312534-П2 | 312534-П2 | Шайба замковая | |
| 236-1014270 | 236-1014270 | Фланец трубки сапуна | |
| 236-1014266 | 236-1014266 | Трубка сапуна | |
| СН-65-00-00 | СН-65-00-00 | Свеча накаливания | |
| 236-1009096 | 236-1009096 | Отражатель сливного клапана | |
| 537-1015920-Б | 537-1015920-Б | Насос шестеренчатый в сборе | |
| ПЖД-44-1015100 | ПЖД-44-1015100 | Горелка подогревателя в сборе | |
| 236-1002024 | 236-1002024 | Кольцо гильзы уплотнительное | |
| ПДЖ-44-1015010-Б | ПДЖ-44-1015010-Б | Котел подогревателя в сборе | |
| 236-1002260-Б2 | 236-1002260-Б2 | Крышка шестерен распределения в сборе | |
| ПЖД400-1015200-А | ПЖД400-1015200-А | Насосный агрегат в сборе | |
| 236-1002272 | 236-1002272 | Маслоотражатель крышки шестерен распределения | |
| 236-1002255-В2 | 236-1002255-В2 | Крышка блока верхняя в сборе | |
| 1 | 201499-П29 | Болт | |
| 2 | 252136-П2 | Шайба | |
| 3 | 236-1002282-Б | Заглушка люка верхней крышки блока | |
| 4 | 36-1002283 | Прокладка заглушки люка | |
| 5 | 236-1002256-В2 | Крышка блока верхняя | |
| 6 | 236-1002258-А | Прокладка верхней крышки блока | |
| 7 | 216233-П29 | Шпилька крепления планки | |
| 8 | 216262-П29 | Шпилька крепления крышки | |
| 9 | 236-1002266 | Прокладка крышки шестерен распределения правая | |
| 10 | 216344-П29 | Шпилька крепления крышки | |
| 11 | 236-1002264-А | Крышка шестерен распределения | |
| 12 | 252006-П29С | Шайба | |
| 13 | 200328-П29 | Болт | |
| 14 | 262518-П2 | Пробка коническая | |
| 15 | 216258-П29 | Шпилька | |
| 16 | 236-1001020-А | Кронштейн передней опоры двигателя | |
| 17 | 252138-П2 | Шайба пружинная | |
| 18 | 200827-П29 | Болт | |
| 19 | 216259-П29 | Шпилька | |
| 20 | 201-1005034-Б3 | Манжета в сборе | |
| 21 | 236-1002227 | Ввертыш | |
| 22 | 200325-П29 | Болт | |
| 23 | 236-1002265 | Прокладка крышки шестерен распределения левая | |
| 24 | 314670-П | Штуцер | |
| 25 | 262519-П2 | Пробка коническая | |
| 26 | 201-1306075-А | Прокладка заглушки водяного канала блока цилиндрв | |
| 27 | 236-1002404 | Заглушка | |
| 28 | 201454-П29 | Болт | |
| 29 | 252135-П2 | Шайба | |
| 30 | 316121-П21 | Пробка коническая | |
| 31 | 316105-П29 | Пробка | |
| 32 | 236-1002021 | Гильза цилиндров | |
| 33 | 236-1014250 | Сапун в сборе | |
| 34 | 315450-П29С | Кляммер сапуна | |
| 35 | 252135-П2 | Шайба | |
| 36 | 201456-П29 | Болт | |
| 36 | 201456-П2 | Болт | |
| 37 | 236-1014272 | Прокладка сапуна | |
| 38 | 236-1002015-А | Блок цилиндров | |
| 39 | 200325-П29 | Болт | |
| 40 | 250513-П29 | Гайка |
Содержащиеся в справочниках-каталогах запасные части и детали не предлагаются к продаже, а носят исключительно информационный характер