Вернуться на главную
Поиск
Каталоги запчастей к технике
Грузовые автомобили и прицепы
МАЗ
МАЗ-437130 (Зубренок)
Установка переключателей отопителя 6430-3700100-010
Каталог запасных частей к технике: МАЗ-437130 (Зубренок). Установка переключателей отопителя 6430-3700100-010
zoom-in
zoom-out
enlarge
shrink
circle-right
circle-left
file-text2
info
cart
Тип техники
Не выбрано
Легковые автомобили
Грузовые автомобили и прицепы
Автобусы
Сельхозтехника
Спецтехника
Двигатели
Мототехника
Марка
Не выбрано
BAW
DAF
DongFeng
FAW
Foton
HOWO
Hyundai
IVECO
JAC Motors
LGMG
MAN
Shaanxi
SITRAK
Studebaker
Tata
Volvo
Автокомпонент Плюс
БелАЗ
Брянский Арсенал
ГАЗ
ЗИЛ
КАЗ
Камский автозавод
КрАЗ
Мадара
МАЗ
МЗКТ
МоАЗ
Нефтекамский автозавод
Ставропольский Завод АвтоПрицепов
ТАТРА
Тонар
УралАЗ
ЧМЗАП
Модель
Не выбрано
KNORR-BREMSE применяемых на технике МАЗ
КПП МАЗ-543205-070
МАЗ-3PP59 (1999)
МАЗ-437030 (Зубренок) (2004)
МАЗ-437040 (Зубренок) (2002)
МАЗ-437040 (Зубренок) (2005)
МАЗ-437041 (Зубренок) (2010)
МАЗ-437043 (Зубренок) (2011)
МАЗ-437130 (Зубренок) (2008)
МАЗ-4371P2-0000421-000 (2013)
МАЗ-500А
МАЗ-503А
МАЗ-504А
МАЗ-504В (2005)
МАЗ-530905 (2009)
МАЗ-5335 (2004)
МАЗ-5336 (2005)
МАЗ-53363
МАЗ-53366
МАЗ-5337
МАЗ-5337 (2005) (2005)
МАЗ-53371
МАЗ-533731 (2009)
МАЗ-533731 (2012)
МАЗ-5429 (2003)
МАЗ-543 (7310) (2008)
МАЗ-5432 (2003)
МАЗ-543202 (2003)
МАЗ-54321
МАЗ-54323
МАЗ-54326 (2000)
МАЗ-54328
МАЗ-5433
МАЗ-5434
МАЗ-543403, 641705, 641708 (2010)
МАЗ-5440 (2002)
МАЗ-544018 (2011)
МАЗ-544069
МАЗ-5440B5 (2013)
МАЗ-5440B9, 6430B9 (2013)
МАЗ-5440E9 (2011)
МАЗ-5516
МАЗ-5516 (2003) (2003)
МАЗ-551605 (2007)
МАЗ-551608, 630308 (2007)
МАЗ-551669 (2008)
МАЗ-5516А5 (2007)
МАЗ-5549 (2003)
МАЗ-5550V3 (V5) (2011)
МАЗ-5551
МАЗ-5551 (2003) (2003)
МАЗ-555102, 5551А2 (2007)
МАЗ-555142 (2007)
МАЗ-6303 (2000)
МАЗ-6303 (2005) (2005)
МАЗ-630333 (2012)
МАЗ-6303A3, 6303A5 (2007)
МАЗ-631019 (2014)
МАЗ-631236 (2007)
МАЗ-6312B9-0008425-012 (2015)
МАЗ-6317
МАЗ-631705 (2010)
МАЗ-631705, 631708 (2010)
МАЗ-6422 (2003)
МАЗ-6422, 5432 (2007)
МАЗ-64221
МАЗ-64226 (2000)
МАЗ-64229
МАЗ-642505, 642508 (2006)
МАЗ-64255
МАЗ-643018 (2015)
МАЗ-643068 (2003)
МАЗ-6430A8 (5440A8, 5440A5) (2008)
МАЗ-650108 (2008)
МАЗ-650119 (2010)
МАЗ-6501B9 (2014)
МАЗ-6501B9 (2015)
МАЗ-651669-320 (340) (2009)
МАЗ-6516V8-520 (6516V8-540) (2011)
МАЗ-651705 (2009)
МАЗ-6517X9-0000410 (2014)
МАЗ-74131 (1996)
МАЗ-83781
МАЗ-9008
МАЗ-93802
МАЗ-93866
МАЗ-938662
МАЗ-93892
МАЗ-9506
МАЗ-9758
МАЗ-9758-30
Общий (см. мод-ции)
Справочник
Схема
>
Не выбрано
Установка противооткатных упоров 4370-3900037
Установка огнетушителя 6501-3910040
Крепление кабины к раме 4371-5000004
Установка дополнительной термошумоизоляции 4371-5000122
Установка омывателя 6430-5200008
Установка стекла 6430-5200010
Установка панели приборов 4371-5300014
Панель приборов 4371-5300016
Установка люка 6501-5700010
Установка ручек, замка и ограничителя двери
Установка стеклоподъемника и ручки стеклоподъемника
Установка опускного стекла
Установка зеркал 6430-8200005
Установка поручней в кабине 6430-8200030
Установка полки и штор 6501-8200034
Штора противосолнечная 6430-8204110
Установка облицовки 6430-8400018 и боковых щитков 6430-8400014
Механизм подъема кабины 437130-5000040
Установка и пневмопитание сидений 437130-6800006
Сидение
Подставка сиденья с пневмооборудованием 6430-6807006-010
Подушка и спинка сидения
Механизм регулирования высоты
Установка обтекателя 534004-8000014
Установка отопителя 5440-8100001
Блок радиатора 5440-8101010-010
Блок радиатора 544069-8101010
Блок вентилятора
Установка фильтра 6430-8100022
Пульт управления 5440-8109011
Кран управления отопителем 64226-8101150
Установка шлангов отопителя 437130-8100006 (-010)
Установка спального места 4371-8200010
Установка оперения 4371-8400020-010
Установка брызговиков передних колес 4371-8400030
Установка платформы
Платформа (борта и стойки)
Платформа (тентовая надстройка и тент)
Установка платформы
Платформа
Основание
Брызговик 4370-8511010-010
Крепление двигателя 437030-1001002
Система заливки и контроля уровня масла 437030-1018002
Установка подогревателя 437030-1015001-001
Установка топливопроводов подогревателя 437041-1015004
Установка шумоизоляционных экранов 437030-1061004
Крепление топливного бака 437030-1101002
Крепление топливного бака 437137-1101002
Установка топливопроводов 437130-1104002
Установка топливопроводов 437030-1104002
Привод управления двигателем 650136-1108002
Крепление воздушного фильтра 437030-1109002-010
Установка системы выпуска газов 437030-1200001
Установка системы охлаждения 437130-1300005
Радиатор с кожухом 437030-1301009
Установка системы охлаждения наддувочного воздуха 437030-1300040
Установка механизма управления сцеплением 437130-1600005
Блок управления сцеплением 64301-1602004
Цилиндр подпедальный 6430-1602510
Установка привода управления коробкой передач 437130-1700002
Механизм промежуточный 551639-1703325-001
Рычаг 555142-1703410
Хвостовик 437141-1703448
Тяга 6422-1703490-01
Установка карданной передачи
Мост задний
Мост задний. Установка редуктора
Редуктор заднего моста. Шестерня ведущая
Редуктор заднего моста. Дифференциал
Редуктор заднего моста
Ступица моста 4370-3104006
Установка привода управления блокировкой дифференциала 4370-2400024-010
Рама 437130-2801002-003 (437130-2800010-001,437130-2800010-003)
Рама 437130-2801002-010 (437130-2800010-010, 437130-2800010-011)
Установка переднего противоподкатного бруса 4370-2800030
Установка бокового ограждения 4370-2800040-010 (база 3700 мм.)
Установка бокового ограждения 437130-2800040 (база 4200мм)
Установка верхнего бампера 437140-2800003
Подвеска передняя 4370-2900001-020, 4370-2900001-011
Рессора передняя 4370-2902012-020
Рессора передняя 4370-2902012-011
Подвеска задняя 4370-2900002
Рессора задняя 4370-2912012
Передняя ось 4370-3000015
Передняя ось 4370-3000015
Тяга поперечная рулевая 4370-3003052
Ступица переднего колеса 4370-3103006
Установка запасного колеса
Установка задних колес
Установка передних колес
Колесо и шина
Установка рулевого управления 437130-3400001-020
Кронштейн с колонкой 5440-3403008
Бак масляный 5336-3410010-10
Вал нижний 447131-3444050
Тяга продольная 437040-3003010
Тормозной механизм передней оси
Колодка тормоза
Привод тормозного механизма задних колес
Тормоз заднего колеса
Крепление ресиверов 4370-3513004
Присоединительная арматура к ресиверам
Ресивер регенерации
Крепление четырехконтурного клапана 437030-3515002
Тормозной кран и присоединительная арматура
Установка ускорительного клапана 4370-3518004
Привод стояночного тормоза
Установка ускорительного клапана стояночной системы
Установка тормозных камер 437141-3519001
Установка задних тормозных камер 437141-3519002
Пневмовыводы к прицепу 63031-3521004
Установка клапана управления тормозами прицепа 437141-3522005
Крепление регулятора тормозных сил 4370-3533002
Установка осушителя воздуха 5551-3536004
Установка датчиков
Установка передних модуляторов и присоединительной арматуры
Установка задних модуляторов и присоединительной арматуры
Установка фар 437141-3700006
Установка аккумуляторных батарей 437141-3700008 (-700)
Установка задних фонарей 437040-3700009-010 (-710)
Установка электрооборудования на шасси
Установка штепсельных розеток 4370741-3700015 (-700)
Установка электрооборудования в кабине 437141-3700076, 437141-3700076-700
Установка боковых габаритных фонарей 437141-3700080 (-700)
Установка электрооборудования подогревателя 437141-3700085
Установка электрооборудования по двигателю 437030-3700098-010, (-710)
Установка преобразователя напряжения 437141-3700109 (-700)
Установка БКА 3 437141-3700110 (-700)
Установка электрооборудования ЭФУ 437130-3700124 (-700)
Установка датчика-сигнализатора топливного фильтра 437130-3700138, 437130-3700138-700
Установка щитка приборов и коммутационной аппаратуры 437130-3800001-010 (-710)
Установка тахографа 437141-3800005-002
Установка стеклоочистителя 6430-3700041-001
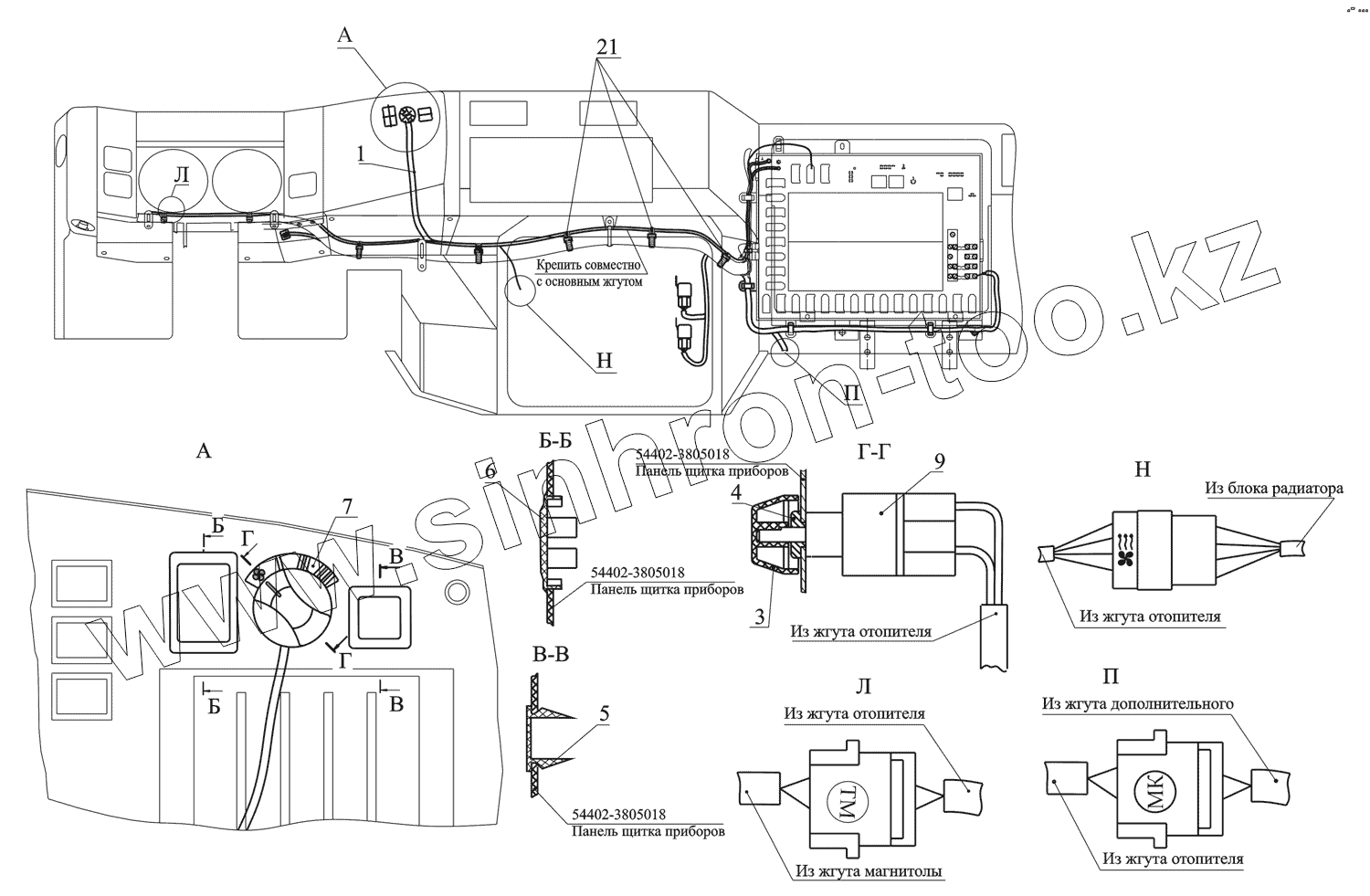
Установка переключателей отопителя 6430-3700100-010
Установка электрооборудования АБС 437137-3800040-010
Установка электрооборудования АБС 437137-3800040
Жгут АБС по шасси 437137-3724760-010
Жгут АБС по шасси 437137-3724760
Датчик с кабелем
Установка датчика АБС с кабелем на переднем колесе
Установка датчиков АБС с кабелем на заднем мосту
Расположение элементов систем АБС в кабине автомобиля 437137-370001
Расположение элементов систем АБС в кабине автомобиля 437137-3700120-010
Ввод жгута АБС по шасси в кабину
Панель реле и предохранителей
Установка ламп и выключателей на автомобиле
Установка электронного блока АБС
Установка электронного блока АБС
Жгут AБС по кабине 437137-3724610
Жгут реле и предохранителей 437137-3724611
Расположение элементов систем ЭСУ в кабине автомобиля 437137-3800060
Ввод жгута ЭСУ двигателя в кабину
Панель реле и предохранителей ЭСУ двигателя
Установка электронного блока ЭСУ
Установка бортовой системы контроля и диагностики
54402-3805018
54402-3805018
54402-3805018
1
3
4
5
6
7
9
21
Позиция на иллюстрации
Заводской номер детали
Название детали
54402-3805018
54402-3805018
Панель щитка приборов
1
5440A9-3724087-010
Жгут отопителя
3
6430-3709276
Ручка
4
6430-3709392
Гайка М5-6Н
5
64221-3710016
Заглушка
6
54402-3870029
Заглушка
7
6430-3903067
Табличка переключателя отопителя
9
632.3709.000
Переключатель кондиционера
21
8320233
Кабельная стяжка
Содержащиеся в справочниках-каталогах запасные части и детали не предлагаются к продаже, а носят исключительно информационный характер
Дополнительная информация
×
Название:
Номер:
Примечание: