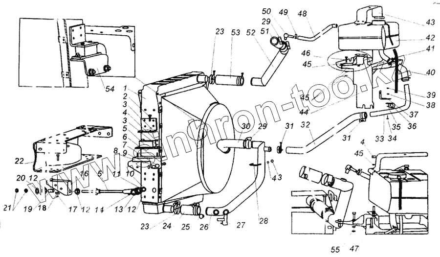
Каталог запасных частей к технике: МАЗ-437040 (Зубренок). Установка системы охлаждения
1
2
3
3
3
4
4
4
5
6
7
8
9
10
11
12
12
12
13
14
15
16
17
18
19
20
21
22
23
23
23
23
24
25
26
27
28
29
29
29
30
31
31
31
31
32
33
34
35
36
37
38
39
40
41
42
43
44
45
45
45
46
47
48
49
50
51
52
53
54
55
| Позиция на иллюстрации | Заводской номер детали | Название детали | |
|---|---|---|---|
| 297580 | 297580 | Пряжка | |
| 297582 | 297582 | Лента | |
| 297575 | 297575 | Шплинт 5,6х22 | |
| 1 | 4370-1301009 | Радиатор с кожухом | |
| 2 | 201454 | Болт М8-6gх16 | |
| 3 | 252135 | Шайба 8Т | |
| 4 | 250510 | Гайка М8-6Н | |
| 5 | 64221-1302060 | Подушка | |
| 6 | 201540 | Болт М12-6gх30 | |
| 7 | 252157 | Шайба 124 | |
| 8 | 4370-1302136 | Кронштейн | |
| 9 | 250514 | Гайка М12-6Н | |
| 10 | 375533 | Шайба 8 | |
| 11 | 64226-1302138 | Втулка | |
| 12 | 500-1302139 | Подушка малая | |
| 13 | 504В-6801122 | Шайба | |
| 14 | 201460 | Болт М8-6gх30 | |
| 15 | 4370-1302121 | Тяга | |
| 16 | 4370-1302143 | Кронштейн | |
| 17 | 252156 | Шайба 10Л | |
| 18 | 250512 | Гайка М10-6Н | |
| 19 | 500-1302138 | Втулка распорная | |
| 20 | 5335-1302063 | Чашка малая | |
| 21 | 250615 | Гайка М12х1,25-6Н | |
| 22 | 201497 | Болт М10-6gх25 | |
| 23 | 53914060 | Хомут | |
| 23 | 64229-1303514 | Хомут | |
| 23 | ТОRRО40-60/9-С6W2 | Хомут | |
| 24 | 4370-1303027 | Шланг | |
| 25 | 262544 | Пробка кг 1/2 "А" | |
| 26 | 4370-1303240 | Патрубок отводящий | |
| 27 | ВС11-8101010 | Кран | |
| 28 | 4370-1303083 | Стремянка | |
| 29 | 53914060 | Хомут | |
| 29 | ТОRRО40-60/9-С6W2 | Хомут | |
| 30 | 70-1303001 | Угловой патрубок | |
| 31 | 53913045 | Хомут | |
| 31 | 64229-1303650 | Хомут | |
| 31 | ТОRRО30-45/9-С6W2 | Хомут | |
| 32 | 4370-1303168 | Шланг | |
| 33 | 4370-1303252-010 | Труба | |
| 34 | 201418 | Болт М6-6gх16 | |
| 35 | 252004 | Шайба 6 | |
| 36 | 379665 | Кпяммер | |
| 37 | 4370-1303257 | Кронштейн | |
| 38 | 252134 | Шайба 6Т | |
| 39 | 250508 | Гайка М6-6Н | |
| 40 | 4370-1303171 | Шланг | |
| 41 | 64227-1311024 | Шланг | |
| 42 | 4370-1311010 | Бачок расширительный | |
| 43 | 4370-1311319 | Шланг | |
| 44 | 4370-1311080-010 | Кронштейн | |
| 45 | 252005 | Шайба 8 | |
| 46 | 201458 | Болт М8-6gх25 | |
| 47 | 200263 | Болт М8-6gх35 | |
| 48 | 4370-1303066 | Шланг | |
| 49 | 53911220 | Хомут | |
| 50 | 4370-1303336 | Угольник | |
| 51 | 4370-1303011 | Шланг | |
| 52 | 4370-1303020-010 | Патрубок подводящий | |
| 53 | 4370-1303010 | Шланг | |
| 54 | 4370-1302135 | Кронштейн правый | |
| 55 | 4370-1311310 | Кронштейн |
Содержащиеся в справочниках-каталогах запасные части и детали не предлагаются к продаже, а носят исключительно информационный характер