Каталог запасных частей к технике: МАЗ-437040 (Зубренок). Привод подачи топлива
1
2
3
4
5
6
7
8
9
10
11
12
13
13
14
14
15
16
17
18
18
19
20
20
21
23
24
24
24
24
24
24
25
26
27
27
27
27
27
27
27
28
29
30
30
30
30
30
30
30
31
31
31
31
32
32
32
33
34
34
35
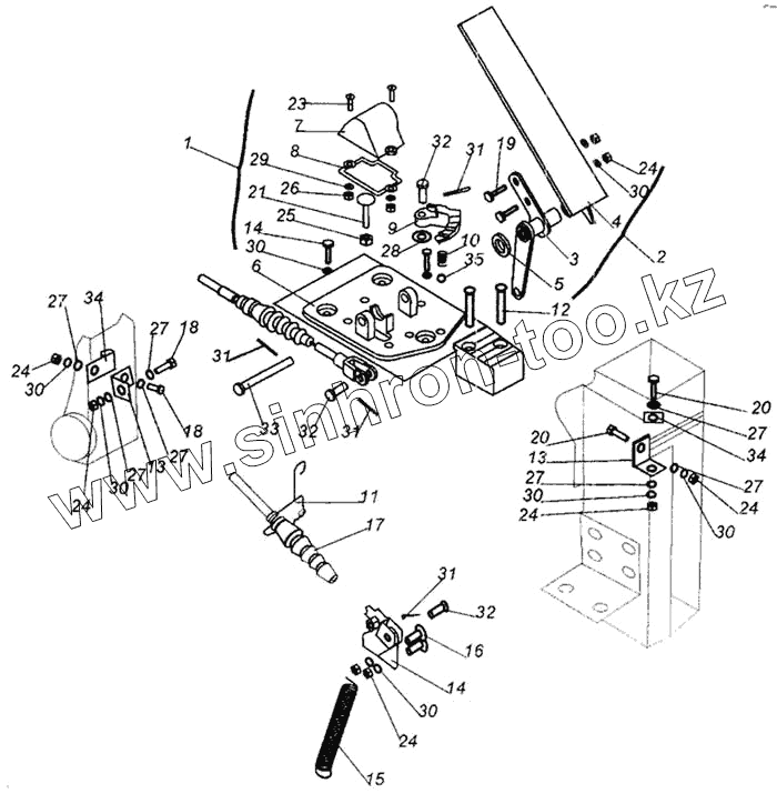
| Позиция на иллюстрации | Заводской номер детали | Название детали | |
|---|---|---|---|
| 1 | 64226-1108005-10 | Педаль с кронштейном | |
| 2 | 64226-1108008-10 | Педаль с втулкой | |
| 3 | 64226-1108056 | Втулка с пластиной и рычагом | |
| 4 | 64221-1108614 | Педаль | |
| 5 | 5336-1108161 | Кольцо | |
| 6 | 64221-1108025 | Кронштейн педали | |
| 7 | 5336-1108058 | Крышка | |
| 8 | 5336-1108059 | Прокладка | |
| 9 | 64221-1108432 | Защелка | |
| 10 | 220-8604028 | Пружина | |
| 11 | 4370-1108124 | Кронштейн | |
| 12 | 64221-1108029 | Подставка | |
| 13 | 504В-3504046 | Угольник оттяжной пружины | |
| 14 | 555142-1108132 | Рычаг | |
| 15 | 509-3570032 | Пружина | |
| 16 | 4370-1108432 | Фиксатор | |
| 17 | 4370-1108580 | Гибкий привод | |
| 18 | 201420 | Болт М6-6gх20 | |
| 19 | 201422 | Болт М6-6gх25 | |
| 20 | 201418 | Болт М6-6gх16 | |
| 21 | 210382-10 | Болт М8-6gх35 | |
| 22 | 221617 | Винт 2М6-6gх45 | |
| 23 | 220080 | Винт М5-6gх16 | |
| 24 | 250508 | Гайка М6-6Н | |
| 25 | 250510 | Гайка М8-6Н | |
| 26 | 250464 | Гайка М5-6Н | |
| 27 | 252004 | Шайба 6 | |
| 28 | 252005 | Шайба 8 | |
| 29 | 252133 | Шайба 5Т | |
| 30 | 252154 | Шайба 6Л | |
| 31 | 258039 | Шплинт 3,2х20 | |
| 32 | 260033 | Палец | |
| 33 | 377931 | Палец 10х75 | |
| 34 | 401878 | Кпяммер | |
| 35 | Шарик 7,938-100 | Шарик 7,938-100 |
Содержащиеся в справочниках-каталогах запасные части и детали не предлагаются к продаже, а носят исключительно информационный характер