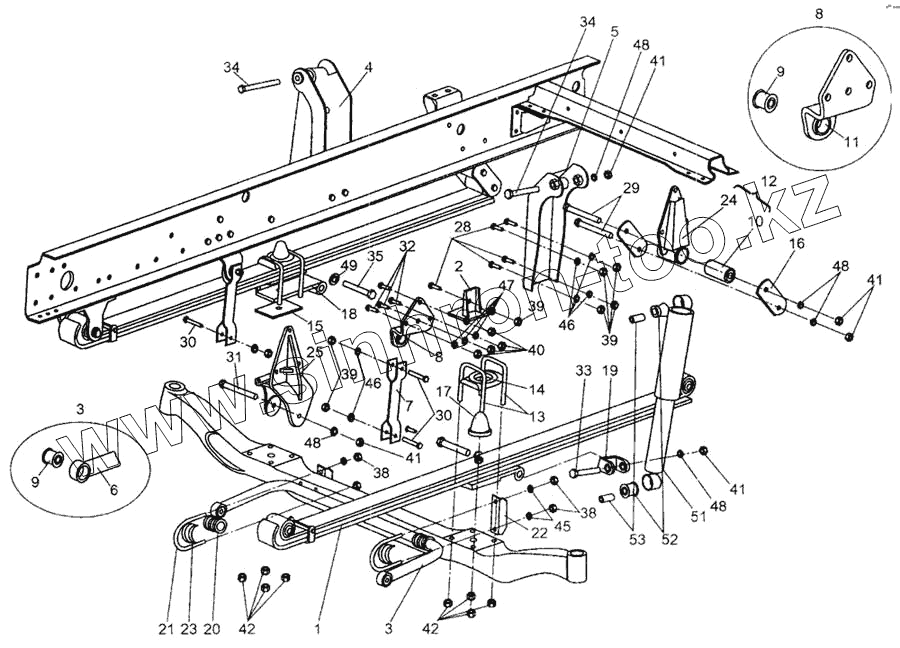
Каталог запасных частей к технике: МАЗ-437040 (Зубренок). Подвеска передняя
1
2
3
3
4
5
6
7
8
8
9
9
10
11
12
13
14
15
16
17
18
19
20
21
22
23
24
25
28
29
30
30
31
32
33
34
34
35
38
38
39
39
39
40
41
41
41
41
42
42
45
46
46
47
48
48
48
48
49
51
52
53
| Позиция на иллюстрации | Заводской номер детали | Название детали | |
|---|---|---|---|
| 1 | 4370-2902012 | Рессора передняя | |
| 2 | 4307-2902608 | Кронштейн буфера | |
| 3 | 4370-2906006 | Вал стабилизатора в сборе | |
| 4 | 4370-2905540 | Кронштейн верхний правый | |
| 5 | 4370-2905541 | Кронштейн верхний левый | |
| 6 | 4370-2906016 | Вал стабилизатора | |
| 7 | 4370-2906022 | Рычаг | |
| 8 | 4370-2906042 | Кронштейн в сборе | |
| 9 | 46370-2906028 | Шарнир | |
| 10 | 4370-2902230 | Шарнир | |
| 11 | 4370-2906044 | Кронштейн | |
| 12 | 4370-2902446 | Кронштейн в сборе | |
| 13 | 4370-2902408 | Стремянка | |
| 14 | 4370-2902412 | Накладка | |
| 15 | 4370-2902422 | Клин | |
| 16 | 4370-2902464 | Серьга | |
| 17 | 4370-2902624 | Буфер | |
| 18 | 4370-2905418 | Кронштейн | |
| 19 | 4370-2905419 | Вилка | |
| 20 | 4370-2906030 | Втулка | |
| 21 | 4370-2906036 | Стремянка | |
| 22 | 4370-2906038 | Кронштейн | |
| 23 | 4370-2906040 | Скоба | |
| 24 | 4370-2902447 | Кронштейн | |
| 25 | 4370-2902444 | Кронштейн | |
| 28 | 371302 | Болт М12х1,25-6gх40 | |
| 29 | 372677 | Болт М16х1,25-6gх135 | |
| 30 | 372140 | Болт М12х1,25-6gх65 | |
| 31 | 372678 | Болт М16х1,25-6gх150 | |
| 32 | 372538 | Болт М14х1,5-6gх50 | |
| 33 | 372673 | Бопт М16х1,5-6gх110 | |
| 34 | 372679 | Бопт М16х1,5-6gх165 | |
| 35 | 372836 | Бопт М20х1,5-6gх110 | |
| 38 | 250513 | Гайка М10х1-6Н | |
| 39 | 374544 | Гайка М12х1,25-6Н | |
| 40 | 374633 | Гайка М14х1,5-5Н6Н | |
| 41 | 374727 | Гайка М16х1,5-5Н6Н | |
| 42 | 374631 | Гайка М14х1,5-6Н | |
| 45 | 252136 | Шайба 10.ОТ | |
| 46 | 252137 | Шайба 12.ОТ | |
| 47 | 252138 | Шайба 14.ОТ | |
| 48 | 252138 | Шайба 14.ОТ | |
| 49 | 252019-10 | Шайба 20 | |
| 51 | 40.2905006-10 | Амортизатор | |
| 52 | 40/19.2905486 | Втулка | |
| 53 | 40/19.2905487 | Втулка внутренняя |
Содержащиеся в справочниках-каталогах запасные части и детали не предлагаются к продаже, а носят исключительно информационный характер