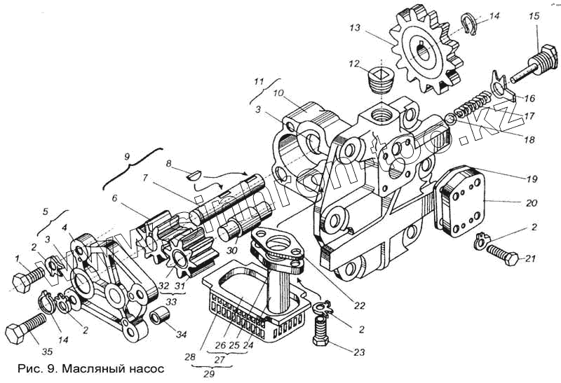
Каталог запасных частей к технике: МАЗ КПП МАЗ-543205-070. Масляный насос
1
2
2
2
2
3
3
4
5
6
7
8
9
10
11
12
13
14
14
15
16
17
18
19
20
21
22
23
24
25
26
27
28
29
30
31
32
33
34
35
| Позиция на иллюстрации | Заводской номер детали | Название детали | |
|---|---|---|---|
| 202.1704010 | 202.1704010 | Масляный насос | |
| 1 | 201460 | Болт М8-6gх30 | |
| 2 | 312211 | Шайба | |
| 3 | 201.1704058 | Втулка валика | |
| 4 | 202.1704090 | Крышка | |
| 5 | 202.1704088 | Крышка | |
| 6 | 201.1704030 | Шестерня | |
| 7 | 201.1704042 | Валик | |
| 8 | 378079 | Шпонка 3х5 | |
| 9 | 201.1704028 | Шестерня ведущая | |
| 10 | 201.1704015 | Корпус | |
| 11 | 201.1704013 | Корпус | |
| 12 | 262518 | Пробка КГ 3/8" | |
| 13 | 202.1704142 | Шестерня | |
| 14 | 400337 | Стопорное кольцо | |
| 15 | 236-1704026 | Пробка клапана масляного насоса | |
| 16 | 312219 | Шайба 14 | |
| 17 | 201.1704027 | Пружина клапана | |
| 18 | Б9.525-100 | Шарик | |
| 19 | 201.1704066 | Прокладка крышки корпуса | |
| 20 | 202.1704064 | Крышка | |
| 21 | 201458 | Болт М8-6gх25 | |
| 22 | 201.1704108 | Прокладка заборника | |
| 23 | 201456 | Болт М8-6gх20 | |
| 24 | 201.1704103 | Трубка | |
| 25 | 201.1704104 | Фланец | |
| 26 | 201.1704102 | Крышка | |
| 27 | 201.1704101 | Крышка заборника | |
| 28 | 201.1704106 | Корпус заборника | |
| 29 | 201.1704100 | Заборник | |
| 30 | 201.1704025 | Ось ведомой шестерни | |
| 31 | 201.1704035 | Шестерня ведомая | |
| 32 | 201.1704016 | Втулка | |
| 33 | 201.1704033 | Шестерня ведомая | |
| 34 | 201.1704116 | Втулка установочная | |
| 35 | 201464 | Болт М8-6gх40 |
Содержащиеся в справочниках-каталогах запасные части и детали не предлагаются к продаже, а носят исключительно информационный характер