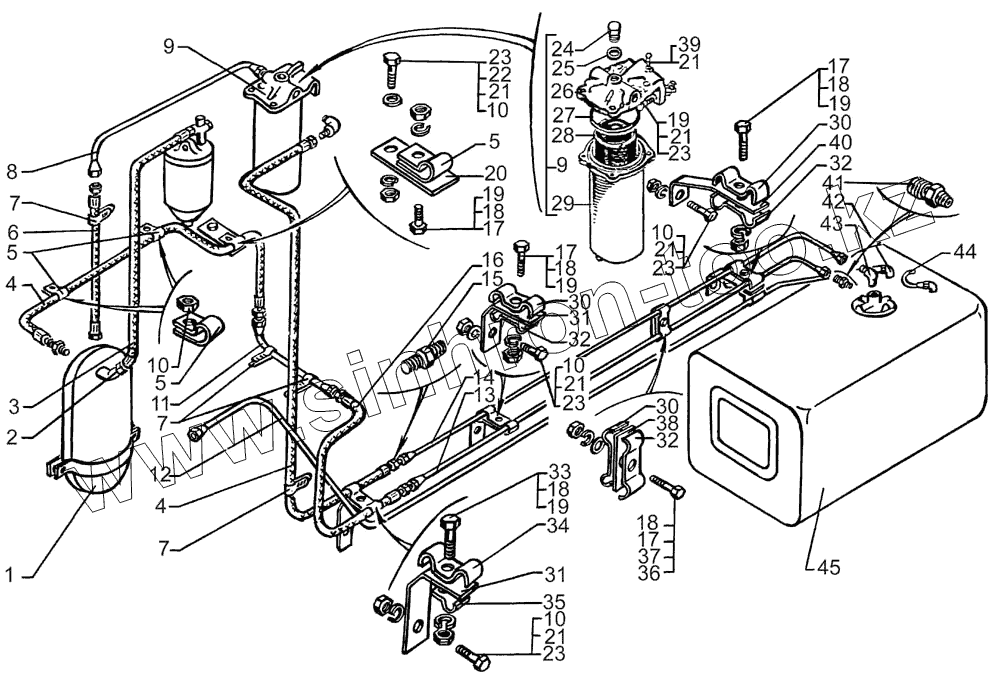
Каталог запасных частей к технике: КрАЗ-7133С4. Установка топливного бака и монтаж топливопроводов
1
2
3
4
4
5
5
5
6
7
7
7
8
9
9
10
10
10
10
10
11
12
13
14
15
16
17
17
17
17
18
18
18
18
18
19
19
19
19
19
20
21
21
21
21
21
21
22
23
23
23
23
23
24
25
26
27
28
29
30
30
30
31
31
32
32
32
33
34
35
36
37
38
39
40
41
42
43
44
45
| Позиция на иллюстрации | Заводской номер детали | Название детали | |
|---|---|---|---|
| 250-3570322 | 250-3570322 | Втулка | |
| 256Б-1104536 | 256Б-1104536 | Шайба уплотнительная | |
| 6322-1101104 | 6322-1101104 | Кронштейн бака | |
| 6505-1101106 | 6505-1101106 | Прокладка | |
| 6505-1101114 | 6505-1101114 | Прокладка | |
| 6505-1101115 | 6505-1101115 | Палец | |
| 6505-1101174 | 6505-1101174 | Пластина | |
| 6510-1104140 | 6510-1104140 | Топливопровод от фильтра тонкой очистки | |
| 201456 | 201456 | Болт М8х1,25х20 | |
| 202148 | 202148 | Болт М16х1,5х55 | |
| 258069 | 258069 | Шплинт 4,6х36 | |
| 250561 | 250561 | Гайка М16х1,5 | |
| 250512 | 250512 | Гайка М10х1,5 | |
| 1 | 250-1015140 | Бачок топливный подогревателя | |
| 2 | 346841 | Штуцер К1/4"хМ20х1,5 | |
| 3 | 250-1015380-01 | Шланг от фильтра двигателя к бачку | |
| 4 | 6510-1104142 | Шланг соединительный | |
| 5 | 347985 | Кляммер 18,5 | |
| 6 | 250-1104147-01 | Шланг соединительный | |
| 7 | 347930 | Стяжка | |
| 8 | 250-1104512 | Трубка топливная от фильтра грубой очистки к насосу | |
| 9 | 204А-1105510-Б | Фильтр топливный грубой очистки в сборе | |
| 10 | 250510 | Гайка М8х1,25 | |
| 11 | 6437-1104555 | Трубка соединительная | |
| 12 | 7133Н4-1104209-000 | Трубка топливная от форсунок к баку | |
| 13 | 7133Н4-1104567-000 | Трубка топливная от шланга к баку | |
| 14 | 7133Н4-1104559-000 | Трубка топливная от бака к шлангу | |
| 15 | 346837 | Штуцер М10х1хМ10х1 | |
| 16 | 6505-1104570-01 | Шланг соединительный | |
| 17 | 201418 | Болт М6х1х16 | |
| 18 | 252134 | Шайба 6Т | |
| 19 | 250508 | Гайка М6-6Н | |
| 20 | 255ЛС-1104516 | Пластина | |
| 21 | 252135 | Шайба 8,65Г.029 | |
| 22 | 252005 | Шайба 8,4 | |
| 23 | 201458 | Болт М8х1,25х25 | |
| 24 | 201-1117124 | Пробка фильтра | |
| 25 | 201-1015624 | Прокладка пробки | |
| 26 | 201-1105550 | Крышка топливного фильтра | |
| 27 | 201-1105552-А | Прокладка крышки | |
| 28 | 201-1105538 | Элемент фильтрующий | |
| 29 | 201-1105516 | Корпус фильтра в сборе | |
| 30 | 6510-3506167 | Скоба 10 трубки | |
| 31 | 260-3506162 | Кронштейн крепления трубок | |
| 32 | 7133Н4-1104517-000 | Скоба | |
| 33 | 201422 | Болт М6х25 | |
| 34 | 257С-1104517 | Скоба крепления трубок | |
| 35 | 250-3506165 | Скоба 6 | |
| 36 | 201426 | Болт М6х35 | |
| 37 | 252004 | Шайба 6,4 | |
| 38 | 257Б1-3506161 | Кронштейн (только для модели КрАЗ-260Г) | |
| 39 | 201460 | Болт М8х30 | |
| 40 | 257Б1-3506162 | Кронштейн | |
| 41 | 314612 | Штуцер К1/4"хМ16х1,5 | |
| 42 | 347214 | Угольник К1/8"хМ10х1 | |
| 43 | 314537 | Угольник К1/4"хМ16х1,5 | |
| 44 | 6505-1104226 | Сапун | |
| 45 | 6443-1101008 | Бак топливный правый |
Содержащиеся в справочниках-каталогах запасные части и детали не предлагаются к продаже, а носят исключительно информационный характер