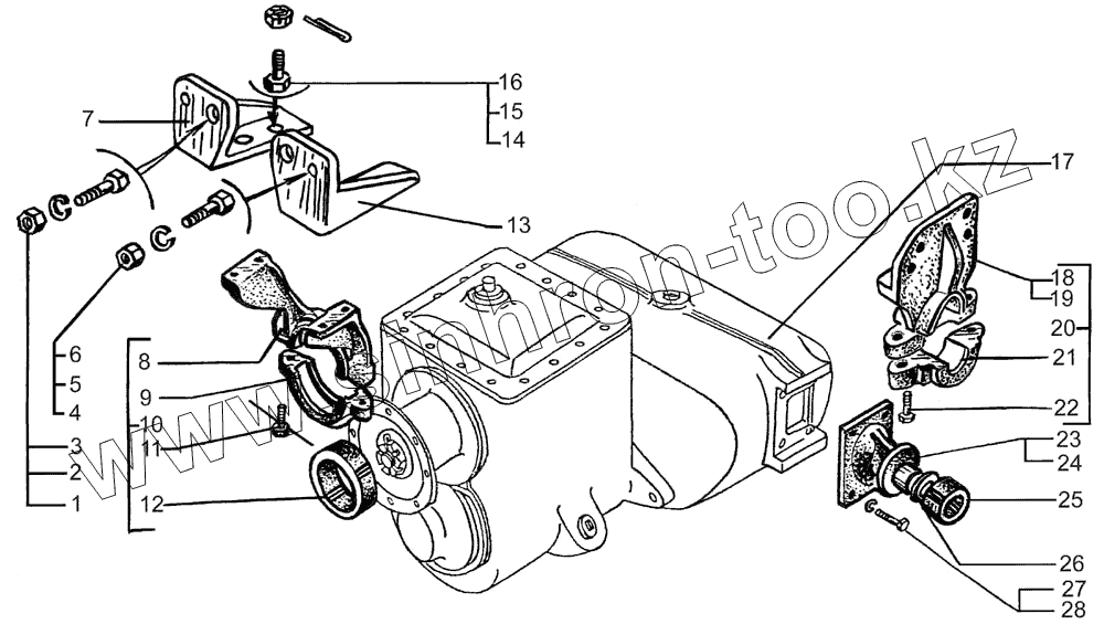
Каталог запасных частей к технике: КрАЗ-7133С4. Установка опоры промежуточной
1
2
3
4
5
6
7
8
9
10
11
12
13
14
15
16
17
18
19
20
21
22
23
24
25
26
27
28
| Позиция на иллюстрации | Заводской номер детали | Название детали | |
|---|---|---|---|
| 1 | 250561 | Гайка М16х1,5 | |
| 2 | 252139 | Шайба 16 ОТ | |
| 3 | 202143 | Болт | |
| 4 | 250514 | Гайка М12 | |
| 5 | 252137 | Шайба 12 ОТ | |
| 6 | 201544 | Болт М12х1,75х40 | |
| 7 | 7133С4-1801013-000 | Кронштейн подвески промежуточной опоры верхний левый | |
| 8 | 210-1801012Б | Кронштейн подвески раздаточной коробки передний | |
| 9 | 210-1801018Б | Крышка | |
| 10 | 210-1801010Б | Кронштейн передний в сборе | |
| 11 | 207001 | Болт ЗМ18х1,5-6gх45 | |
| 12 | 65053-1801032 | Подушка подвески | |
| 13 | 7133С4-1801012-000 | Кронштейн подвески промежуточной опоры верхний правый | |
| 14 | 348604 | Болт М14х1,5-6gх40 | |
| 15 | 258041 | Шплинт 3,2х32 | |
| 16 | 250870 | Гайка М14х1,5-6Н | |
| 17 | 65053-2220010-21 | Опора промежуточная карданных валов | |
| 18 | 7133С4-1801044-000 | Кронштейн крепления промежуточной опоры правый | |
| 19 | 7133С4-1801045-000 | Кронштейн крепления промежуточной опоры левый | |
| 20 | 7133С4-1801043-000 | Кронштейн крепления промежуточной опоры в сборе левый | |
| 21 | 210-1801046 | Крышка заднего кронштейна | |
| 22 | 202148 | Болт М16х1,5х55 | |
| 23 | 210-1801020 | Кронштейн коробки задний левый | |
| 24 | 250-1801021 | Кронштейн правый | |
| 25 | 210-1801030-А | Подушка задняя | |
| 26 | 250-1801026 | Кольцо | |
| 27 | 252138 | Шайба 14,2 | |
| 28 | 201614 | Болт М14х1,5х40 |
Содержащиеся в справочниках-каталогах запасные части и детали не предлагаются к продаже, а носят исключительно информационный характер