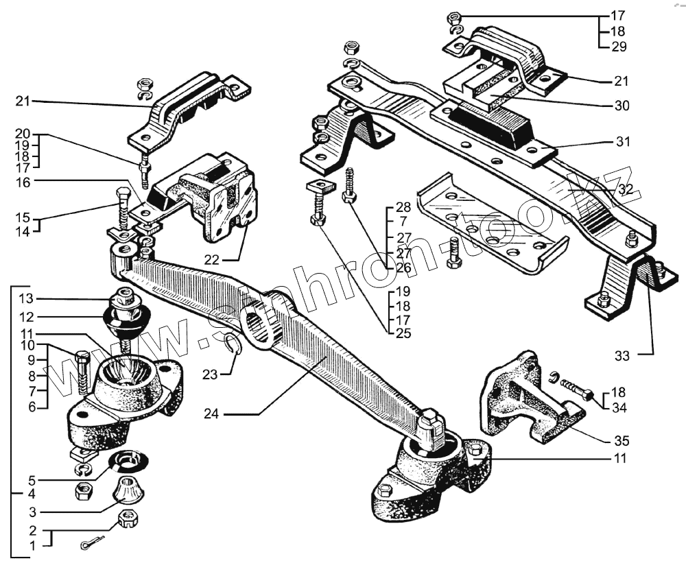
Каталог запасных частей к технике: КрАЗ-7133С4. Крепление силового агрегата
1
2
3
4
5
6
7
7
8
9
10
11
11
12
13
14
15
16
17
17
17
18
18
18
18
19
19
20
21
21
22
23
24
25
26
27
27
28
29
30
31
32
33
34
35
| Позиция на иллюстрации | Заводской номер детали | Название детали | |
|---|---|---|---|
| 1 | 258055 | Шплинт 4х36 | |
| 2 | 250871 | Гайка М16х1,5 | |
| 3 | 65055-1001023 | Накладка нижняя | |
| 4 | 65055-1001008 | Передняя опора двигателя в сборе | |
| 5 | 65055-1001027 | Буфер | |
| 6 | 65055-1001019 | Пластина | |
| 7 | 250560 | Гайка М16 | |
| 8 | 252139 | Шайба 16 ОТ | |
| 9 | 252017 | Шайба 16 | |
| 10 | 200873 | Болт М16х105 | |
| 11 | 65055-1001022 | Кронштейн передней опоры | |
| 12 | 65055-1001025 | Подушка передней опоры | |
| 13 | 65055-1001028 | Палец опоры | |
| 14 | 345330 | Шайба стопорная | |
| 15 | 202145 | Болт М16х1,5х45 | |
| 16 | 256Б-1001008 | Подушка опоры двигателя в сборе | |
| 17 | 250558 | Гайка М14х2 | |
| 18 | 252138 | Шайба 14,2 | |
| 19 | 345422 | Шайба 14 | |
| 20 | 348849 | Шпилька | |
| 21 | 256-1001005-А1 | Скоба опоры двигателя в сборе | |
| 22 | 250-1001017 | Кронштейн средней опоры левый | |
| 23 | 65055-1001029 | Кольцо | |
| 24 | 65055-1001018 | Балка передней опоры двигателя | |
| 25 | 200817 | Болт М14х60 | |
| 26 | 201618 | Болт М14х1,5х50 | |
| 27 | 252016 | Шайба 14,5 | |
| 28 | 250559 | Гайка М14х1,5 | |
| 29 | 201591 | Болт М14х45 | |
| 30 | 65055-1001040 | Кронштейн задней опоры | |
| 31 | 256Б-1001052-02 | Подушка задней опоры двигателя | |
| 32 | 65055-1001068 | Балка задней опоры двигателя | |
| 33 | 65055-1001072 | Кронштейн | |
| 34 | 201587 | Болт М14х2х35 | |
| 35 | 250-1001016 | Кронштейн средней опоры правый |
Содержащиеся в справочниках-каталогах запасные части и детали не предлагаются к продаже, а носят исключительно информационный характер