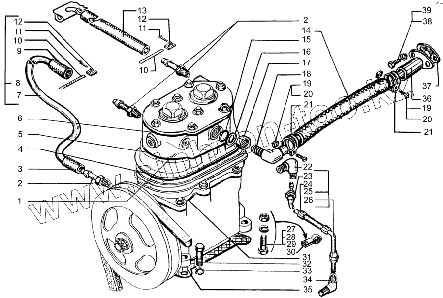
Каталог запасных частей к технике: КрАЗ-7133H4. Установка компрессора 161.3509012-20
1
2
2
3
4
5
6
7
8
9
10
10
11
11
12
12
13
14
15
16
17
18
19
19
20
20
21
21
22
23
24
25
26
27
28
29
30
31
32
33
34
35
36
37
38
39
| Позиция на иллюстрации | Заводской номер детали | Название детали | |
|---|---|---|---|
| 1 | 161-3509012-20 | Компрессор в сборе | |
| 2 | 347516 | Штуцер К3/8" | |
| 3 | 256Б-3509280 | Шланг трубки подвода воды | |
| 4 | 16.3509045 | Прокладка между проставкой и блоком цилиндров | |
| 5 | 16.3509043 | Прокладка между головкой и проставкой | |
| 6 | 16.3509054 | Прокладка между крышкой и головкой | |
| 7 | 256Б1-3509281 | Трубка | |
| 8 | 256Б1-3509278 | Трубка подвода воды к компрессору | |
| 9 | 256Б1-3509280 | Шланг | |
| 10 | 297582 | Лента стяжная 10х180 | |
| 11 | 258080 | Шплинт 5,6х25 | |
| 12 | 212А-8101092 | Пряжка хомута | |
| 13 | 256Б-3509287 | Шланг отвода воды | |
| 14 | 65055-3509310 | Шланг | |
| 15 | 256Б-3570138 | Кольцо резиновое уплотнительное Н1-25х20х2 | |
| 16 | 256Б1-3506017 | Шайба уплотнительная | |
| 17 | 349507 | Гайка М22х1,5 | |
| 18 | 6510-3509245 | Патрубок | |
| 19 | 251086 | Гайка М5х0,8 | |
| 20 | 220086 | Винт М5х0,8х30 | |
| 21 | 250-3408117 | Хомут шланга | |
| 22 | 347214 | Угольник К1/8"хМ10х1 | |
| 23 | 256Б1-3509260 | Трубка подвода масла передняя | |
| 24 | 256Б1-3509262-01 | Шланг | |
| 25 | 256Б-3509258-01 | Трубка подвода масла в сборе | |
| 26 | 256Б1-3509261 | Трубка подвода масла задняя | |
| 27 | 250508 | Гайка М6-6Н | |
| 28 | 252134 | Шайба 6Т | |
| 29 | 201422 | Болт М6х25 | |
| 30 | 347910 | Кляммер | |
| 31 | 130.3509038 | Прокладка между блоком цилиндров и картером | |
| 32 | 201499 | Болт М10х30 | |
| 33 | 252136 | Шайба 10,2 | |
| 34 | 346100 | Угольник М10х1хК1/4" | |
| 35 | 130.3509103-Б | Прокладка между картером и блоком двигателя | |
| 36 | 6437-1137280 | Патрубок с фланцем | |
| 37 | 255-3509309 | Прокладка фланца трубы | |
| 38 | 252135 | Шайба 8,65Г.029 | |
| 39 | 201458 | Болт М8х1,25х25 |
Содержащиеся в справочниках-каталогах запасные части и детали не предлагаются к продаже, а носят исключительно информационный характер