Каталог запасных частей к технике: КрАЗ-7133H4. Опрокидывающий механизм
1
2
2
2
2
2
3
3
3
3
3
4
4
5
6
6
7
8
9
10
11
11
11
12
14
15
16
17
17
17
17
18
19
20
21
21
22
22
23
24
25
26
27
28
29
30
30
31
32
32
32
33
34
34
35
35
36
36
37
37
37
38
38
39
39
40
41
42
43
45
46
47
49
50
51
52
52
52
53
54
55
57
58
59
60
61
62
63
64
65
66
67
68
68
68
69
71
72
73
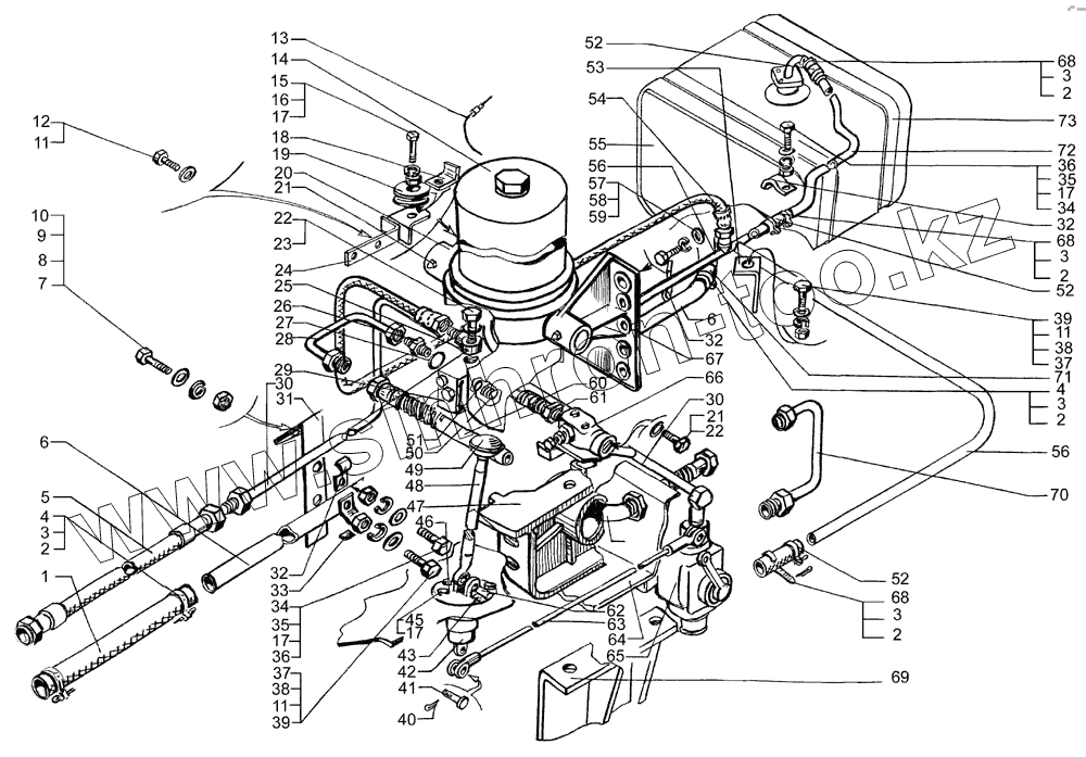
| Позиция на иллюстрации | Заводской номер детали | Название детали | |
|---|---|---|---|
| 202145 | 202145 | Болт М16х1,5х45 | |
| 7133С4-8608090-100 | 7133С4-8608090-100 | Кронштейн бака правый | |
| 7133С4-8608091-100 | 7133С4-8608091-100 | Кронштейн бака левый | |
| 7133С4-8614020-100 | 7133С4-8614020-100 | Кронштейн | |
| 65055-8606015 | 65055-8606015 | Рычаг управления насосом | |
| 201499 | 201499 | Болт М10х30 | |
| 201546 | 201546 | Болт М6х45 | |
| 250561 | 250561 | Гайка М16х1,5 | |
| 375-1310290 | 375-1310290 | Ось ролика привода шторки | |
| 252138 | 252138 | Шайба 14,2 | |
| 260046 | 260046 | Палец 8х60 | |
| 1 | 7133С4-8609034-100 | Рукав | |
| 2 | 258080 | Шплинт 5,6х25 | |
| 3 | 218А-8101092 | Пряжка хомута | |
| 4 | 250-1303027 | Лента стяжного хомута | |
| 5 | 65055-8609090 | Рукав высокого давления | |
| 6 | 7133С4-8609040-010 | Труба | |
| 7 | 250514 | Гайка М12 | |
| 8 | 252137 | Шайба 12 ОТ | |
| 9 | 252045 | Шайба 12 | |
| 10 | 201540 | Болт М12х30 | |
| 11 | 252039 | Шайба 10 | |
| 12 | 200327 | Болт М10-6gх90 | |
| 14 | 7133С4-8603510-000 | Гидроцилиндр | |
| 15 | 250610 | Гайка М8-6Н | |
| 16 | 201456-П29 | Болт М8х1,25х20 | |
| 17 | 252135 | Шайба 8,65Г.029 | |
| 18 | 2565-1310385-01 | Ограничитель троса | |
| 19 | 256Б-1310391 | Ролик привода шторки | |
| 20 | 7133С4-8602117-000 | Кронштейн правый | |
| 21 | 264020 | Масленка К1/8" | |
| 22 | 65055-8607087 | Болт полый | |
| 23 | 53А-2201122-01 | Кольцо уплотнительное | |
| 24 | 7133С4-8606184-000 | Кронштейн | |
| 25 | 7133С4-8609131-000 | Наконечник со штуцером | |
| 26 | 65034-8607034 | Штуцер | |
| 27 | 256б-3570138 | Кольцо 020-025-30-1-2 | |
| 28 | 7133С4-8609070-100 | Трубка высокого давления | |
| 29 | КРА16-8603100 | Клапан автоматический | |
| 30 | 7133С4-8609055-100 | Трубка высокого давления | |
| 31 | 7133С4-8609047-010 | Кронштейн | |
| 32 | 6505-8609064 | Скоба | |
| 33 | 6505-8609048 | Скоба | |
| 34 | 250510 | Гайка М8х1,25 | |
| 35 | 252005 | Шайба 8,4 | |
| 36 | 201458 | Болт М8х1,25х25 | |
| 37 | 250512 | Гайка М10х1,5 | |
| 37 | 200272 | Болт М8-6gх65 | |
| 38 | 252136 | Шайба 10,2 | |
| 39 | 201497 | Болт М10х25 | |
| 40 | 258039 | Шплинт 3,2х20 | |
| 41 | 260058 | Палец 10х30 | |
| 42 | 6510-5130094-10 | Уплотнитель пола | |
| 43 | 6510-8606097-10 | Стопор оси | |
| 45 | 201456 | Болт М8х1,25х20 | |
| 46 | 6510-8606066-10 | Кронштейн | |
| 47 | 7133С4-8602115-000 | Кронштейн | |
| 49 | 256Б1-1702159 | Рукоятка | |
| 50 | 7133С4-8603107-000 | Втулка | |
| 51 | 256б-3570138 | Кольцо 020-025-30-1-2 | |
| 52 | 65055-8609116 | Рукав | |
| 53 | 7133С4-8609076-010 | Кронштейн | |
| 54 | 258025 | Шплинт 2,5х20 | |
| 55 | 7133С4-8608008-100 | Бак | |
| 57 | 252047 | Шайба 16 | |
| 58 | 252017 | Шайба 16 | |
| 59 | 202141 | Болт М16х1,5х35 | |
| 60 | 7133С4-8609090-000 | Рукав высокого давления | |
| 61 | 65055-8607048 | Штуцер сливной | |
| 62 | 6510-8606048-10 | Ось | |
| 63 | 7133С4-8606042-100 | Тяга | |
| 64 | 7133С4-8602120-000 | Опора | |
| 65 | 7133С4-8607008-100 | Гидрораспределитель с кронштейном | |
| 66 | 4502-8614010 | Клапан ограничительный | |
| 67 | 7133С4-8602118-000 | Кронштейн левый | |
| 68 | 212А-8101090 | Лента стяжная хомута | |
| 69 | 7133С4-8602110-000 | Угольник | |
| 71 | 65055-8609060 | Рукав | |
| 72 | 7133С4-8609162-100 | Трубка | |
| 73 | 7133С4-8608100-100 | Хомут крепления бака |
Содержащиеся в справочниках-каталогах запасные части и детали не предлагаются к продаже, а носят исключительно информационный характер