Вернуться на главную
Поиск
Каталоги запчастей к технике
Грузовые автомобили и прицепы
КрАЗ
КрАЗ-7133H4
Мосты задний и средний (картер)
Каталог запасных частей к технике: КрАЗ-7133H4. Мосты задний и средний (картер)
zoom-in
zoom-out
enlarge
shrink
circle-right
circle-left
file-text2
info
cart
Тип техники
Не выбрано
Легковые автомобили
Грузовые автомобили и прицепы
Автобусы
Сельхозтехника
Спецтехника
Двигатели
Мототехника
Марка
Не выбрано
BAW
DAF
DongFeng
FAW
Foton
HOWO
Hyundai
IVECO
JAC Motors
LGMG
MAN
Shaanxi
SITRAK
Studebaker
Tata
Volvo
Автокомпонент Плюс
БелАЗ
Брянский Арсенал
ГАЗ
ЗИЛ
КАЗ
Камский автозавод
КрАЗ
Мадара
МАЗ
МЗКТ
МоАЗ
Нефтекамский автозавод
Ставропольский Завод АвтоПрицепов
ТАТРА
Тонар
УралАЗ
ЧМЗАП
Модель
Не выбрано
Доп. с двиг. Евро-2 (2008)
КрАЗ-250
КрАЗ-255
КрАЗ-256
КрАЗ-260
КрАЗ-6322 (2005)
КрАЗ-6322 (шасси) (2005)
КрАЗ-63221 (2005)
КрАЗ-64372, 6133М6 (2006)
КрАЗ-6443
КрАЗ-6443 (каталог 2004 г)
КрАЗ-64431-02 (2008)
КрАЗ-6446 (2005)
КрАЗ-65053-02 (2008)
КрАЗ-65055
КрАЗ-65055-02 (2008)
КрАЗ-6510 (1993)
КрАЗ-7133H4 (2006)
КрАЗ-7133С4 (2006)
Схема
>
Не выбрано
Кабина в сборе и крепление кабины
Стеклоочиститель
Стеклоомыватель
Дверь кабины
Сиденье водителя
Трубопроводы системы отопления кабины
Отопитель кабины и обогрев ветровых стекол
Зеркала заднего вида, бокового обзора, широкоугольные фирмы «РАТОН»
Крыло переднее и Подножки
Замок капота
Облицовка радиатора и капот
Платформа
Опрокидывающий механизм
Гидрораспределитель опрокидывающего механизма
Бак масляный опрокидывающего механизма
Крепление силового агрегата
Подогреватель предпусковой
Установка топливного бака и монтаж топливопроводов
Привод управления подачей топлива и остановом двигателя противоугонным устройством
Фильтр воздушный
Система выпуска отработавших газов
Радиатор с кожухом и расширительным бачком
Охладитель наддувочного воздуха
Привод управления сцеплением
Пневмогидроусилитель сцепления
Главный цилиндр выключения сцепления
Рычаг переключения передач, кран управления
Опора промежуточная
Установка опоры промежуточной
Управление промежуточной опоры с двухступенчатым редуктором
Передача карданная
Вал карданный от коробки передач к промежуточной опоре
Вал карданный привода заднего (среднего) моста
Вал карданный с опорой
Мосты задний и средний (картер)
Редуктор главной передачи заднего моста (картер с крышками)
Редуктор главной передачи заднего моста (валы и шестерни)
Дифференциал межколесный заднего моста и полуоси заднего (среднего) мостов
Механизм блокировки межколесного дифференциала заднего и среднего мостов
Редуктор главной передачи среднего моста (картер с крышками)
Редуктор главной передачи среднего моста (валы и шестерни)
Воздухопровод блокировки дифференциалов мостов
Рама
Заднее защитное устройство
Установка бокового защитного устройства
Рессора передняя
Амортизатор передней подвески
Рессоры задние и штанги реактивные
Балансиры задней подвески с осью
Передняя ось
Колесо дисковое с шиной
Ступица переднего колеса с тормозным барабаном
Ступица заднего колеса с тормозным барабаном
Держатель запасного колеса
Управление рулевое
Рулевая колонка
Промежуточные рычаги
Бачок масляный
Цилиндр силовой
Тяги рулевые
Насос масляный рулевого усилителя
Механизм тормозной переднего колеса
Механизмы тормозные задние
Педаль тормозная и привод управления двухсекционным тормозным краном
Воздухопроводы и аппараты тормозной системы
Воздухопроводы и аппараты тормозной системы с АБС
Установка компрессора
Установка компрессора 161.3509012-20
Установка и привод компрессора
Ресиверы
Кран тормозной двухсекционный с рычагом
Клапан контрольного вывода и клапан обрыва
Клапан защитный четырехконтурный
Камера тормозная
Камера тормозная передняя
Установка регулятора тормозных сил
Кран тормозной обратного действия с ручным управлением
Клапан двухмагистральный
Схема электрооборудования
Установка аккумуляторных батарей
Приборы световые передние
Приборы световые задние
Сигнал звуковой
Панель приборов
Коробка отбора мощности
64431-2400012-10
64431-2400012
64431-2500012
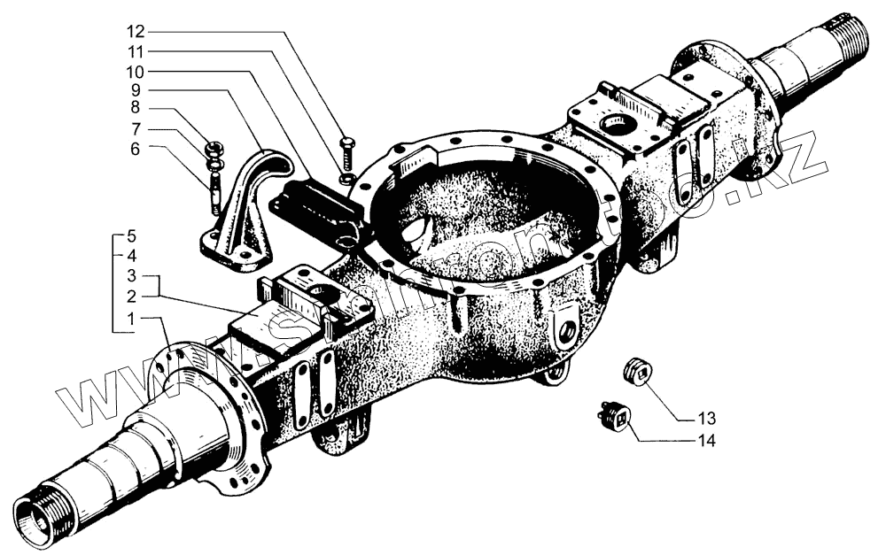
1
2
3
3
4
5
5
6
7
8
9
10
11
12
13
14
Позиция на иллюстрации
Заводской номер детали
Название детали
64431-2400012-10
64431-2400012-10
Мост задний в сборе
64431-2400012
64431-2400012
Мост задний в сборе
64431-2500012
64431-2500012
Мост средний в сборе
1
6505-2401020
Кожух полуоси
2
64431-2501011
Картер среднего моста
3
6505-2401011-01
Картер заднего моста
3
64431-2401011
Картер заднего моста
4
64431-2501010
Картер среднего моста в сборе
5
64431-2401010
Картер заднего моста в сборе
5
6505-2401010
Картер заднего моста с кожухами полуосей
6
348800
Шпилька
7
252140
Шайба 18
8
250563
Гайка М18х1,5
9
219-2912165-11
Ограничитель качания мостов
10
260-2918208-10
Буфер
11
252007
Шайба 12
12
201540
Болт М12х30
13
345920
Пробка КГ1 1/4"
14
255Б-2401050-01
Пробка сливная магнитная
Содержащиеся в справочниках-каталогах запасные части и детали не предлагаются к продаже, а носят исключительно информационный характер
Дополнительная информация
×
Название:
Номер:
Примечание: