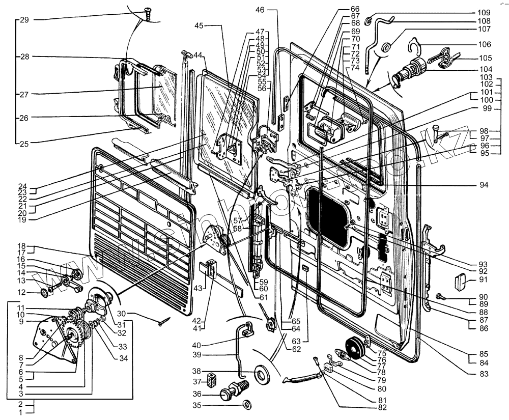
Каталог запасных частей к технике: КрАЗ-7133H4. Дверь кабины
1
2
3
4
5
6
7
8
9
10
11
12
13
14
15
16
17
18
19
20
21
22
23
24
25
26
27
28
28
29
30
31
32
33
34
35
36
37
38
39
40
41
42
43
45
46
47
48
49
50
51
52
53
54
55
56
57
58
59
60
61
62
63
64
65
66
67
68
69
70
71
72
73
74
75
76
77
78
79
80
81
82
83
84
85
86
87
88
89
90
91
92
93
94
95
96
97
98
99
100
101
102
103
104
105
106
107
108
109
| Позиция на иллюстрации | Заводской номер детали | Название детали | |
|---|---|---|---|
| 1 | 250С-6104021 | Стеклоподъемник двери левый | |
| 2 | 250С-6104020 | Стеклоподъемник двери правый | |
| 3 | 250-6104036 | Шайба | |
| 4 | 250-6104040-10 | Валик тормозного механизма | |
| 5 | 250-6104033-10 | Барабан стеклоподъемника левый | |
| 6 | 250-6104032-10 | Барабан стеклоподъемника правый | |
| 7 | 250-6104023 | Втулка | |
| 8 | 250-6104058 | Шестерня | |
| 9 | 250-6104024 | Корпус стеклоподъемника | |
| 10 | 250-6104048 | Втулка | |
| 11 | 250-6104054 | Пружина | |
| 12 | 250-6104066-10 | Заглушка | |
| 13 | 221580 | Винт М5х16 | |
| 14 | 256Б1-6104060 | Ручка стеклоподъемника | |
| 15 | 250-6104067-10 | Головка ручки стеклоподъемника | |
| 16 | 250-6104076 | Розетка ручки стеклоподъемника | |
| 17 | 250-6102012-40 | Обивка двери правая | |
| 18 | 250-6102013-400 | Обивка двери левая | |
| 19 | 250-6102090-20 | Держатель обивки двери | |
| 20 | 260-6103231 | Стойка опускного стекла двери левая | |
| 21 | 260-6103230 | Стойка опускного стекла двери правая | |
| 22 | 250-6103214-10 | Стекло опускное | |
| 23 | 251-6103210 | Стекло опускное двери правое | |
| 24 | 251-6103211-10 | Стекло опускное двери левое | |
| 25 | 250-6103010-21 | Рамка окна двери с поворотным стеклом правая | |
| 26 | 250-6103101-10 | Ручка поворотного стекла с кронштейном левая в сборе | |
| 27 | 250-6103052-20 | Стекло поворотное окна двери | |
| 28 | 250-6103122 | Уплотнитель поворотного стекла правый | |
| 28 | 250-6103123 | Уплотнитель поворотного стекла левый | |
| 29 | 220083 | Винт М5-6gх22 | |
| 30 | 241620 | Винт М4х18 | |
| 31 | 250-6104056-01 | Корпус | |
| 32 | 250508 | Гайка М6-6Н | |
| 33 | 252134 | Шайба 6Т | |
| 34 | 252004 | Шайба 6,4 | |
| 35 | 252002 | Шайба 4 | |
| 36 | 6510-6105204-10 | Фиксатор замка двери | |
| 37 | 6510-6105148 | Наконечник тяги | |
| 38 | 6510-6105206 | Шайба фиксатора | |
| 39 | 6510-6105075-30 | Тяга привода замка | |
| 40 | 6510-6105094 | Скоба крепления тяги выключателя | |
| 41 | 250С-6103271 | Кронштейн упора опускного стекла левый | |
| 42 | 250С-6103270 | Кронштейн упора опускного стекла правый | |
| 43 | 250-6103216 | Прокладка стекла | |
| 45 | 250С-6103131 | Обойма уплотнителя поворотного стекла | |
| 46 | 6510-6105170 | Прокладка | |
| 47 | 6510-6105010-10 | Кронштейн с замком двери и тягами в сборе правый | |
| 48 | 6510-6105011-10 | Кронштейн с замком двери и тягами в сборе левый | |
| 49 | 221605 | Винт М6х16 | |
| 50 | 6510-6105022-10 | Кронштейн замка | |
| 51 | 6510-6105041 | Рычаг выключателя замка левый | |
| 52 | 6510-6105040-10 | Рычаг выключателя замка правый | |
| 53 | 6510-6105050-10 | Стопор выключателя | |
| 54 | 6510-6105051-10 | Ось рычага | |
| 55 | 11021-6105012 | Замок двери в сборе правый | |
| 56 | 11021-6105013 | Замок двери в сборе левый | |
| 57 | 250-6105180-20 | Ручка двери внутренняя | |
| 58 | 260-6103254 | Уплотнитель опускного стекла двери задний | |
| 59 | 260-6103310-10 | Направляющая опускного стекла правая | |
| 60 | 260-6103311-10 | Направляющая опускного стекла левая | |
| 61 | 251-6103220 | Обойма опускного стекла двери | |
| 62 | 250-6104038-10 | Трос | |
| 63 | 250-6104140 | Планка крепления троса стеклоподъемника | |
| 64 | 260-6103161 | Усилитель подоконный с роликом левый в сборе | |
| 65 | 260-6103160 | Усилитель подоконный с роликом правый в сборе | |
| 66 | 6510-6105169 | Пластина упорная | |
| 67 | 6510-6105163 | Пружина возвратная левая | |
| 68 | 6510-6105157-10 | Ось ручки с рычагом в сборе | |
| 69 | 6510-6105161-10 | Прокладка корпуса ручки | |
| 70 | 6510-6105156-10 | Корпус ручки | |
| 71 | 6510-6105152-30 | Ручка наружная правая | |
| 72 | 6510-6105153-30 | Ручка двери наружная левая | |
| 73 | 7140C6-6105160-10 | Ручка | |
| 74 | 242471 | Винт М5х12 | |
| 75 | 250-6106088 | Кронштейн ограничителя | |
| 76 | 250-6106090-10 | Уплотнитель | |
| 77 | 250-6106092-10 | Пластина уплотнителя | |
| 78 | 250-6106180 | Стопор в сборе | |
| 79 | 250-6106196 | Крышка корпуса | |
| 80 | 250-6106068-10 | Буфер | |
| 81 | 250-6106094-10 | Рычаг ограничителя | |
| 82 | 260009 | Палец 6х14 | |
| 83 | 250-6107024-20 | Уплотнитель двери | |
| 84 | 7133Н4-6100031-Д10 | Дверь левая | |
| 85 | 7133Н4-6100030-Д10 | Дверь правая | |
| 86 | 260-6107031 | Держатель уплотнителя двери передний левый | |
| 87 | 260-6107030 | Держатель уплотнителя проема двери правый | |
| 88 | 250-6107036-30 | Уплотнитель проема двери | |
| 89 | 255125 | Заклепка 5х14 | |
| 90 | 255039 | Заклепка 3,5х8 | |
| 91 | 260-6100060 | Заглушка | |
| 92 | 241620 | Винт М4х18 | |
| 93 | 250-5702049 | Шайба облицовочная | |
| 94 | 250-6103264 | Уплотнитель опускного стекла двери | |
| 95 | 250-6105105-30 | Основание привода замка левое | |
| 96 | 250-6105104-30 | Основание привода замка правое | |
| 97 | 258012 | Шплинт 2х12 | |
| 98 | 260014 | Палец 6х25 | |
| 99 | 250-6105192 | Пружина привода замка | |
| 100 | 250-6105103-60 | Тяга привода замка левая | |
| 101 | 250-6105102-60 | Тяга привода замка правая | |
| 102 | 250-6105081-50 | Привод замка двери с ручкой левый | |
| 103 | 250-6105080-50 | Привод замка двери с ручкой правый | |
| 104 | 1102-6105411 | Выключатель замка двери | |
| 105 | 1102-6105452 | Ключ запирания двери | |
| 106 | 1102-6105416 | Скоба крепления корпуса выключателя | |
| 107 | 252003 | Шайба 5 | |
| 108 | 6510-6105074-30 | Тяга привода выключателя замка правая | |
| 109 | 252133 | Шайба 5 |
Содержащиеся в справочниках-каталогах запасные части и детали не предлагаются к продаже, а носят исключительно информационный характер