Каталог запасных частей к технике: КрАЗ-6510. Цилиндр силовой
1
2
3
3
4
5
6
7
8
9
10
11
12
13
14
15
16
17
18
19
20
20
21
21
21
22
23
24
25
26
27
28
29
30
31
32
33
34
35
36
37
38
39
40
41
42
43
44
45
46
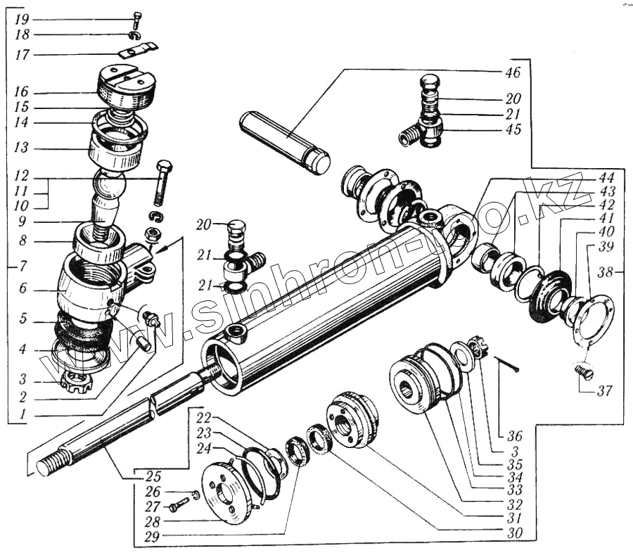
| Позиция на иллюстрации | Заводской номер детали | Название детали | |
|---|---|---|---|
| 6505-3405005 | 6505-3405005 | Цилиндр гидравлический в сборе | |
| 1 | 264072 | Масленка 6 | |
| 2 | 346018 | Штифт 5х12 | |
| 3 | 250907 | Гайка М18х1,5 | |
| 4 | 256Б1-3414079 | Обойма сальника | |
| 5 | 260-3414036-10 | Уплотнитель | |
| 6 | 6505-3405205 | Наконечник | |
| 7 | 6505-3405280 | Наконечник в сборе | |
| 8 | 260-3414022-12 | Сухарь нижний | |
| 9 | 200-3003065-А | Палец шаровой | |
| 10 | 250514-П29 | Гайка М12х1,75 | |
| 11 | 252137-П2 | Шайба 12 пружинная | |
| 12 | 201546-П29 | Болт М12х1,75х45 | |
| 13 | 6505-3414020 | Сухарь верхний | |
| 14 | 260-3414082 | Кольцо 054-058-25-2-3 | |
| 15 | 260-3414021 | Пружина | |
| 16 | 6505-3414076 | Пробка | |
| 17 | 6505-3414077 | Пластина стопорная | |
| 18 | 252134-П2 | Шайба 6 пружинная | |
| 19 | 201416-П29 | Болт М6х1х12 | |
| 20 | 6505-3408017 | Болт приводной | |
| 21 | 256Б-3405187 | Кольцо 018-022-25-2-2 | |
| 22 | ЦГ70-280-3405306 | Шайба | |
| 23 | 25 3111 3059 | Кольцо | |
| 24 | ЦГ70-280-3405304 | Полукольцо | |
| 25 | ЦГ70-280-3405046 | Шток | |
| 26 | 252135 | Шайба 8,65Г.029 | |
| 27 | 201456 | Болт М8х1,25х20 | |
| 28 | ЦГ70-280-3405302 | Шайба | |
| 29 | ЦГ70-280-3405120 | Грязесъемник | |
| 30 | ЦГ70-280-3405087 | Манжета | |
| 31 | ЦГ70-280-3405058 | Крышка | |
| 32 | ЦГ70-280-3405042 | Поршень | |
| 33 | 25 3111 3059 | Кольцо | |
| 34 | ЦГ70-280-3405044 | Кольцо | |
| 35 | 252018 | Шайба 19 | |
| 36 | 258056 | Шплинт 3,6х40 | |
| 37 | 220077 | Винт М5х0,8х10 | |
| 38 | 6505-3405010 | Цилиндр в сборе | |
| 39 | ЦГ80-280-3405041 | Шайба | |
| 40 | ЦГ80-280-3405032 | Втулка | |
| 41 | ЦГ80-280-3405040 | Уплотнитель | |
| 42 | 400413 | Кольцо | |
| 43 | ШС-30 | Подшипник шарнирный | |
| 44 | ЦГ70-280-3405023 | Цилиндр | |
| 45 | 6505-3408016 | Наконечник | |
| 46 | 6505-3409192 | Палец кронштейна |
Содержащиеся в справочниках-каталогах запасные части и детали не предлагаются к продаже, а носят исключительно информационный характер