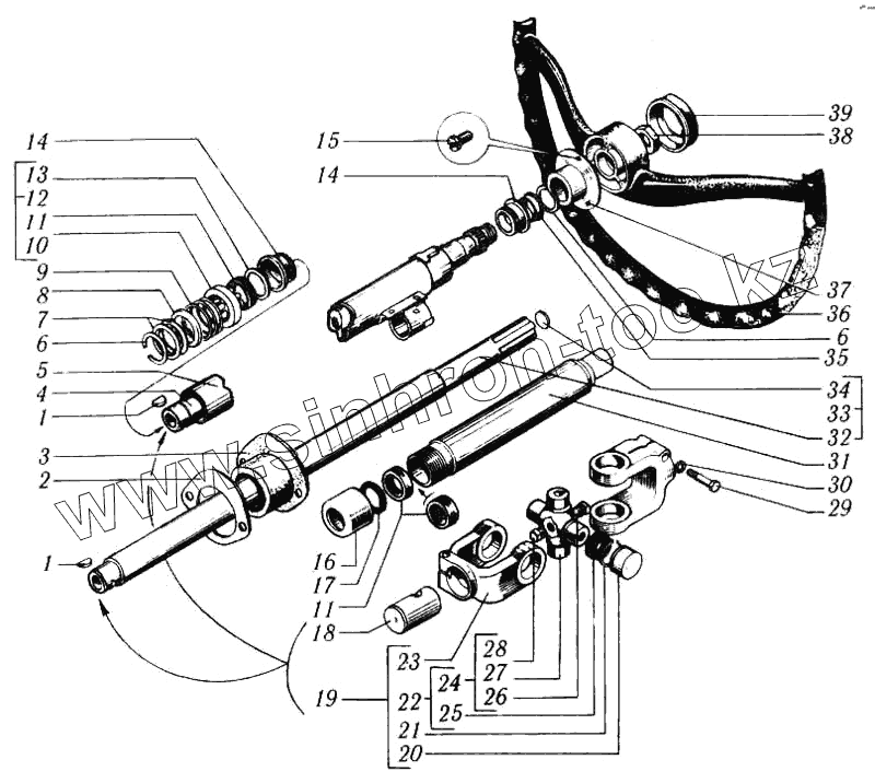
Каталог запасных частей к технике: КрАЗ-6510. Рулевая колонка с колесом
1
1
2
3
4
5
6
6
7
8
9
10
11
11
12
13
14
14
15
16
17
18
19
20
21
22
23
24
25
26
27
28
29
30
31
32
33
34
35
36
37
38
39
| Позиция на иллюстрации | Заводской номер детали | Название детали | |
|---|---|---|---|
| 6510-3401008 | 6510-3401008 | Вал рулевого управления с колонкой в сборе | |
| 6510-3401109 | 6510-3401109 | Вал карданный рулевого управления в сборе | |
| 1 | 260415 | Шпонка сегментная | |
| 2 | 6510-5301410-01 | Накладка уплотнителя | |
| 3 | 6510-5301408-11 | Уплотнитель вала руля | |
| 4 | 6510-3401033 | Вал рулевого управления со втулкой | |
| 5 | 6510-3401100 | Кожух колонки с гнездом выключателя в сборе | |
| 6 | 250-3401146 | Кольцо | |
| 7 | 250Б-3401068 | Шайба регулировочная | |
| 8 | 250Б-3401149-20 | Колпак упорный | |
| 9 | 250-3401130 | Пружина подшипника | |
| 10 | 250Б-3401045 | Обойма уплотнительного кольца | |
| 11 | 214Б-3405106 | Кольцо уплотнительное | |
| 12 | 250Б-3401044 | Обойма уплотнительного кольца в сборе | |
| 13 | 345001-П29 | Шайба 30 | |
| 14 | 636906 | Подшипник опорный | |
| 15 | 224597-П29 | Винт М5х0,8х10 | |
| 16 | 250Б-3401133 | Колпак уплотнителя | |
| 17 | 250Б-3401138 | Кольцо уплотнителя | |
| 18 | 6510-3401111 | Переходник | |
| 19 | 500-3401096-Б1 | Кардан вала рулевого управления в сборе | |
| 20 | 704902К6УС10 | Подшипник игольчатый | |
| 21 | 400-2201043 | Кольцо стопорное подшипника | |
| 22 | 408-2201026 | Крестовина кардана с сальниками в сборе | |
| 23 | 500А-3444066 | Вилка кардана | |
| 24 | 402-2201028 | Крестовина с пробкой и клапаном в сборе | |
| 25 | 408-2201032-А | Сальник | |
| 26 | 262501-П7 | Пробка К 1/4" | |
| 27 | 402-2201030 | Крестовина кардана | |
| 28 | 367116-П | Клапан предохранительный | |
| 29 | 201505-П29 | Болт М10х1,5х45 | |
| 30 | 252136-П2 | Шайба 10 пружинная | |
| 31 | 6510-3401134 | Втулка шлицевая в сборе | |
| 32 | 6510-3401152 | Стержень | |
| 33 | 6510-3401150 | Стержень в сборе | |
| 34 | 260307 | Заглушка | |
| 35 | 250Б-3401129-10 | Кольцо разжимное | |
| 36 | 5320-3402015-01 | Колесо рулевое | |
| 37 | 260-3726017 | Втулка сбрасывателя | |
| 38 | 250659-П29 | Гайка М22х1,5 | |
| 39 | 250-3402061-01 | Крышка рулевого колеса верхняя |
Содержащиеся в справочниках-каталогах запасные части и детали не предлагаются к продаже, а носят исключительно информационный характер