Каталог запасных частей к технике: КрАЗ-6510. Подогреватель предпусковой КРАЗ
346109-П29
1
2
3
4
5
6
7
7
8
8
9
10
11
11
11
11
11
11
11
11
11
11
12
12
13
14
15
16
17
18
19
20
21
22
23
24
24
25
25
25
25
25
25
26
27
28
29
30
31
32
33
33
33
33
34
35
36
36
37
37
38
39
40
42
43
44
45
45
45
46
46
46
47
47
47
48
49
50
51
52
52
53
54
54
55
56
57
58
59
60
61
62
63
64
65
66
67
68
69
70
71
72
73
74
75
75
76
77
78
79
80
81
82
83
84
85
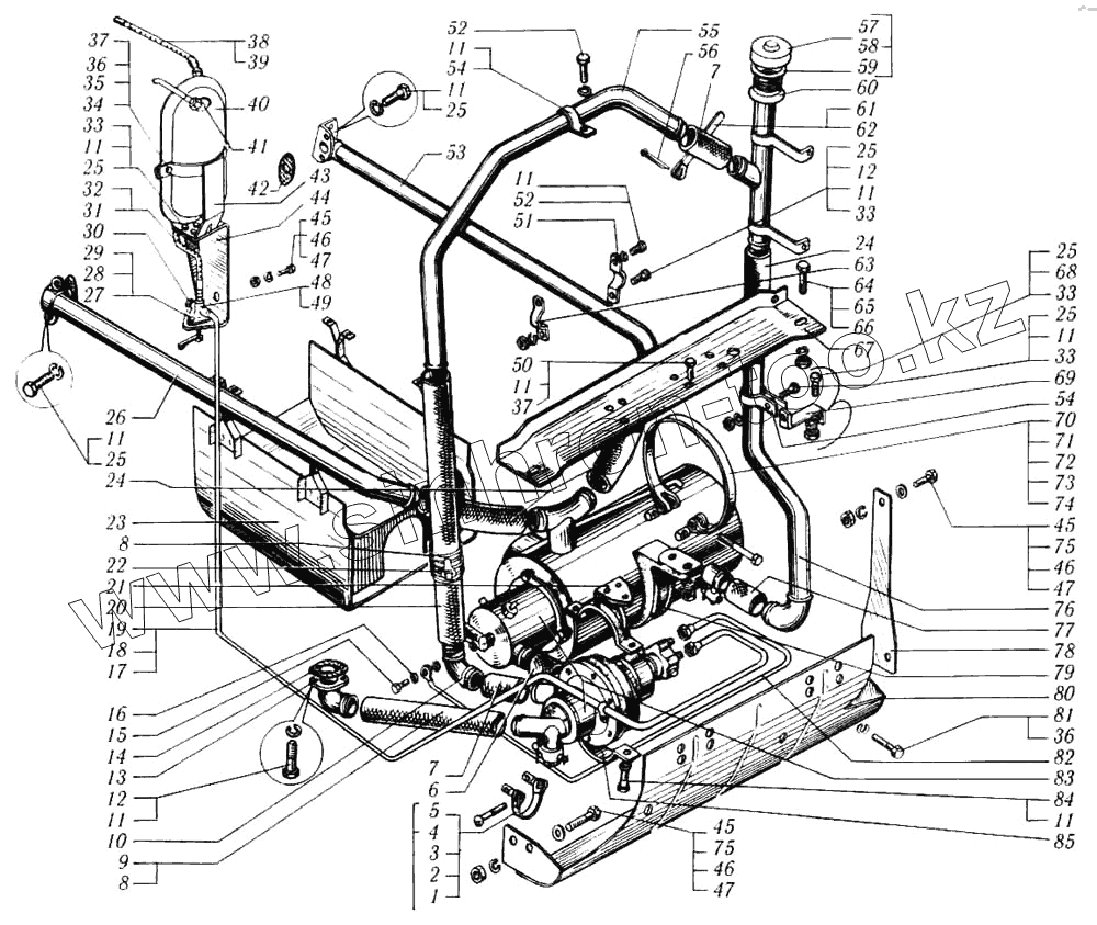
| Позиция на иллюстрации | Заводской номер детали | Название детали | |
|---|---|---|---|
| 260-4501222-01 | 260-4501222-01 | Пластина | |
| 346109-П29 | 346109-П29 | Угольник М20х1,5 К1/4" | |
| 1 | 349005-П29 | Винт М5х48 | |
| 2 | 214Б-1303033-Б | Сухарь хомута упорный | |
| 3 | 214Б-1303032-Б | Сухарь хомута | |
| 4 | 256-1015545-А | Хомут в сборе | |
| 5 | 256-1015546-Б | Лента хомута | |
| 6 | 256-1015526 | Шланг соединительный | |
| 7 | 256-1015528 | Шланг соединительный | |
| 8 | 260-1015044 | Оболочка предохранительная | |
| 9 | 260-1015043-10 | Шланг | |
| 10 | 256-1015075 | Переходник | |
| 11 | 252135-П2 | Шайба 8 пружинная | |
| 12 | 201458-П29 | Болт М8х1,25х25 | |
| 13 | 260-1015028-10 | Патрубок отводящий | |
| 14 | 256-1015030-А | Прокладка фланца | |
| 15 | 256Б1-1015432 | Штуцер | |
| 16 | 312434-П | Шайба 10 | |
| 17 | 312310-П | Шайба 12,5 | |
| 18 | 347467-П29 | Штуцер М12х1,25 | |
| 19 | 250-1015406-20 | Трубка от крана к насосу | |
| 20 | 6437-1015319 | Шланг | |
| 21 | 256Б1-1015101 | Кронштейн насосного агрегата | |
| 22 | 347930-П29 | Стяжка 8х107 | |
| 23 | 6505-1015190-01 | Направляющая газов | |
| 24 | 256-1015534 | Шланг соединительный заливной трубы | |
| 25 | 201456-П29 | Болт М8х1,25х20 | |
| 26 | 256Б-1015031-03 | Труба к правому блоку | |
| 27 | 201422-П29 | Болт М6х1х25 | |
| 28 | 252134-П2 | Шайба 6 пружинная | |
| 29 | 250508-П29 | Гайка М6-6Н | |
| 30 | 256-1015654 | Пробка | |
| 31 | 250-1015382 | Шланг от бачка к крану | |
| 32 | 346841-П29 | Штуцер К 1/4" М20х1,5 | |
| 33 | 250510-П29 | Гайка М8 | |
| 34 | 201497-П29 | Болт М10х1,25х25 | |
| 35 | 252006-П29 | Шайба 10 | |
| 36 | 252136-П2 | Шайба 10 пружинная | |
| 37 | 250512-П29 | Гайка М10х1,5 | |
| 38 | 250-1015380 | Шланг от фильтра тонкой очистки топлива к бачку | |
| 39 | 256Б-1104536 | Шайба уплотнительная | |
| 40 | 250-1015140 | Бачок топливный подогревателя | |
| 42 | 256-1015086 | Прокладка | |
| 43 | 250-1015138 | Кронштейн | |
| 44 | 250-1015126-10 | Кронштейн бачка ПЖД | |
| 45 | 201542-П29 | Болт М12х1,75х30 | |
| 46 | 252137-П2 | Шайба 12 пружинная | |
| 47 | 250514-П29 | Гайка М12х1,75 | |
| 48 | 256Б-1104010 | Кран ПП6-2 | |
| 49 | 250-1015131 | Накладка | |
| 50 | 201499-П29 | Болт М10х1,5х30 | |
| 51 | 256Б-1015661 | Скоба верхняя | |
| 52 | 201454-П29 | Болт М8х1,25х16 | |
| 53 | 643701-1015034 | Труба к левому блоку | |
| 54 | 347972-П29 | Кляммер 32 | |
| 55 | 6437-1015317 | Труба от водяного насоса | |
| 56 | 258080-П29 | Шплинт 5,6х25 | |
| 57 | 256-1015071-11 | Крышка | |
| 58 | 256-1015070-02 | Крышка в сборе | |
| 59 | 256-1015072-А | Прокладка | |
| 60 | 6437-1015065 | Труба заливная | |
| 61 | 212А-8101092 | Пряжка хомута | |
| 62 | 250-1303027 | Лента стяжного хомута | |
| 63 | 256Б-1015662 | Скоба нижняя | |
| 64 | 202148-П29 | Болт М16х1,5х55 | |
| 65 | 252139-П2 | Шайба 16 пружинная | |
| 66 | 250561-П29 | Гайка М16х1,5 | |
| 67 | 260-1015116-02 | Балка крепления подогревателя | |
| 68 | 252005-П29 | Шайба 8 | |
| 69 | 260-1015186 | Кронштейн | |
| 70 | 256-1015022 | Хомут крепления подогревателя | |
| 71 | 256-1015018-А | Втулка | |
| 72 | 256-1015023 | Сухарь хомута | |
| 73 | 256-1015024 | Сухарь болта | |
| 74 | 200272-П29 | Болт М8х1,25х65 | |
| 75 | 252007-П29 | Шайба 12 | |
| 76 | 6437-1015082 | Труба заливная промежуточная | |
| 77 | 256Б-1015148 | Шланг соединительный | |
| 78 | 250-1015134-10 | Кронштейн крепления кожуха | |
| 79 | 250-1015114 | Кронштейн котла подогревателя | |
| 80 | 6505-1015106-01 | Кожух защитный | |
| 81 | 201495-П29 | Болт М10х1,5х20 | |
| 82 | 260-1015343-20 | Трубка от насоса к клапану | |
| 83 | 44МБУ1 | Подогреватель предпусковой (комплект) | |
| 84 | 200315-П29 | Болт М10х1,5х40 | |
| 85 | 256Б1-1015206 | Хомут |
Содержащиеся в справочниках-каталогах запасные части и детали не предлагаются к продаже, а носят исключительно информационный характер