Каталог запасных частей к технике: КрАЗ-6510. Отопитель кабины дополнительный и шланги
1
2
3
4
5
5
5
6
6
6
6
7
7
7
7
8
9
10
11
12
13
14
15
16
17
18
19
20
21
22
22
23
23
23
24
24
25
26
27
27
28
29
30
31
32
33
33
34
34
35
36
37
38
39
40
41
42
43
44
44
45
45
46
47
48
49
50
51
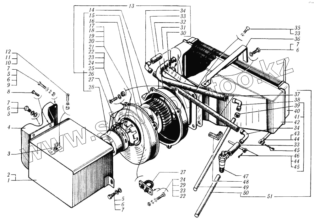
| Позиция на иллюстрации | Заводской номер детали | Название детали | |
|---|---|---|---|
| 6437-5107130 | 6437-5107130 | Крышка заднего люка пола с подводящим патрубком в сборе | |
| 6437-5107128 | 6437-5107128 | Крышка заднего люка пола в сборе | |
| 250С-5107144 | 250С-5107144 | Утеплитель крышки заднего люка | |
| 6437-5107148 | 6437-5107148 | Прокладка крышки заднего люка | |
| 1 | 6503-3741016 | Кожух отопителя с приборами | |
| 2 | 6503-8110186 | Кожух дополнительного отопителя | |
| 3 | 5102-3709010 | Переключатель отопителя | |
| 4 | 6437-8110194 | Воздуховод дополнительного отопителя | |
| 5 | 252005-П29 | Шайба 8 | |
| 6 | 252135-П2 | Шайба 8 пружинная | |
| 7 | 201454-П29 | Болт М8х1,25х16 | |
| 8 | 240836-П29 | Винт М5х12 | |
| 9 | 250510-П29 | Гайка М8 | |
| 10 | 250462-П29 | Гайка М4х0,7 | |
| 11 | 252132-П2 | Шайба 4 | |
| 12 | 220052-П29 | Винт М4х0,7х12 | |
| 13 | 6503-8110174 | Панель с вентилятором в сборе | |
| 14 | 250-8102024-40 | Кожух вентилятора обогрева ветрового стекла | |
| 15 | 250-8102030 | Ротор вентилятора со втулкой в сборе | |
| 16 | 250-8102022-40 | Крышка кожуха вентилятора | |
| 17 | 250-8102021 | Хомут | |
| 18 | 214Б-1303032-Б | Сухарь хомута | |
| 19 | 214Б-1303033-Б | Сухарь хомута упорный | |
| 20 | 349005-П29 | Винт М5х48 | |
| 21 | 6505-8102232-10 | Прокладка электродвигателя вентилятора | |
| 22 | 250508-П29 | Гайка М6-6Н | |
| 23 | 252134-П2 | Шайба 6 пружинная | |
| 24 | 220109-П29 | Винт М6х1х25 | |
| 25 | 220105-П29 | Винт М6х1х16 | |
| 26 | 6505-8102020 | Вентилятор с крышкой кожуха в сборе | |
| 27 | СЭ300-8102100 | Сопротивление дополнительное | |
| 28 | МЭ250-3730000У-ХЛ | Электродвигатель | |
| 29 | 252004-П29 | Шайба 6 | |
| 30 | 250С-8110178 | Прокладка панели вентилятора | |
| 31 | 250С-8П0176 | Панель крепления кожуха вентилятора | |
| 32 | 250-8102029-10 | Прокладка кожуха вентилятора | |
| 33 | 256БС-1013401 | Шланг соединительный | |
| 34 | 6437-8110200 | Угольник | |
| 35 | 201416-П29 | Болт М6х1х12 | |
| 36 | 6437-8110146 | Скоба крепления кожуха | |
| 37 | 260С-8101086 | Шланг | |
| 38 | 6437-8110154 | Патрубок отводящий | |
| 39 | 200-3802045 | Втулка | |
| 40 | 250-8101058-01 | Радиатор отопителя с прокладками | |
| 41 | 6437-8110138 | Кожух отопителя с радиатором в сборе | |
| 42 | 6437-8110140 | Кожух радиатора | |
| 43 | 401500-П29 | Лента стяжная 9,5х510 | |
| 44 | 212А-8101092 | Пряжка хомута | |
| 45 | 258080-П29 | Шплинт 5,6х25 | |
| 46 | 212А-8101090 | Лента стяжная хомута | |
| 47 | Кран вентильный сливной типа ВС11-0 | Кран вентильный сливной типа ВС11-0 | |
| 48 | 250С-8110144 | Уплотнитель кожуха радиатора | |
| 49 | 260С-1013412-10 | Шланг | |
| 50 | 6437-8110042 | Шланг | |
| 51 | 6437-8110010-10 | Отопитель дополнительный с люком |
Содержащиеся в справочниках-каталогах запасные части и детали не предлагаются к продаже, а носят исключительно информационный характер