Каталог запасных частей к технике: КрАЗ-6510. Механизм блокировки дифференциала отбора мощности
1
2
2
2
3
3
4
5
5
6
7
8
8
9
9
10
11
11
12
12
12
13
14
15
15
16
16
17
18
18
19
19
19
19
20
20
20
21
22
23
24
25
26
27
27
27
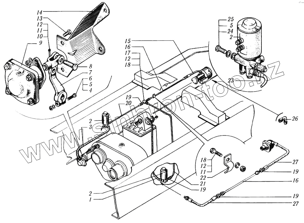
| Позиция на иллюстрации | Заводской номер детали | Название детали | |
|---|---|---|---|
| 250-3506165 | 250-3506165 | Скоба 6 | |
| 262541-П2 | 262541-П2 | Пробка КГ 1/8" | |
| 1 | 6510-1804233 | Шланг к пневмокамере блока дифференциала заднего моста | |
| 2 | 5320-3721500 | Клапан с электромагнитом | |
| 3 | 6505-2511094 | Шланг соединительный | |
| 3 | 650501-2511094 | Шланг соединительный | |
| 4 | 250512-П29 | Гайка М10х1,5 | |
| 5 | 252136-П2 | Шайба 10 пружинная | |
| 6 | 200319-П29 | Болт М10х1,5х50 | |
| 7 | 214-1805070-01 | Рычаг | |
| 8 | 260088-П18С | Палец 12х38 | |
| 8 | 260088-П29 | Палец 12х38 | |
| 9 | 250-1804172-10 | Пневмокамера в сборе | |
| 9 | 250Т-1804172-10 | Пневмокамера в сборе | |
| 10 | 258052-П29 | Шплинт разводной 3,6х20 | |
| 11 | 250510-П29 | Гайка М8 | |
| 12 | 252135-П2 | Шайба 8 пружинная | |
| 13 | 201456-П29 | Болт М8х1,25х20 | |
| 14 | 250-1804165-10 | Кронштейн | |
| 15 | 651001-1804231 | Шланг | |
| 15 | 6510-1804231 | Шланг | |
| 16 | 6510-1804225-10 | Трубка от блока развода воздуха к шлангу | |
| 17 | 260-2511024 | Блок развода воздуха | |
| 18 | 201458-П29 | Болт М8х1,25х25 | |
| 19 | 347502-П29 | Штуцер ввертной К1/8"хМ10х1 | |
| 20 | 65101-1804116 | Трубка | |
| 20 | 651001-1804116-20 | Трубка | |
| 20 | 6510-1804116-20 | Трубка | |
| 21 | 6510-1804227-10 | Трубка | |
| 22 | 250-3506166 | Скоба | |
| 23 | 214-2401025 | Сапун редуктора лебедки | |
| 24 | 252039-П29 | Шайба 10 | |
| 25 | 201678-П29 | Болт М10х1,25х30 | |
| 26 | 347214-П29 | Угольник ввертной К1/8" М10х1 | |
| 27 | 6505-4216116-11 | Шланг | |
| 27 | 650501-4216116-11 | Шланг |
Содержащиеся в справочниках-каталогах запасные части и детали не предлагаются к продаже, а носят исключительно информационный характер