Каталог запасных частей к технике: КрАЗ-6510. Коробка отбора мощности
1
1
2
2
3
3
4
4
5
6
7
7
8
9
10
11
12
13
14
15
16
17
18
19
20
21
22
23
24
25
26
26
27
28
29
30
31
32
33
34
34
35
36
37
38
39
40
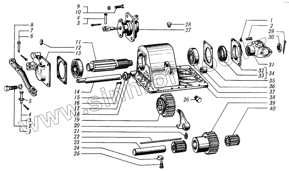
| Позиция на иллюстрации | Заводской номер детали | Название детали | |
|---|---|---|---|
| 6510-4202010 | 6510-4202010 | Коробка отбора мощности в сборе | |
| 1 | 252136-П2 | Шайба 10 пружинная | |
| 2 | 201497-П29 | Болт М10х1,25х25 | |
| 3 | 258052-П29 | Шплинт разводной 3,6х20 | |
| 4 | 260088-П18С | Палец 12х38 | |
| 4 | 260088-П29 | Палец 12х38 | |
| 5 | 252007-П29 | Шайба 12 | |
| 6 | 258053-П29 | Шплинт разводной 4х25 | |
| 7 | 260091-П18С | Палец 12х45 | |
| 7 | 260091-П29 | Палец 12х45 | |
| 8 | 6510-4202185 | Рычаг | |
| 9 | 252135-П2 | Шайба 8 пружинная | |
| 10 | 201456-П29 | Болт М8х1,25х20 | |
| 11 | 210А-4202070-А1 | Вал ведомой шестерни | |
| 12 | 214-2401025 | Сапун редуктора лебедки | |
| 13 | 6510-4202084-01 | Крышка передняя | |
| 14 | 6510-4202122 | Шток вилки | |
| 15 | 220103-П29 | Винт М6х1х12 | |
| 16 | 252134-П2 | Шайба 6 пружинная | |
| 17 | 210-1803058 | Крышка сальника | |
| 18 | 210-1803048-02 | Кольцо уплотнительное | |
| 19 | 210А-4202064-01 | Шестерня ведомая | |
| 20 | 210А-4202126-А | Вилка включения коробки | |
| 21 | 348902-П2 | Винт установочный М10х18 | |
| 22 | 258250-П8 | Шплинт-проволока 1,2х100 | |
| 23 | 210А-4202030 | Ось шестерни | |
| 24 | 210А-4202032-А1 | Замок винта оси шестерни | |
| 25 | 310501-П29 | Винт М10х22 | |
| 26 | 345936-П29 | Пробка М16х1,5 | |
| 26 | 316172-П29 | Пробка М16х1,5 (взамен может устанавливаться 316172) | |
| 27 | 250Т-1804172-10 | Пневмокамера в сборе | |
| 28 | 316104-П29 | Пробка гнезда М12 | |
| 29 | 258054-П29 | Шплинт разводной 4х32 | |
| 30 | 311703-П29 | Гайка М24х2 | |
| 31 | 210А-4502024-11 | Вилка карданного вала | |
| 32 | 210А-4202085-Б | Крышка задняя | |
| 33 | 214-4501100 | Манжета | |
| 34 | 210А-4202081-Б | Крышка задняя с сальником в сборе | |
| 34 | 210АС-4202081-Б | Крышка задняя с сальником в сборе | |
| 35 | 210А-4202087-01 | Прокладка крышки | |
| 36 | 313917-П29 | Заглушка 20 | |
| 37 | 308 | Подшипник шариковый | |
| 38 | 210А-4202015-Г2 | Картер коробки | |
| 39 | 210А-4202020 | Шестерня паразитная | |
| 40 | 64907К | Подшипник роликовый |
Содержащиеся в справочниках-каталогах запасные части и детали не предлагаются к продаже, а носят исключительно информационный характер