Каталог запасных частей к технике: КрАЗ-6510. Электрооборудование КрАЗ-6444 и КрАЗ-65101
1
1
2
2
3
3
4
4
5
6
7
8
9
10
11
12
13
14
15
16
17
18
19
20
21
22
23
23
24
25
26
27
28
28
29
30
31
32
33
33
34
36
37
38
40
41
43
44
45
46
47
48
49
50
51
52
53
54
55
56
57
58
59
60
61
62
63
64
65
66
67
69
69
70
71
72
73
73
73
73
73
73
74
75
76
77
78
79
80
81
82
83
84
85
86
87
88
90
90
91
92
93
94
96
97
98
99
100
100
100
101
102
102
103
104
106
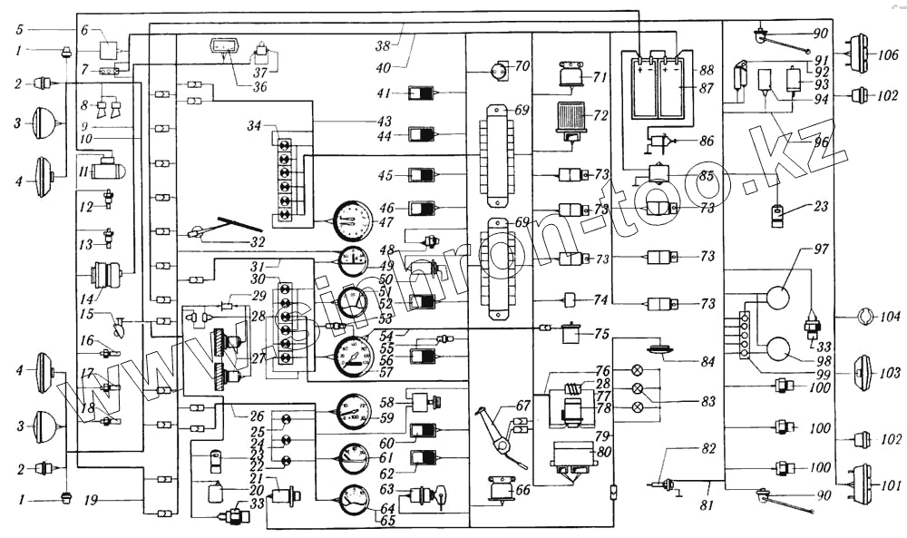
| Позиция на иллюстрации | Заводской номер детали | Название детали | |
|---|---|---|---|
| 65101-3724100 | 65101-3724100 | Жгут проводов дополнительный | |
| 6510-3724010-10 | 6510-3724010-10 | Жгут проводов основной | |
| 260-3724062-10 | 260-3724062-10 | Провод от аккумуляторных батарей к выключателю "массы" | |
| 2622.3747000 | 2622.3747000 | Реле блокировки стартера | |
| 1 | УП101-3726000-Б | Указатель поворота боковой или фонарь знака автопоезда | |
| 2 | ПФ130-3712010-Б | Фонарь передний | |
| 3 | ФГ122-3711010-ВВ1-Э | Фара | |
| 4 | ФГ52-3743010 | Фара противотуманная | |
| 5 | 6437-3724068 | Жгут проводов силовой | |
| 6 | 111.3722000 | Блок предохранителей центральный | |
| 7 | 15.3723000 | Панель соединительная | |
| 8 | С306Г/С307Г-3721000 | Комплект рупорных звуковых сигналов | |
| 9 | 260-7905010 | Жгут проводов генератора | |
| 10 | 6437-3724012 | Жгут проводов освещения | |
| 11 | 25.3708000-01 | Стартер | |
| 12 | 13.3839600 | Датчик сигнализации засоренности воздушного фильтра | |
| 13 | ТМ100В-3808000-0 | Датчик указателя температуры воды | |
| 14 | Г288Е-3701000 | Генератор | |
| 15 | ПД308Б-3715300 | Фонарь подкапотной подсветки | |
| 16 | ТМ111-3808000 | Датчик сигнализатора аварийной температуры воды | |
| 17 | ММ111Д-3810600 | Датчик аварийного давления масла | |
| 18 | ММ370-3829010-У-ХЛ | Датчик указателя давления масла | |
| 19 | 6510-3724268 | Жгут проводов двигателя | |
| 20 | 1112.5208000-02 | Электростеклоомыватель | |
| 21 | 32.3710000 | Выключатель аварийной сигнализации | |
| 22 | 2212.3803-23 | Лампа контрольная падения давления масла в двигателе | |
| 23 | РС330-1705000 | Электромагнит клапана противоугонного устройства, блокировки межосевого дифференциала, блокировки межколесного дифференциала, отбора мощности | |
| 24 | 2212.3803-22 | Лампа контрольная аварийной температуры охлаждающей жидкости | |
| 25 | 2212.3803-20 | Лампа контрольная засоренности воздушного фильтра | |
| 26 | 6437-3724055 | Жгут проводов приборного щитка левого | |
| 27 | МЭ250-3730000 | Электродвигатель отопителей | |
| 28 | СЭ300-8102100 | Сопротивление дополнительное | |
| 29 | КБП-Ф | Конденсатор проходной | |
| 30 | 2312.3803010-16 | Блок контрольных ламп | |
| 31 | 6437-3724056 | Жгут проводов щитка приборов среднего | |
| 32 | 34.5205010 | Стеклоочиститель электрический | |
| 33 | ММ125Д-3810600 | Датчик вспомогательной тормозной системы и сигнала торможения | |
| 34 | 2312.3803010-15 | Блок контрольных ламп с диодами | |
| 36 | 1112.3702010 | Регулятор напряжения | |
| 37 | 1502-7904010 | Фильтр конденсаторный | |
| 38 | 6444-3724030 | Жгут проводов по лонжерону | |
| 40 | 6444-3724010 | Жгут проводов основной | |
| 41 | ВК343-3709000.01.08 | Выключатель плафона кабины | |
| 43 | 6510-3724057-10 | Жгут проводов щитка приборов правого | |
| 44 | ВК343-3709000.01.35 | Выключатель электроклапана блокировки межосевого дифференциала | |
| 45 | П147-3709000.04.11 | Переключатель режимов электродвигателей отопителя | |
| 46 | П147-3709000.02.13 | Переключатель датчиков указателя уровня топлива | |
| 47 | 1102.3830010-0 | Манометр двухстрелочный | |
| 48 | 11.3704000-0 | Выключатель электронагревателя форсунки подогревателя (устанавливается на автомобилях, укомплектованных предпусковым подогревателем) | |
| 49 | АП171А-3811010 | Амперметр | |
| 50 | ВК354-3704000-0 | Выключатель подогревателя | |
| 51 | УБ170-3806010-01-У-ХЛ | Приемник указателя топлива | |
| 52 | П147-3709000.06.16 | Переключатель фонарей автопоезда и поворотной фары | |
| 53 | ПР118Б-3722000-01 | Предохранитель плавкий 2А | |
| 54 | 6437-7905012 | Жгут проводов электроспидометра | |
| 55 | 3403.3747000 | Диод разделительный | |
| 56 | П147-3709000.04.03 | Переключатель противотуманных фар и заднего противотуманного огня | |
| 57 | 12.3802010У-ХЛ | Электроспидометр | |
| 58 | ВК416Б-3709000-01 | Выключатель света щитка приборов с реостатом | |
| 59 | 2531.3813010 | Тахометр | |
| 60 | П150-3709000.14.10 | Переключатель электростеклоомывателя | |
| 61 | УК171-3807010-01-У-ХЛ | Приемник указателя температуры | |
| 62 | П147-3709000.09.09 | Переключатель электростеклоочистителя | |
| 63 | ВК353-3704000-0 | Выключатель стартера и приборов | |
| 64 | УК170-3810010-03-У-ХЛ | Приемник указателя давления масла двигателя | |
| 65 | А24-2 | Лампа | |
| 66 | РС531-3721000 | Сигнализатор шумовой | |
| 67 | П145-3726000 | Комбинированный переключатель света и указателей поворота | |
| 69 | ПР112-3722000 | Блок предохранителей освещения и потребителей | |
| 70 | 250-3715020 | Розетка переносной лампы 47К | |
| 71 | РС530-3721000 | Реле стартера | |
| 72 | 2612.3747000 | Реле блокировки стартера | |
| 73 | 11.3747010 | Реле | |
| 74 | РС493-3803010-У-ХЛ | Реле-прерыватель звукового сигнала заднего хода и стояночной тормозной системы | |
| 75 | 2001.3843010 | Датчик электроспидометра | |
| 76 | 6510-3724162 | Жгут проводов подогревателя основной | |
| 77 | 250-3724162-10 | Жгут проводов контактора | |
| 78 | КТ127-3750000 | Контактор предпускового подогревателя | |
| 79 | 260-3724050-10 | Жгут проводов освещения дополнительный | |
| 80 | РС951А-3726010-У-ХЛ | Реле-прерыватель указателей поворота | |
| 81 | 260-3724196 | Жгут проводов выключателя стояночного тормоза | |
| 82 | ВК412-3720000 | Выключатель стояночного тормоза | |
| 83 | УП101-3726000-В | Фонарь освещения знака автопоезда | |
| 84 | ПК201-3714010-Д2 | Плафон освещения кабины | |
| 85 | ПС315-3723100А | Розетка внешнего пуска | |
| 86 | ВК318Б-3704000-У-ХЛ | Выключатель массы | |
| 87 | 6СТ-190А | Батарея аккумуляторная | |
| 88 | 250-3724062-10 | Провод от аккумулятора к выключателю "массы" | |
| 90 | 4402.3827600 | Датчик указателя уровня топлива | |
| 91 | ЭН22.3741010 | Нагреватель топлива | |
| 92 | РС335 | Электромагнит клапана подогревателя | |
| 93 | МЭ252 | Электродвигатель предпускового подогревателя | |
| 94 | 17.3734000 | Источник напряжения высоковольтный | |
| 96 | 260-3724072-01 | Провод источника высокого напряжения (устанавливается на автомобилях, укомплектованных предпусковым подогревателем) | |
| 97 | ПС300А3-3723100 | Розетка штепсельная | |
| 98 | ПС325-3723100 | Розетка штепсельная прицепа | |
| 99 | 17.3723000 | Панель соединительная | |
| 100 | ММ124Д-3810600 | Датчик включения стояночной тормозной системы, падения давления воздуха 1-го контура, падения давления воздуха запасного контура | |
| 101 | ФП130-3716010-В | Фонарь задний левый ФП130-В в сборе | |
| 102 | ФП135-3716010-Г | Фонарь заднего хода | |
| 103 | 2412.3716010 | Фонарь задний противотуманный | |
| 104 | ПС400-3723200 | Розетка штепсельная переносной лампы | |
| 106 | ФП130-3716010-Г | Фонарь задний правый ФП130-Г в сборе |
Содержащиеся в справочниках-каталогах запасные части и детали не предлагаются к продаже, а носят исключительно информационный характер