Каталог запасных частей к технике: КрАЗ-65055. Установка привода сцепления - до 2000 г
1
2
3
4
5
6
6
7
8
8
9
10
11
12
13
14
14
15
16
17
18
18
19
20
21
22
22
22
22
23
23
23
24
25
26
27
28
29
29
29
30
31
32
33
33
34
34
34
35
36
37
38
39
40
41
42
43
44
45
46
46
47
48
49
50
51
52
53
54
55
56
57
57
57
58
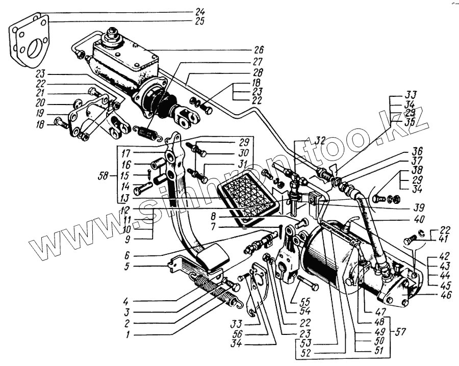
| Позиция на иллюстрации | Заводской номер детали | Название детали | |
|---|---|---|---|
| 314547-П29 | 314547-П29 | Угольник | |
| 1 | 250Т-1602384 | Пружина пневмопоршня | |
| 2 | 201544-П29 | Болт М12х1,75х40 | |
| 3 | 252137-П2 | Шайба 12 пружинная | |
| 4 | 314614-П29 | Штуцер К10-1/2" | |
| 5 | 250-1602385-10 | Кронштейн пружины | |
| 6 | 6437-1602399-20 | Трубопровод подводящий | |
| 6 | 65101-1602399 | Трубопровод подводящий | |
| 7 | 258039-П29 | Шплинт разводной 3х20 | |
| 8 | 260058-П18С | Палец 10х30 | |
| 8 | 260058-П29 | Палец 10х30 | |
| 9 | 201420-П29 | Болт М6х1х20 | |
| 10 | 250608-П29 | Гайка М6х1 | |
| 11 | 252134-П2 | Шайба 6 пружинная | |
| 12 | 315406-П29 | Кляммер воздухопровода 8х10 | |
| 13 | 256Б-1108021 | Подушка площадки педали в сборе | |
| 14 | 260091-П29 | Палец 12х45 | |
| 14 | 260091-П18С | Палец 12х45 | |
| 15 | 258052-П29 | Шплинт разводной 3,6х20 | |
| 16 | 250-1602022 | Втулка педали | |
| 17 | 260-1602012 | Педаль сцепления | |
| 18 | 201505-П29 | Болт М10х1,5х45 | |
| 19 | 250-1602068 | Кронштейн педали | |
| 20 | 250Т-1602065 | Шайба специальная | |
| 21 | 201501-П29 | Болт М10х1,5х35 | |
| 22 | 252136-П2 | Шайба 10 пружинная | |
| 23 | 250512-П29 | Гайка М10х1,5 | |
| 24 | 251-5300089 | Уплотнитель педали сцепления | |
| 25 | 250-5301088 | Усилитель крепления педали | |
| 26 | 260-1602510 | Главный цилиндр выключения сцепления в сборе | |
| 27 | 250Т-1602094 | Пружина возвратная педали | |
| 28 | 260-1602290 | Трубопровод главного цилиндра | |
| 29 | 250510-П29 | Гайка М8 | |
| 30 | 201460-П29 | Болт М8х1,25х30 | |
| 31 | 348518-П29 | Болт М8х40 | |
| 32 | 314538-П29 | Тройник проходной М16х1,5 | |
| 33 | 201454-П29 | Болт М8х1,25х16 | |
| 34 | 252135-П2 | Шайба 8 пружинная | |
| 35 | 260-1602293 | Кронштейн | |
| 36 | 252019-П29 | Шайба 20 | |
| 37 | 250640-П29 | Гайка М20х1,5 | |
| 38 | 201458-П29 | Болт М8х1,25х25 | |
| 39 | 250Б-3506162 | Кронштейн крепления трубок | |
| 40 | 250-1602312 | Шланг | |
| 41 | 201499-П29 | Болт М10х1,5х30 | |
| 42 | 260-1602655 | Сапун | |
| 43 | 314611-П29 | Штуцер М20х1,5хК3/8" | |
| 44 | 347640-П29 | Гайка накидная М20х1,5 | |
| 45 | 347719-П29 | Муфта 14 конусная | |
| 46 | 250-1602350-20 | Цилиндр выключения сцепления в сборе | |
| 46 | 260-1602350-10 | Цилиндр выключения сцепления в сборе | |
| 47 | 314629-П29 | Штуцер К 1/8" М16х1,5 | |
| 48 | 250-3506224-01 | Трубка | |
| 49 | 250-3408118 | Хомут шланга 18 | |
| 50 | 220081-П29 | Винт М5х0,8х18 | |
| 51 | 251086-П29 | Гайка М5х0,8 | |
| 52 | 250С-1015383-01 | Шланг | |
| 53 | 256Б1-3506254-01 | Трубка к крану ручного управления | |
| 54 | 250-1602217 | Рычаг | |
| 55 | 200319-П29 | Болт М10х1,5х50 | |
| 56 | 250-1602386 | Рычаг пружины | |
| 57 | 260-1602402 | Трубопровод подводящий | |
| 57 | 260С-1602402 | Трубопровод подводящий | |
| 57 | 260-1602402-10 | Трубопровод подводящий в сборе | |
| 58 | 250-1602010-11 | Педаль сцепления |
Содержащиеся в справочниках-каталогах запасные части и детали не предлагаются к продаже, а носят исключительно информационный характер