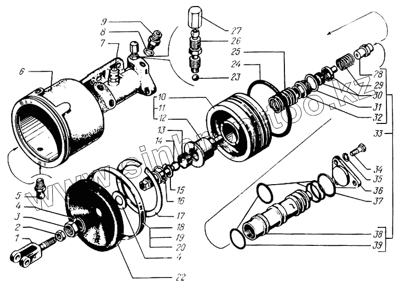
Каталог запасных частей к технике: КрАЗ-65055. Цилиндр выключения сцепления - до 2000 г
1
2
3
4
4
5
6
7
8
9
10
11
12
13
14
15
16
17
18
19
20
22
23
24
25
26
27
28
29
30
31
32
33
34
35
36
37
38
39
| Позиция на иллюстрации | Заводской номер детали | Название детали | |
|---|---|---|---|
| 250-1602350-20 | 250-1602350-20 | Цилиндр выключения сцепления в сборе | |
| 260-1602350-10 | 260-1602350-10 | Цилиндр выключения сцепления в сборе | |
| 1 | 250-1602372 | Вилка штока | |
| 2 | 250513-П29 | Гайка М10х1 | |
| 3 | 250640-П29 | Гайка М20х1,5 | |
| 4 | 260-1602382 | Фиксатор | |
| 5 | 264020-П29 | Масленка 1/8" | |
| 6 | 260-1602352-10 | Корпус | |
| 7 | 214-2401025 | Сапун редуктора лебедки | |
| 8 | 312326-П | Шайба 14 | |
| 9 | 347560-П29 | Штуцер М18х1,5хМ12х1,25 | |
| 10 | 250-1602378 | Поршень пневматический | |
| 11 | 250-1602361-10 | Поршень пневматический в сборе | |
| 12 | 250-1602365 | Втулка пневмопоршня | |
| 13 | 250-1602146 | Опора штока | |
| 14 | 260-1602363 | Шток | |
| 15 | 250-1602148 | Сухарь штока | |
| 16 | 250-3570142 | Кольцо | |
| 17 | 256-1802073 | Кольцо крышки ограничительное | |
| 18 | 212А-8101092 | Пряжка хомута | |
| 19 | 401500-П29 | Лента стяжная 9,5х510 | |
| 20 | 258080-П29 | Шплинт 5,6х25 | |
| 21 | 250-1602532 | Прокладка | |
| 22 | 250-1602370 | Колпак защитный | |
| 23 | 200-1601099 | Шарик | |
| 24 | 250-1602376 | Кольцо уплотнительное | |
| 25 | 250-1602359-10 | Пружина возвратная | |
| 26 | 250-1602374-10 | Наконечник перепускного клапана | |
| 27 | 250-1602377 | Колпачок защитный | |
| 28 | 250-1602364 | Втулка направляющая | |
| 29 | 214-3412041 | Пружина клапана | |
| 30 | 214-3412030 | Клапан впускной | |
| 31 | 256Б-3570062 | Кольцо 022-028-36-2-2 | |
| 32 | 250-1602358 | Седло клапана | |
| 33 | 260-1602353 | Поршень гидравлический в сборе | |
| 34 | 201497-П29 | Болт М10х1,25х25 | |
| 35 | 252136-П2 | Шайба 10 пружинная | |
| 36 | 250-1602351 | Крышка | |
| 37 | 250-1602367 | Кольцо уплотнительное | |
| 38 | 260-1602356 | Поршень гидравлический | |
| 39 | 260-1602368-01 | Кольцо |
Содержащиеся в справочниках-каталогах запасные части и детали не предлагаются к продаже, а носят исключительно информационный характер