Вернуться на главную
Поиск
Каталоги запчастей к технике
Грузовые автомобили и прицепы
КрАЗ
КрАЗ-65055
Стеклоочиститель
Каталог запасных частей к технике: КрАЗ-65055. Стеклоочиститель
zoom-in
zoom-out
enlarge
shrink
circle-right
circle-left
file-text2
info
cart
Тип техники
Не выбрано
Легковые автомобили
Грузовые автомобили и прицепы
Автобусы
Сельхозтехника
Спецтехника
Двигатели
Мототехника
Марка
Не выбрано
BAW
DAF
DongFeng
FAW
Foton
HOWO
Hyundai
IVECO
JAC Motors
LGMG
MAN
Shaanxi
SITRAK
Studebaker
Tata
Volvo
Автокомпонент Плюс
БелАЗ
Брянский Арсенал
ГАЗ
ЗИЛ
КАЗ
Камский автозавод
КрАЗ
Мадара
МАЗ
МЗКТ
МоАЗ
Нефтекамский автозавод
Ставропольский Завод АвтоПрицепов
ТАТРА
Тонар
УралАЗ
ЧМЗАП
Модель
Не выбрано
Доп. с двиг. Евро-2 (2008)
КрАЗ-250
КрАЗ-255
КрАЗ-256
КрАЗ-260
КрАЗ-6322 (2005)
КрАЗ-6322 (шасси) (2005)
КрАЗ-63221 (2005)
КрАЗ-64372, 6133М6 (2006)
КрАЗ-6443
КрАЗ-6443 (каталог 2004 г)
КрАЗ-64431-02 (2008)
КрАЗ-6446 (2005)
КрАЗ-65053-02 (2008)
КрАЗ-65055
КрАЗ-65055-02 (2008)
КрАЗ-6510 (1993)
КрАЗ-7133H4 (2006)
КрАЗ-7133С4 (2006)
Схема
>
Не выбрано
Кабина в сборе и крепление кабины
Стеклоочиститель
Стеклоомыватель
Дверь кабины
Сиденье водителя
Амортизатор сиденья водителя
Отопитель кабины и обогрев ветровых стекол
Трубопроводы системы отопления кабины
Отопитель кабины дополнительный и шланги
Зеркало заднего вида, бокового обзора, широкоугольное и козырек противосолнечный
Облицовка радиатора и капот
Крыло переднее и подножки
Замок капота
Платформа автомобиля краз-65055
Платформа автомобилей краз-65053, краз-650531
Опрокидывающий механизм платформы
Цилиндр опрокидывающего механизма
Насос масляный опрокидывающего механизма
Бак масляный опрокидывающего механизма
Гидрораспределитель опрокидывающего механизма
Крепление силового агрегата
Подогреватель 14.8106
Топливные баки, топливопроводы и фильтр грубой очистки топлива автомобилей краз-65055, краз-65053, краз-650531
Топливные баки, топливопроводы и фильтр грубой очистки топлива автомобиля краз-64431
Баки топливные
Привод управления подачей топлива и остановом двигателя противоугонным устройством - до 2000 г
Привод управления подачей топлива и остановом двигателя противоугонным устройством - после 2000 г
Фильтр воздушный
Система выпуска отработавших газов
Радиатор с кожухом и расширительным бачком
Шторка радиатора с масляными радиаторами и привод шторки
Шторка радиатора
Установка привода сцепления - до 2000 г
Цилиндр выключения сцепления - до 2000 г
Привод управления сцеплением - после 2000г
Пневмогидроусилитель сцепления - после 2000 г
Главный цилиндр выключения сцепления
Рычаг переключения передач, кран управления
Карданная передача
Вал карданный заднего и среднего мостов
Вал карданный заднего и среднего мостов
Вал карданный
Опора промежуточная карданных валов
Мосты задний и средний (картер)
Редуктор главной передачи заднего моста (картер с крышками)
Редуктор главной передачи заднего моста (валы и шестерни)
Межколесный дифференциал заднего моста и полуоси заднего (среднего) мостов
Механизм блокировки межколесного дифференциала заднего и среднего мостов
Редуктор главной передачи среднего моста (картер с крышками)
Редуктор главной передачи среднего моста (валы и шестерни)
Воздухопроводы дополнительных потребителей
Рама
Рессора передняя в сборе
Амортизатор передней подвески
Рессоры задние и реактивные штанги
Балансиры задней подвески с осью
Ось передняя и кулаки поворотные - до 2000 г
Передняя ось - после 2000 г
Колесо дисковое с шиной
Ступицы и тормозные барабаны передних колес
Ступицы и тормозные барабаны задних дисковых колес
Ступицы и тормозные барабаны задних дисковых колес
Держатель запасного колеса
Держатель запасного колеса
Управление рулевое
Механизм рулевой с распределителем
Цилиндр силовой
Насос масляный рулевого усилителя
Бачок масляный
Тяга рулевая поперечная - до 2000 г
Тяга рулевая продольная - до 2000 г
Рулевые тяги - после 2000 г
Распределитель
Рулевая колонка с колесом
Механизм тормозной переднего колеса - до 2000 г
Ступицы и тормозные барабаны передних колес - после 2000 г
Механизм тормозной переднего колеса - после 2000 г
Механизмы тормозные задние
Педаль тормозная и привод управления двухсекционным тормозным краном
Воздухопроводы и аппараты тормозной системы автомобиля краз-65055
Воздухопроводы и аппараты тормозной системы автомобилей краз-65053, краз-650531, краз-64431
Установка и привод компрессора
Головка и блок цилиндров компрессора
Картер и вал коленчатый компрессора
Водоотделитель - до 2000 г
Регулятор давления с предохранительным клапаном - до 2000 г.
Влагомаслоотделитель с регулятором давления - после 2000 г
Ресиверы
Кран тормозной двухсекционный с рычагом
Противозамерзатель
Клапан контрольного вывода и клапан обрыва
Клапан защитный четырехконтурный
Клапан ускорительный
Камера тормозная передняя
Камера тормозная передняя
Камера тормозная задняя
Кран разобщительный и головки соединительные
Клапан управления тормозной системой прицепа с двухпроводным приводом
Регулятор тормозных сил
Кран тормозной обратного действия с ручным управлением
Клапан двухмагистральный
Аккумуляторные батареи и выключатель массы
Аккумуляторные батареи и выключатель массы
Приборы световые передние
Приборы световые задние
Сигнал звуковой
Фара-прожектор
Схема электрооборудования
Панель приборов
Устройство седельно-сцепное
Приборы буксирные задние
Коробка отбора мощности
Коробка отбора мощности
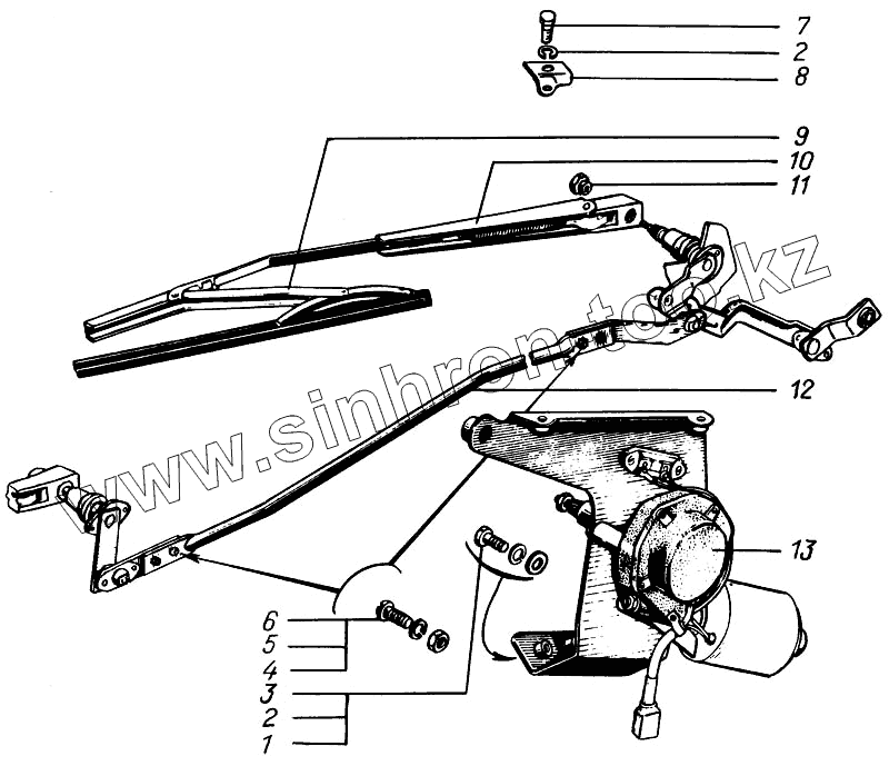
1
2
2
3
4
5
6
7
8
9
10
11
12
13
Позиция на иллюстрации
Заводской номер детали
Название детали
1
252005-П29
Шайба 8
2
252135-П2
Шайба 8 пружинная
3
201456-П29
Болт М8х1,25х20
4
250508-П29
Гайка М6-6Н
5
252134-П2
Шайба 6 пружинная
6
201418-П29
Болт М6х1х16
7
201458-П29
Болт М8х1,25х25
8
6505-8102105
Кронштейн крепления раструба
9
29.5205800
Щетка
10
34.5205700
Узел рычага
11
27.5205505
Гайка
12
6505-5205094
Тяга
13
341.5205010
Стеклоочиститель с электрическим приводом
Содержащиеся в справочниках-каталогах запасные части и детали не предлагаются к продаже, а носят исключительно информационный характер
Дополнительная информация
×
Название:
Номер:
Примечание: