Каталог запасных частей к технике: КрАЗ-65055. Схема электрооборудования
1
1
2
2
3
3
4
4
4
5
5
6
7
8
9
10
10
11
12
13
13
14
15
16
17
18
19
20
21
22
23
24
25
26
27
27
28
28
29
29
30
32
33
33
34
35
35
36
37
38
39
40
40
40
41
42
43
44
45
46
47
48
49
50
51
52
53
54
54
55
55
55
55
56
56
57
57
57
58
59
59
60
61
62
63
64
64
65
66
67
68
69
70
71
72
73
74
75
76
77
78
79
80
81
82
83
84
85
85
86
87
88
89
89
89
89
89
89
89
89
89
90
90
91
92
93
94
95
95
96
97
98
99
100
101
101
102
103
104
105
105
106
107
107
108
109
110
111
111
111
111
111
112
112
112
112
113
114
114
115
115
116
117
118
119
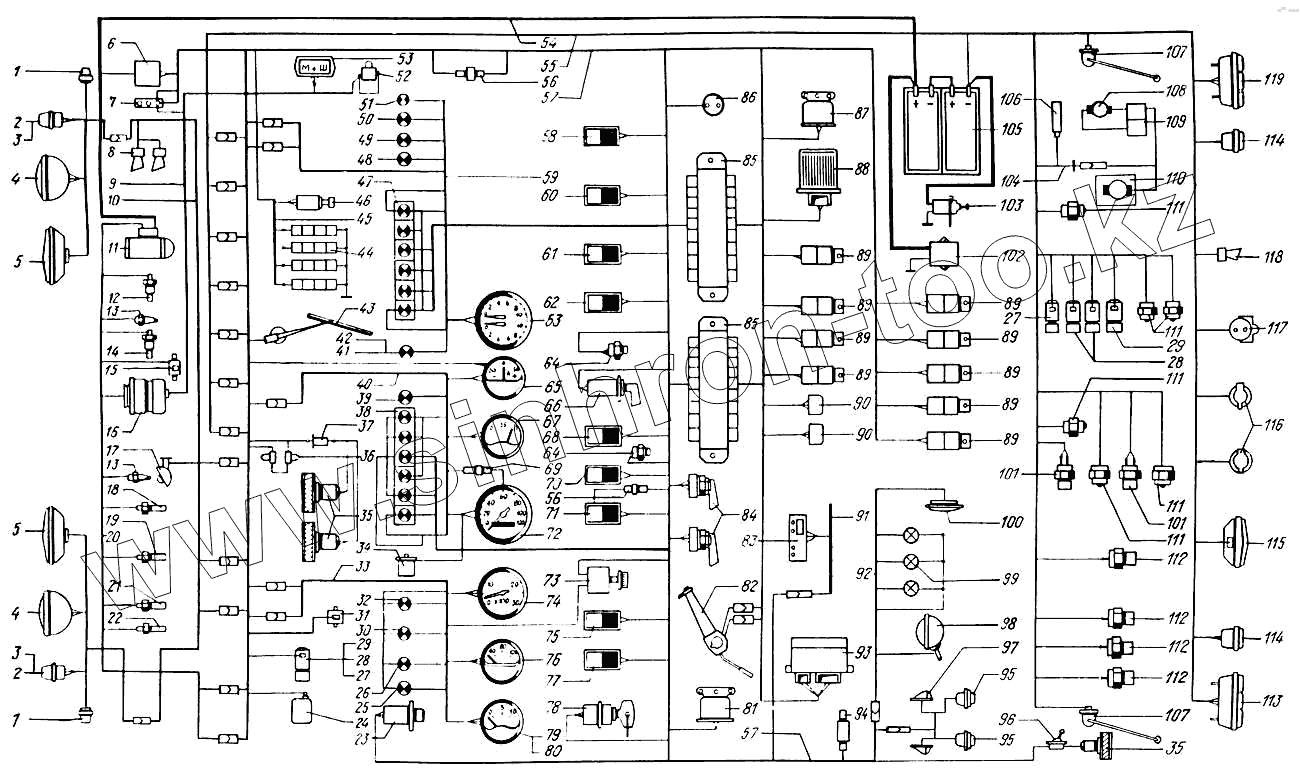
| Позиция на иллюстрации | Заводской номер детали | Название детали | |
|---|---|---|---|
| 1 | УП101-3726000-Б | Указатель поворота боковой или фонарь знака автопоезда | |
| 2 | ПФ-3712010-Б | Фонарь передний | |
| 3 | 26.3726 | Указатель поворота передний | |
| 4 | 341.3711 | Фара головная | |
| 4 | ФГ22-3711010-ВВ | Фара головная | |
| 5 | ФГ152А-3743010 | Фара противотуманная | |
| 6 | 111.3722000 | Блок предохранителей центральный | |
| 7 | 15.3723000 | Панель соединительная | |
| 8 | С306Д/С307Д-3721000-01 | Сигнал звуковой электрический (комплект) | |
| 9 | 260-7905010 | Жгут проводов генератора | |
| 10 | 6437-3724012-10 | Жгут проводов освещения | |
| 10 | 643701-3724012-10 | Жгут проводов освещения | |
| 11 | 25.3708000-01 | Стартер | |
| 12 | 13.3839600 | Датчик сигнализации засоренности воздушного фильтра | |
| 13 | 111.3740 | Свеча штифтовая | |
| 14 | ТМ100В-3808000 | Датчик указателя температуры воды | |
| 15 | 11.3741000 | Клапан электромагнитный ЭФУ | |
| 16 | 1702.3771 | Генератор | |
| 17 | ПД308Б-3715300-У | Фонарь подкапотной подсветки | |
| 18 | ТМ111-3808000 | Датчик сигнализатора аварийной температуры воды | |
| 19 | Датчик засоренности масляного фильтра | Датчик засоренности масляного фильтра | |
| 20 | 6437-3724268-21 | Жгут проводов по двигателю | |
| 21 | АДЮИ.407529.001 | Датчик аварийного давления масла | |
| 22 | ММ370-3829010-У-ХЛ | Датчик указателя давления масла | |
| 23 | 245.3710-01 | Выключатель аварийной сигнализации | |
| 24 | 1112.5208000-02 | Электростеклоомыватель | |
| 25 | 2212.3803-23 | Лампа контрольная падения давления масла в двигателе | |
| 26 | 2212.3803-22 | Лампа контрольная аварийной температуры охлаждающей жидкости | |
| 27 | 11.3745000-21Г4 | Электроклапан противотуманного устройства, блокировки межосевого дифференциала, отключения трансмиссии, блокировки межколесного дифференциала, отбора мощности | |
| 28 | РС330-1705000 | Электромагнит клапана противоугонного устройства, блокировки межосевого дифференциала, блокировки межколесного дифференциала, отбора мощности | |
| 29 | 11.3745 | Электромагнит клапана противоугонного устройства блокировки межосевого дифференциала включениянизшей передачи, блокировки межколесного дифференциала | |
| 30 | 2212.3803-24 | Лампа контрольная засоренности масляного фильтра | |
| 32 | 2212.3803-20 | Лампа контрольная засоренности воздушного фильтра | |
| 33 | 6437-3724055 | Жгут проводов приборного щитка левого | |
| 33 | 643701-3724055 | Жгут проводов левого щитка приборов | |
| 34 | 2001.3843010 | Датчик электроспидометра | |
| 35 | МЭ250-3730000 | Электродвигатель отопителей | |
| 36 | СЭ300-8102100 | Сопротивление дополнительное | |
| 37 | КБП-Ф | Конденсатор проходной | |
| 38 | 2312.3803-16 | Блок контрольных ламп | |
| 39 | 2312.3803-17 | Лампа контрольная включения ЭФУ | |
| 40 | 6437-3724056 | Жгут проводов щитка приборов среднего | |
| 40 | 643701-3724056 | Жгут проводов приборного щитка среднего | |
| 40 | 64431-3724056 | Жгут проводов приборного щитка среднего | |
| 41 | 2212.3803-32 | Лампа контрольная включения подогревателя | |
| 42 | 2212.3803-34 | Лампа контрольная падения давления воздуха в шинах прицепа | |
| 43 | 34.5205010 | Стеклоочиститель электрический | |
| 44 | Нагревательные элементы обогревных стекол | Нагревательные элементы обогревных стекол | |
| 45 | 643701-3724170-20 | Жгут проводов обогрева стекол | |
| 46 | П305 | Выключатель обогревных стекол | |
| 47 | 2312.3803-15 | Блок контрольных ламп с диодами | |
| 48 | 2212.3803-13 | Лампа контрольная включения блокировки межколесного дифференциала | |
| 49 | 2212.3803-14 | Лампа контрольная выключения блокировки межосевого дифференциала | |
| 50 | 2312.3803-15 | Блок контрольных ламп с диодами | |
| 51 | 2212.3803-35 | Лампа контрольная включения демультипликатора | |
| 52 | 1502-7904010 | Фильтр конденсаторный | |
| 53 | 2712.3702010 | Реле-регулятор напряжения | |
| 54 | 6437-3724068 | Жгут проводов силовой | |
| 54 | 643701-3724068 | Жгут проводов силовой | |
| 55 | 65055-3724030-20 | Жгут проводов по лонжерону | |
| 55 | 65053-3724030-40 | Жгут проводов по лонжерону | |
| 55 | 650531-3724030-40 | Жгут проводов по лонжерону | |
| 55 | 64431-3724030 | Жгут проводов по лонжерону | |
| 56 | 3403.3747000 | Диод разделительный | |
| 57 | 6443-3724010 | Жгут проводов основной | |
| 57 | 644301-3724010 | Жгут проводов основной | |
| 58 | ВКл.1-01.08 | Выключатель плафона кабины | |
| 59 | 6437-3724057 | Жгут проводов приборного щитка правого | |
| 59 | 643701-3724057 | Жгут проводов приборного щитка правого | |
| 60 | ВК343-3709000.01.35 | Выключатель электроклапана блокировки межосевого дифференциала | |
| 61 | П150-3709000.06.14 | Выключатель блокировки межколесного дифференциала | |
| 62 | П147-3709000.04.11 | Переключатель режимов электродвигателей отопителя | |
| 63 | 1901.3830010-0 | Манометр двухстрелочный | |
| 64 | 11.3704000 | Выключатель нагревателя топлива и ЭФУ | |
| 65 | АП111В-3811010 | Амперметр | |
| 66 | ВК354-3704000 | Выключатель предпускового подогревателя | |
| 67 | 34.3806010 | Указатель уровня топлива | |
| 68 | П147-3709000.02.13 | Переключатель датчиков указателя уровня топлива | |
| 69 | ПР118Б-3722000-01 | Предохранитель плавкий 2А | |
| 70 | П147-3709000.06.16 | Переключатель фонарей автопоезда и поворотной фары | |
| 71 | П147-3709000.04.03 | Переключатель противотуманных фар и заднего противотуманного огня | |
| 72 | 121.3802010 | Спидометр | |
| 73 | ВК416Б-3709000-01 | Выключатель света щитка приборов с реостатом | |
| 74 | 2531.3813010 | Тахометр | |
| 75 | П150-3709000.14.10 | Переключатель электростеклоомывателя | |
| 76 | 36.3807010 | Указатель температуры воды | |
| 77 | П147-3709000.09.09 | Переключатель электростеклоочистителя | |
| 78 | 2101.3704-10 | Выключатель стартера | |
| 79 | 33.3810010 | Указатель давления масла | |
| 80 | А-24-2 | Лампа | |
| 81 | 733.3747-10 | Зуммер | |
| 82 | П145-3726000 | Комбинированный переключатель света и указателей поворота | |
| 83 | 67.3761000-01 | Таймер | |
| 84 | ВКл.1БС-01.41 | Выключатель отбора мощности | |
| 85 | ПР112-3722000 | Блок предохранителей освещения и потребителей | |
| 86 | 47К | Розетка переносной лампы | |
| 87 | 738.3747-20 | Реле стартера | |
| 88 | 2622.3747000 | Реле блокировки стартера | |
| 89 | 11.3747010 | Реле | |
| 90 | РС493-3803010 | Реле-прерыватель звукового сигнала заднего хода и стояночной тормозной системы | |
| 91 | 6437-3724165 | Жгут проводов таймера | |
| 92 | 260-3724050-10 | Жгут проводов освещения дополнительный | |
| 93 | РС951А-3726010-У-ХЛ | Реле-прерыватель указателей поворота | |
| 94 | 12.3747 | Сопротивление тепловое | |
| 95 | 443.312.311.109 | Фонарь полного габарита задний | |
| 96 | 5102.3709 | Переключатель дополнительного отопителя | |
| 97 | 26.3712 | Фонарь габаритный передний | |
| 98 | 171.3711010-ХЛ | Фара-прожектор | |
| 99 | УП101-3726000-В | Фонарь освещения знака автопоезда | |
| 100 | ПК201-3714010-Д | Плафон освещения кабины | |
| 101 | ММ125Д-3810600 | Датчик вспомогательной тормозной системы и сигнала торможения | |
| 102 | ПС315-3723100-А | Розетка внешнего пуска | |
| 103 | ВК318Б-3704000 | Выключатель "массы" | |
| 104 | 643701-3724166 | Жгут проводов подогревателя | |
| 105 | 6СТ-190ТРН | Батарея аккумуляторная | |
| 105 | 6СТ-190А | Батарея аккумуляторная | |
| 106 | 441.3710 | Термодатчик подогревателя | |
| 107 | АДЮИ.407511.009 | Датчик указателя уровня топлива | |
| 108 | 34.3730 | Электродвигатель циркуляционного насоса | |
| 109 | Блок управления подогревателем | Блок управления подогревателем | |
| 110 | 14.8106 | Электрооборудование подогревателя | |
| 111 | ВАК-010 | Датчики сигнализации включения блокировки межосевого и межколесного дифференциалов, низшей передачи, заднего хода, отбора мощности, включения демультипликатора | |
| 112 | ММ124Д-3810600 | Датчик включения стояночной тормозной системы, падения давления воздуха 1-го контура, падения давления воздуха запасного контура | |
| 113 | 351.3716010 | Фонарь задний левый | |
| 114 | ФП135Б-3716010 | Фонарь заднего хода | |
| 115 | 24.3716010 | Фонарь задний противотуманный | |
| 115 | 2412.3716 | Фонарь задний противотуманный | |
| 116 | ПС325-3723100 | Розетка штепсельная прицепа | |
| 117 | ПС400-3723000 | Розетка переносной лампы | |
| 118 | С306Г-3721000 | Сигнал звуковой низкого тона С306Г | |
| 119 | 35.3716010 | Фонарь задний правый |
Содержащиеся в справочниках-каталогах запасные части и детали не предлагаются к продаже, а носят исключительно информационный характер