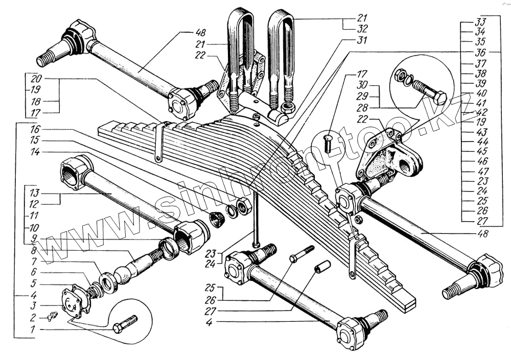
Каталог запасных частей к технике: КрАЗ-65055. Рессоры задние и реактивные штанги
1
2
3
4
4
5
6
7
8
9
10
11
12
13
14
15
16
17
17
18
19
19
20
21
21
22
22
23
23
24
24
25
25
26
26
27
27
28
29
30
31
32
33
34
35
36
37
38
39
40
41
42
43
44
45
46
47
48
48
| Позиция на иллюстрации | Заводской номер детали | Название детали | |
|---|---|---|---|
| 1 | 201495-П29 | Болт М10х1,5х20 | |
| 2 | 264040-П8 | Пресс-масленка 1/8" | |
| 3 | 251-2919060-10 | Крышка наконечника | |
| 4 | 251-2919012 | Штанга реактивная нижняя в сборе | |
| 5 | 251-2919064 | Прокладка крышки | |
| 6 | 251-2919022-01 | Пружина | |
| 7 | 251-2919036 | Сухарь шарового пальца наружный | |
| 8 | 210-2919028-20 | Палец шаровой | |
| 9 | 251-2919034-01 | Сухарь внутренний | |
| 10 | 260-2919015-01 | Штанга реактивная с наконечниками | |
| 11 | 256Б1-2919016 | Штанга реактивная с наконечниками | |
| 12 | 250Б-2919018-10 | Штанга реактивная | |
| 13 | 256Б1-2919019 | Штанга реактивная | |
| 14 | 214-2919058-02 | Кольцо уплотнительное | |
| 15 | 345302-П2 | Шайба пружинная | |
| 16 | 349605-П29 | Гайка М33х1,5 | |
| 17 | 256872-П | Заклепка 12х32 | |
| 18 | 255Б-2912062 | Хомут листа № 7 рессоры | |
| 19 | 6505-2912052 | Лист L 1055 с хомутами в сборе | |
| 20 | 256Б-2912106-10 | Лист L 1055 | |
| 21 | 6505-2912408 | Стремянка рессоры | |
| 22 | 219-2919070 | Кронштейн верхних реактивных штанг | |
| 23 | 250560-П29 | Гайка М16х2 | |
| 24 | 6505-2912032 | Болт центровой | |
| 25 | 200384-П29 | Болт М12х130 | |
| 26 | 250514-П29 | Гайка М12х1,75 | |
| 27 | 256Б-2912068 | Втулка распорная хомута | |
| 28 | 291055-П29 | Болт М14х1,5х34 | |
| 29 | 252138-П2 | Шайба 14 пружинная | |
| 30 | 250559-П29 | Гайка М14х1,5 | |
| 31 | 256Б-2912412-01 | Накладка рессоры | |
| 32 | 349600-П29 | Гайка стремянки М30х2 | |
| 33 | 256Б-2912114 | Лист №11 рессоры | |
| 34 | 255Б-2912110 | Лист № 10 рессоры | |
| 35 | 256Б-2912112 | Лист № 12 | |
| 36 | 6505-2912012 | Рессора задняя в сборе | |
| 37 | 256Б-2912111 | Лист № 9 рессоры | |
| 38 | 256Б-2912110 | Лист № 8 рессоры | |
| 39 | 6505-2912108 | Лист L 770 | |
| 40 | 255Б-2912107 | Лист № 7 рессоры | |
| 41 | 256Б-2912108 | Лист №-8 | |
| 42 | 256Б-2912107 | Лист № 6 рессоры | |
| 43 | 255Б-2912104 | Лист № 5 | |
| 44 | 256Б-2912104 | Лист № 4 рессоры | |
| 45 | 256Б-2912103 | Лист № 3 рессоры | |
| 46 | 256Б-2912103-10 | Лист № 3 | |
| 47 | 256Б-2912102 | Листы № 1 и № 2 рессоры | |
| 48 | 260-2919011-10 | Штанга реактивная верхняя в сборе |
Содержащиеся в справочниках-каталогах запасные части и детали не предлагаются к продаже, а носят исключительно информационный характер