Каталог запасных частей к технике: КрАЗ-65055. Рессора передняя в сборе
1
2
2
3
4
4
5
6
7
7
8
9
10
11
12
13
14
15
16
17
18
19
20
20
21
22
23
24
25
26
27
28
29
30
31
32
33
34
35
36
37
38
39
40
41
42
43
44
45
46
47
48
49
50
51
52
53
54
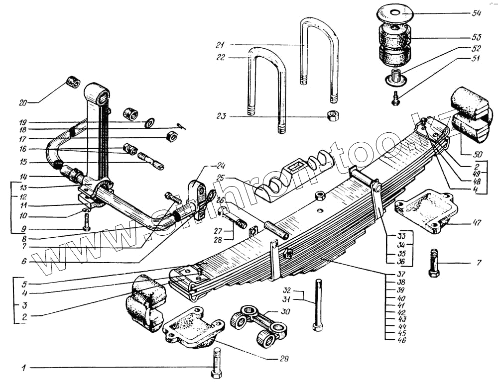
| Позиция на иллюстрации | Заводской номер детали | Название детали | |
|---|---|---|---|
| 255Б-2902012-21 | 255Б-2902012-21 | Рессора передняя в сборе | |
| 1 | 200817-П29 | Болт М14х2х60 | |
| 2 | 255Б-2902036 | Чашка подушки передней рессоры нижняя | |
| 3 | 255Б-2902074-01 | Лист № 1 с чашками в сборе | |
| 4 | 253222-П | Заклепка 10х20 | |
| 5 | 255Б-2902101-01 | Лист № 1 | |
| 6 | 345020-П29 | Шайба | |
| 7 | 201593-П29 | Болт М14х2х50 | |
| 8 | 6505-2906016-10 | Вал | |
| 9 | 348512-П29 | Болт М12х1,25х40 | |
| 10 | 252138-П2 | Шайба 14 пружинная | |
| 11 | 6505-2906073 | Крышка | |
| 12 | 6505-2906070-30 | Штанга в сборе | |
| 13 | 6505-2906072 | Тяга | |
| 14 | 6505-2906410-30 | Втулка | |
| 15 | 6505-2906470 | Палец | |
| 16 | 250661-П29 | Гайка М24х2 | |
| 17 | 311703-П29 | Гайка М24х2 | |
| 18 | 258056-П29 | Шплинт разводной 4х40 | |
| 19 | 210-3105125 | Пружина тарельчатая | |
| 20 | 500А-2905410 | Втулка амортизатора | |
| 20 | 500АС-2905410 | Втулка амортизатора | |
| 21 | 6505-2902409 | Стремянка задняя | |
| 22 | 6505-2902408 | Стремянка передняя | |
| 23 | 349513-П29 | Гайка М24х1,5 | |
| 24 | 6505-2906060 | Серьга | |
| 25 | 250-2902410-20 | Накладка рессоры в сборе | |
| 26 | 255Б-2902068 | Втулка распорная | |
| 27 | 200333-П29 | Болт М10х120 | |
| 28 | 250512-П29 | Гайка М10х1,5 | |
| 29 | 214-2902452 | Крышка заднего кронштейна | |
| 30 | 6505-2906098-10 | Кронштейн | |
| 31 | 255Б-2902032 | Болт рессоры центровой | |
| 32 | 250560-П29 | Гайка М16х2 | |
| 33 | 255Б-2902062-01 | Хомут листа № 9 | |
| 34 | 255Б-2902052 | Лист № 9 с хомутами | |
| 35 | 255Б-2902109 | Лист № 9 | |
| 36 | 256838-П | Заклепка 10х24 | |
| 37 | 255Б-2902102-01 | Лист № 2 | |
| 38 | 255Б-2902104-10 | Лист № 4 | |
| 39 | 255Б-2902105-10 | Лист № 5 | |
| 40 | 255Б-2902106 | Лист № 6 | |
| 41 | 255Б-2902107 | Лист № 7 | |
| 42 | 255Б-2902108 | Лист № 8 | |
| 43 | 255Б-2902110 | Лист № 10 | |
| 44 | 255Б-2902111 | Лист № 11 | |
| 45 | 255Б-2902112 | Лист № 12 | |
| 46 | 255Б-2902113 | Лист № 13 | |
| 47 | 200-2902450 | Крышка переднего кронштейна | |
| 48 | 255Б-2902103-01 | Лист № 3 | |
| 49 | 255Б-2902076-01 | Лист № 3 с чашками в сборе | |
| 50 | 214-2902430-А2 | Подушка рессоры | |
| 51 | 202143-П29 | Болт М16х1,5х40 | |
| 52 | 6505-2902635 | Шайба | |
| 53 | 5320-2902624 | Буфер | |
| 54 | 6505-2902632 | Чашка буфера |
Содержащиеся в справочниках-каталогах запасные части и детали не предлагаются к продаже, а носят исключительно информационный характер