Каталог запасных частей к технике: КрАЗ-65055. Ресиверы
1
1
2
2
3
3
4
4
5
6
7
8
9
10
10
10
10
10
10
11
11
11
11
11
11
12
12
13
14
15
16
17
18
18
19
20
21
21
22
23
24
25
26
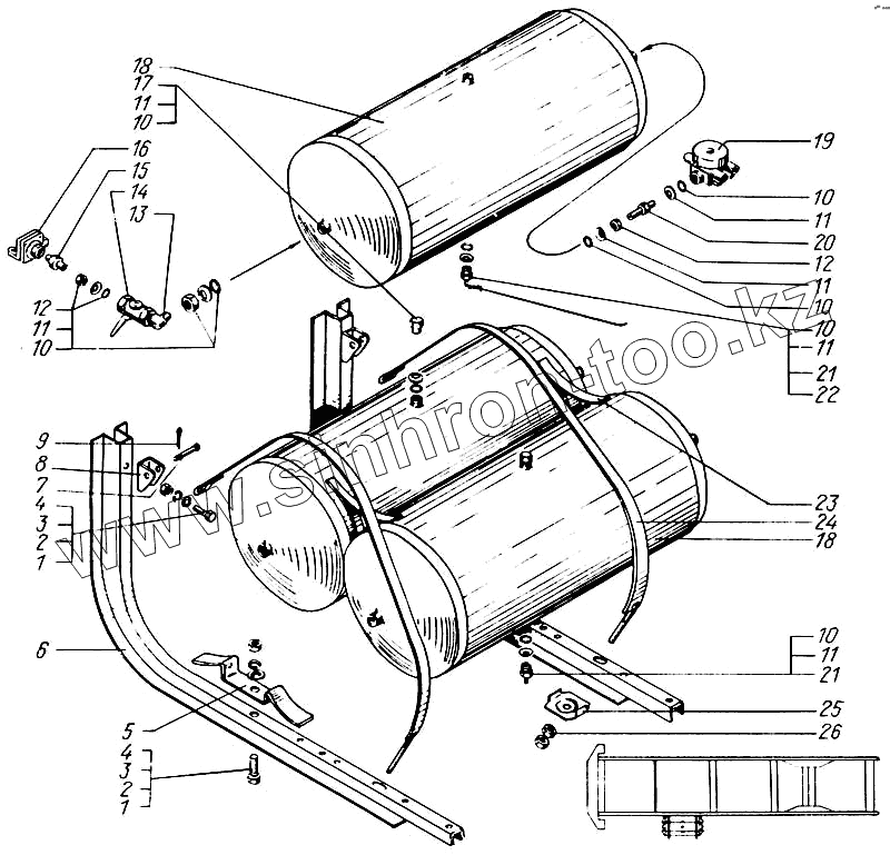
| Позиция на иллюстрации | Заводской номер детали | Название детали | |
|---|---|---|---|
| 1 | 201456-П29 | Болт М8х1,25х20 | |
| 2 | 252005-П29 | Шайба 8 | |
| 3 | 252135-П2 | Шайба 8 пружинная | |
| 4 | 250510-П29 | Гайка М8 | |
| 5 | 6505-3513035 | Подкладка | |
| 6 | 6437-8405214 | Кронштейн | |
| 7 | 260064-П29 | Палец 10х45 | |
| 8 | 6505-3513083 | Кронштейн хомута ресивера | |
| 9 | 258039-П29 | Шплинт разводной 3х20 | |
| 10 | 256Б-3570138 | Кольцо резиновое уплотнительное Н1-25х20х2 | |
| 11 | 256Б1-3506017 | Шайба уплотнительная | |
| 12 | 349507-П29 | Гайка М22х1,5 | |
| 13 | 6510-3520030 | Угольник разобщительного крана | |
| 14 | 12.3520010 | Кран разобщительный в сборе | |
| 15 | 260-3520030 | Штуцер | |
| 16 | 100-3562010 | Клапан двухмагистральный в сборе | |
| 17 | 345923-П29 | Заглушка | |
| 18 | 260-3513015 | Ресивер А40-280 | |
| 19 | 12.3515410 | Клапан защитный четырехконтурный | |
| 20 | 347596-П29 | Штуцер М22х1,5 | |
| 21 | 100-3513110 | Клапан слива конденсата | |
| 22 | 6505-3513130 | Тяга клапана слива конденсата | |
| 23 | 6505-3513034 | Подкладка крепления ресивера | |
| 24 | 6505-3513040 | Хомут крепления ресивера | |
| 25 | 6505-3513180 | Упор хомута | |
| 26 | 250512-П29 | Гайка М10х1,5 |
Содержащиеся в справочниках-каталогах запасные части и детали не предлагаются к продаже, а носят исключительно информационный характер